电脑桌面
添加小米粒文库到电脑桌面
安装后可以在桌面快捷访问

汽车配件与营销第三章汽车配件编号规则与目录检索

汽车配件与营销第三章汽车配件编号规则与目录检索_第1页
1/29
汽车配件与营销第三章汽车配件编号规则与目录检索_第2页
2/29
汽车配件与营销第三章汽车配件编号规则与目录检索_第3页
3/29
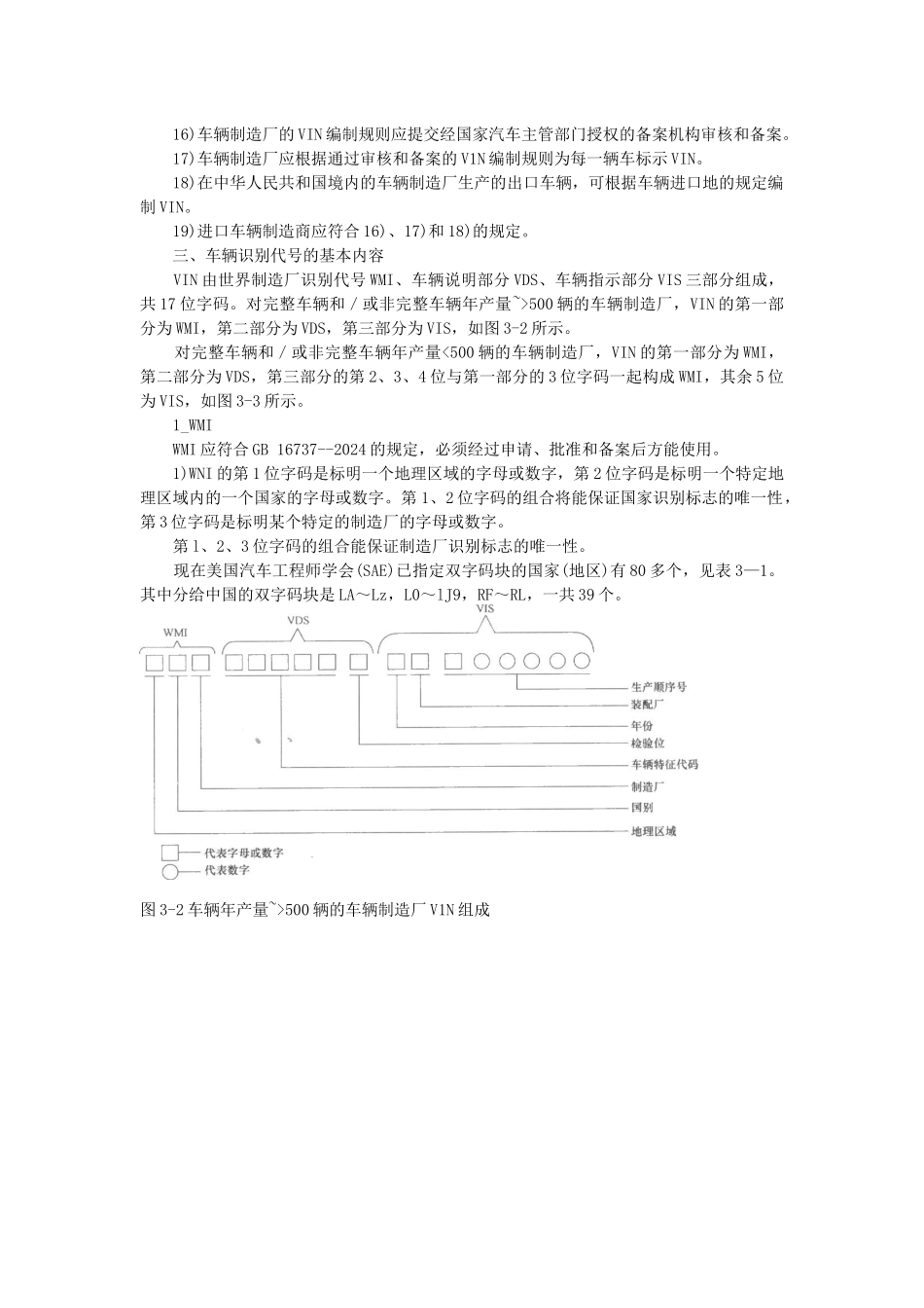
第三章汽车配件编号规则与目录检索 第一节 车辆识别知识 一、车辆识别代号概述 为了在世界范围内建立统一的道路车辆识别系统,简化车辆识别信息检索,提高车辆故障信息反馈的准确性和效率,现在世界各国汽车公司生产的汽车大部分使用了车辆识别代号(VehicleIdentification Number,简称 VIN)。VIN 包括了车型标牌(见图 3—1)中的绝大部分信息。 VIN 是指车辆生产企业为了识别某一辆车而为该车辆指定的一组字码,由 17 位字码构成,分为三部分:世界制造厂识别代号(World Manufacturer Identifier,简称 WMI)、车辆 说 明 部 分 (Vehicle Descriptor Section , 简 称 VDS) 和 车 辆 指 示 部 分 (Vehicle Indicator Section,简称 VIS)。 图 3 一 l 丰田汽车车型标牌 l 一汽车型号 2 发动机型号 3 一车架编号 4 一车身颜色编号 5 一装饰编号 6 一变速器型号 7 一车轴编号 8 一制造厂编号 车辆识别代号(VIN)具有全球通用性,最大限度的信息承载性和可检索性,目前已成为全世界识别车辆唯一准确的身份标志,它将伴随车辆的注册、保险、年检、保养、修理直至回收报废。 在汽车召回管理制度中,VIN 是推断车辆缺陷的重要依据之一。通过它,主管部门可以根据车主投诉记录推断在某批次车辆上是否可能存在缺陷。汽车制造商也可以通过分析找到存在缺陷的车辆 VIN 码范围,进而有针对性地实施召回。因此,车主在向主管部门和制造商投诉车辆缺陷时一定要准确描述 VIN 代码。 车辆管理部门通过对 VIN 码的统一管理,能够实现车辆管理的法律规范化,保证车辆登记状况的准确性,使车辆年检和报废管理体系更加完善。假如推行条码化 VIN 管理,可以大大提高车辆登记和年检的效率和准确性。工作人员只要利用条码读取设备就能够快速获得车辆信息,从而减少了人工输入。国内厂家中,上海大众和长安汽车率先采纳了“条码化”的 VIN。因此,交管部门可以在年检标签中打印车辆的 VIN,这将为日后的车辆管理工作提供极大方便。 t 、 各大保险公司通过车辆 VIN 结合车辆管理部门提供的车辆登记和使用记录,就可以分析车辆的盗抢、交通事故等情况,估量车辆承保的风险程度,从而能够针对不同的车辆制订相应的保险制度。这对于当前保险公司推行的浮动车险费率制度至关重要。 整车制造厂通过 VIN,结合车辆制造档案就可以明确各批次车辆及零部件的去向和车辆的生产、销售及使用状况,对于进...

1、当您付费下载文档后,您只拥有了使用权限,并不意味着购买了版权,文档只能用于自身使用,不得用于其他商业用途(如 [转卖]进行直接盈利或[编辑后售卖]进行间接盈利)。
2、本站所有内容均由合作方或网友上传,本站不对文档的完整性、权威性及其观点立场正确性做任何保证或承诺!文档内容仅供研究参考,付费前请自行鉴别。
3、如文档内容存在违规,或者侵犯商业秘密、侵犯著作权等,请点击“违规举报”。

碎片内容

汽车配件与营销第三章汽车配件编号规则与目录检索

您可能关注的文档

确认删除?
VIP
微信客服
  • 扫码咨询
会员Q群
  • 会员专属群点击这里加入QQ群
客服邮箱
回到顶部