电脑桌面
添加小米粒文库到电脑桌面
安装后可以在桌面快捷访问

洞身Ⅴ级开挖与锚喷支护工程施工设计方案文字说明

洞身Ⅴ级开挖与锚喷支护工程施工设计方案文字说明_第1页
1/12
洞身Ⅴ级开挖与锚喷支护工程施工设计方案文字说明_第2页
2/12
洞身Ⅴ级开挖与锚喷支护工程施工设计方案文字说明_第3页
3/12
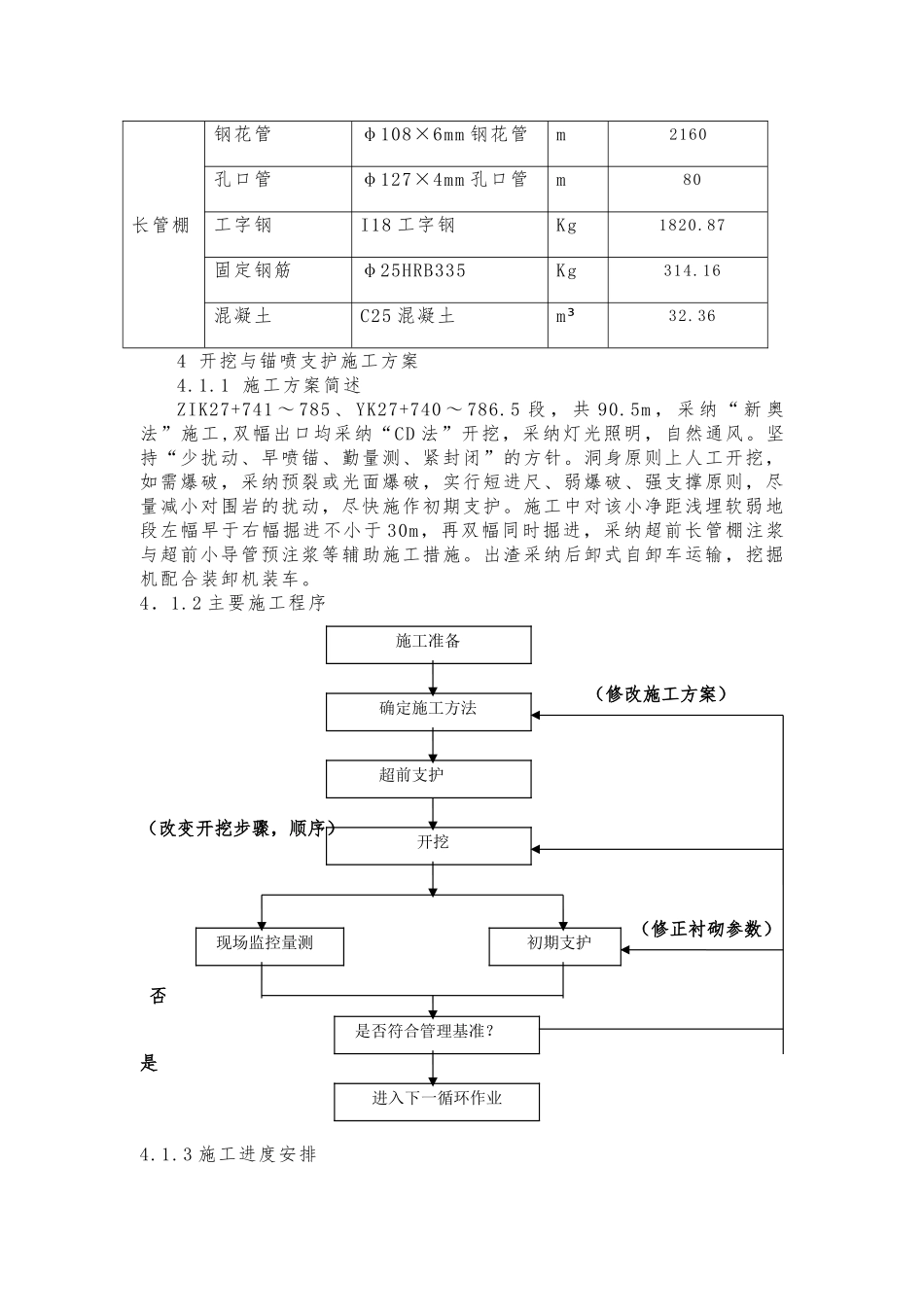
炎陵至汝城(湘粤界)高速公路 5 标段长旺 2 号隧道工程出口洞身Ⅴ级开挖与锚喷支护施工组织设计1 编制说明1.1 编制依据1.1.1 省交通规划 2024 年 9 月《炎陵至汝城(湘粤界)高速公路第 5合同段两阶段施工图设计(第一.二册,长旺 2 号隧道)》。1.1.2 公路施工有关规、标准。1.1.3 管段前期土建工程施工进度情况。1.1.4 炎陵至汝城高速公路工期要求。1.2 编制围省交通规划 2024 年 9 月《炎陵至汝城(湘粤界)高速公路第 5 合同段(K25+780~K28+302)两阶段施工图设计(第一、二册)》的《长旺 2号 隧 道 ) 》 设 计 围 长 旺 2 号 隧 道 工 程 出 口 SX-Va 段 ZIK27+741 ~785、YK27+740~786.5 洞身开挖与锚喷支护。1.3 编制原则1.3.1 根据资源投入情况和现场施工条件,能够指导现场施工。1.3.2 施工进度计划满足工期要求。1.3.3 施工工序进度计划,其技术条件满足质量、安全等相关规要求。2 SX-Va ZIK27+741~785、YK27+740~786.5 段概况2.1 ZIK27+741~785、YK27+740~786.5 区地貌类型为丘陵地貌,风化剥蚀强烈,位于地势较陡峭的山坡上,隧道洞身部分地势起伏较大,洞门仰坡自然坡度约 40~45°。隧道出口段测设线间距约 20m,属小净距中隧道。2.2 平纵面 左幅隧道 ZIK27+741~785 段位于 R=1050 的缓和曲线上;右幅隧道YK27+740~786.5 段位于 R=1000 的缓和曲线上。左幅隧道为单向坡,隧道纵坡为 2.098% (沿路线前进方向上坡为正)。右幅隧道为单向坡,隧道纵坡为 2.070% (沿路线前进方向上坡为正)。2.3 ZIK27+741~785、YK27+740~786.5主要工程数量:附表 ZIK27+741~785、YK27+740~786.5 主要工程数量表项目规格与型号单位数量开挖m³9839.16初期支护喷射混凝土C20m³867.895钢筋网φ8kg8329.62钢支撑20 工字钢kg15386.425锚杆D25 中空注浆锚杆m39320.28连接钢板A3 钢板Kg17195钢架连接钢筋φ22HRB335Kg12672.715锁脚锚杆D25 中空注浆锚杆m2111.36超前支护小导管φ42 热轧无缝钢管Kg/m7619.3/2295.1水泥浆m³42.93施工准备确定施工方法开挖现场监控量测是否符合管理基准?进入下一循环作业初期支护超前支护长管棚钢花管φ108×6mm 钢花管m2160孔口管φ127×4mm 孔口管m80工字钢I18 工字钢Kg1820.87固定钢筋φ25HRB335Kg314.16混凝土C25 混凝土m³32.364 开挖与锚喷支护施工方案4.1.1 施工方案简述ZIK27+741 ~ 785 、 YK27+740 ~ 78...

1、当您付费下载文档后,您只拥有了使用权限,并不意味着购买了版权,文档只能用于自身使用,不得用于其他商业用途(如 [转卖]进行直接盈利或[编辑后售卖]进行间接盈利)。
2、本站所有内容均由合作方或网友上传,本站不对文档的完整性、权威性及其观点立场正确性做任何保证或承诺!文档内容仅供研究参考,付费前请自行鉴别。
3、如文档内容存在违规,或者侵犯商业秘密、侵犯著作权等,请点击“违规举报”。

碎片内容

洞身Ⅴ级开挖与锚喷支护工程施工设计方案文字说明

您可能关注的文档

确认删除?
VIP
微信客服
  • 扫码咨询
会员Q群
  • 会员专属群点击这里加入QQ群
客服邮箱
回到顶部