电脑桌面
添加小米粒文库到电脑桌面
安装后可以在桌面快捷访问

福建省古田县城关闽武机械厂企业标准

福建省古田县城关闽武机械厂企业标准_第1页
1/5
福建省古田县城关闽武机械厂企业标准_第2页
2/5
福建省古田县城关闽武机械厂企业标准_第3页
3/5
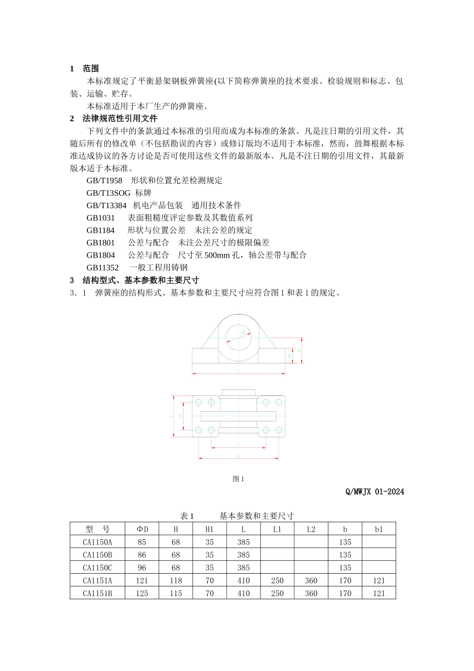
福建省古田县城关闽武机械厂企业标准 Q/MWJX 01-2024平衡悬架钢板弹簧座2024-10-30 发布 2024-11-10 实施福建省古田县城关闽武机械厂 发布Q/MWJX 01-2024前 言本标准是参照国家和行业有关标准制定的,标准的格式采纳 GB/T1.1、GB/T1.3 进行编写。本标准首次发布日期:2024 年 11 月 10 日本标准由福建省古田县城关闽武机械厂提出本标准由福建省古田县缄关闽武机械厂批准本标准由福建省古田县城关闽武机械厂起草本标准主要起草人:许建武Q/MWJX 01-2024平衡悬架钢板弹簧座1 范围本标准规定了平衡悬架钢板弹簧座(以下简称弹簧座的技术要求、检验规则和标志、包装、运输、贮存。本标准适用于本厂生产的弹簧座。2 法律规范性引用文件下列文件中的条款通过本标准的引用而成为本标准的条款。凡是注日期的引用文件,其随后所有的修改单(不包括勘误的内容)或修订版均不适用于本标准,然而,鼓舞根据本标准达成协议的各方讨论是否可使用这些文件的最新版本。凡是不注日期的引用文件,其最新版本适于本标准。GB/T1958 形状和位置允差检测规定GB/T13SOG 标牌GB/T13384 机电产品包装 通用技术条件GB1031 表面粗糙度评定参数及其数值系列GB1184 形状与位置公差 未注公差的规定GB1801 公差与配合 未注公差尺寸的极限偏差GB1804 公差与配合 尺寸至 500mm 孔,轴公差带与配合GB11352 一般工程用铸钢3 结构型式、基本参数和主要尺寸3.1 弹簧座的结构形式、基本参数和主要尺寸应符合图 1 和表 1 的规定。 图 1Q/MWJX 01-2024表 1 基本参数和主要尺寸型 号ΦDHH1LL1L2bb1CA1150A856835385135CA1150B866835385135CA1150C966835385135CA1151A12111870410250360170121CA1151B12511570410250360170121CA1153A12111870410250360180131CA1153B12511870410250360180131CA1156A13112270420260370180131CA1156B13512270420260370180131CA1171A12111870410250360170121CA1171B12511870410250360170121二汽 15311011570390232342170121重汽斯太尔17013550425162127重汽红岩14012270400240350180126重汽飞龙11011570390232342170121柳州乘龙11011570390232342170121三菱 41313512270400240350170121日野110115703902323421701214 技术要求4.1 弹簧座应符合本标准要求,并根据经批准的图样及技术文件制造。4.2 弹簧座的材料采纳不低于牌号为 ZQ35 的铸钢制造,其机械性能应符合 GB11352 标准的规定。4.3 铸件上的型砂应清...

1、当您付费下载文档后,您只拥有了使用权限,并不意味着购买了版权,文档只能用于自身使用,不得用于其他商业用途(如 [转卖]进行直接盈利或[编辑后售卖]进行间接盈利)。
2、本站所有内容均由合作方或网友上传,本站不对文档的完整性、权威性及其观点立场正确性做任何保证或承诺!文档内容仅供研究参考,付费前请自行鉴别。
3、如文档内容存在违规,或者侵犯商业秘密、侵犯著作权等,请点击“违规举报”。

碎片内容

福建省古田县城关闽武机械厂企业标准

您可能关注的文档

确认删除?
VIP
微信客服
  • 扫码咨询
会员Q群
  • 会员专属群点击这里加入QQ群
客服邮箱
回到顶部