电脑桌面
添加小米粒文库到电脑桌面
安装后可以在桌面快捷访问

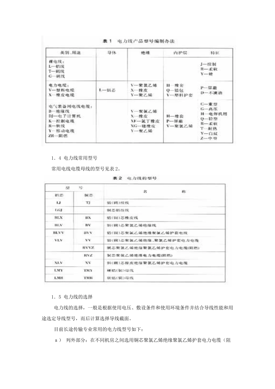
长途传输设计中电力线的选择

长途传输设计中电力线的选择_第1页
1/7
长途传输设计中电力线的选择_第2页
2/7
长途传输设计中电力线的选择_第3页
3/7
长途传输设计中电力线的选择 摘 要: 简介了电力线的种类及选择原则,较详细地阐述了电力线截面的计算方法。 关键词: 电力线 选择 截面 计算 0 前言 长途传输设计中常常要对电力线进行选择,电力线选取的合适与否影响到设备的安全和运行,是设计中的一个十分重要的环节。本文拟从电力线型号的选取、长途传输专业电力导线截面的计算两个方面进行简要介绍。 1 电力线型号及其选取 1.1 电力线的种类 供电系统中常用的电力线有: a) 电力电缆:具有导体、绝缘层和保护外层的电力线。按芯线材料分,有铜芯和铝芯两种。按其外皮的绝缘材料分,有橡皮绝缘和塑料绝缘两种。 b) 母线:指导线截面积很大或截面形状特别的一类导线,截面形状有圆形、矩形和筒形等几种。电压较低(20 k V 以下)的户内配电装置一般采纳硬母线(铜排、铝排)。母线具有电阻率低、机械强度高、抗腐蚀性强等特点。 1.2 电力电缆结构 电力电缆主要由电缆芯、绝缘层和保护层 3 部分组成。 a) 电缆芯:由单根或几根绞绕的导线构成,导线多为铜、铝两种材料制作。每根缆芯线由多根导线构成,而电缆又由数量不等的缆芯线组成。 b) 绝缘层:绝缘层分匀质和纤维质两类。前者有橡胶、沥青、聚乙烯等。其防潮性好,弯曲性能好,但受空气和光线直接作用时易“老化”,耐热性差。后者包括棉麻、丝绸、纸等。此种材料易吸水,且不可作大的弯曲。 c) 保护层:电缆线的保护层分为内保护层和外保护层两部分。内保护层多用麻筋、铅包、涂沥青纸带、浸沥青麻被或聚氯乙烯等制作。外保护层多用钢铠、麻被或铝铠、聚氯乙烯外套等制作。电力电缆按保护层区分,主要有铅护套电缆、铝护套电缆、橡皮护套电缆、塑料护套电缆几种类型。 1.3 电力线的命名 电力线的命名见表 1。 1.4 电力线常用型号 常用电线电缆母线的型号见表 2。 1.5 电力线的选择 电力线的选择,一般是根据使用电压、敷设条件和使用环境条件并结合导线性能和用途选定导线型号,而后计算选择导线截面。 目前长途传输专业常用的电力线型号如下: a) 列外部分:在不同机房之间选用铜芯聚氯乙烯绝缘聚氯乙烯护套电力电缆(阻燃)(RVVZ系列),在同一机房内选用铜芯聚氯乙烯绝缘电力电缆(阻燃)(RVZ系列),列外部分还可采纳铜母线(TMY系列)。 b) 列内部分:一般由厂家随设备提供。 c) 沟通部分:一般采纳铜芯聚氯乙烯绝缘聚氯乙烯护套电力电缆(...

1、当您付费下载文档后,您只拥有了使用权限,并不意味着购买了版权,文档只能用于自身使用,不得用于其他商业用途(如 [转卖]进行直接盈利或[编辑后售卖]进行间接盈利)。
2、本站所有内容均由合作方或网友上传,本站不对文档的完整性、权威性及其观点立场正确性做任何保证或承诺!文档内容仅供研究参考,付费前请自行鉴别。
3、如文档内容存在违规,或者侵犯商业秘密、侵犯著作权等,请点击“违规举报”。

碎片内容

长途传输设计中电力线的选择

确认删除?
VIP
微信客服
  • 扫码咨询
会员Q群
  • 会员专属群点击这里加入QQ群
客服邮箱
回到顶部