电脑桌面
添加小米粒文库到电脑桌面
安装后可以在桌面快捷访问

电力系统继电保护课程设计——三段式电流保护的设计说明

电力系统继电保护课程设计——三段式电流保护的设计说明_第1页
1/16
电力系统继电保护课程设计——三段式电流保护的设计说明_第2页
2/16
电力系统继电保护课程设计——三段式电流保护的设计说明_第3页
3/16
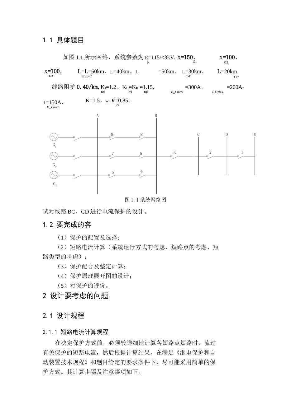
电力系统继电保护课程设计题目:三段式电流保护的设计班级:学号:指导教师:设计时间:1 设计原始资料1.1 具体题目如图 1.1 所示网络,系统参数为 E=115/<3kV,X=150、9i试对线路 BC、CD 进行电流保护的设计。1.2 要完成的容(1)保护的配置及选择;(2)短路电流计算(系统运行方式的考虑、短路点的考虑、短路类型的考虑);(3)保护配合及整定计算;(4)保护原理展开图的设计;(5)对保护的评价。2 设计要考虑的问题2.1 设计规程2.1.1 短路电流计算规程在决定保护方式前,必须较详细地计算各短路点短路时,流过有关保护的短路电流,然后根据计算结果,在满足《继电保护和自动装置技术规程》和题目给定的要求条件下,尽可能采用简单的保护方式。其计算步骤及注意事项如下。G1X=100、G2X=100,G3L=L=60km、L=40km、L123B-C=50km、 L=30km、C-DL=20km,D-E'线路阻抗 0.40/km,KI=1.2、KII=KIII=1.15,relrelrelB_Cmax =300A,=200A,C-DmaxI=150A,D_EmaxK=1.5,ss K=0.85。reAB图 1.1 系统网络图(1)系统运行方式的考虑除考虑发电厂发电容量的最大和最小运行方式外,还必须考虑在设备检修或故障切除的情况下,发生短路时流过保护装置的短路电流最大和最小的系统运行方式,以便计算保护的整定值和保护灵敏度。在需采用电流电压联锁速断保护时,还必须考虑系统的正常运行方式。(2)短路点的考虑求不同保护的整定值和灵敏度时,应注意短路点的选择。若要绘制短路电流、电压与距离的关系曲线,每一条线路上的短路点至少要取三点,即线路的始端、中点和末端三点。(3)短路类型的考虑相间短路保护的整定计算应取系统最大运行方式下三相短路电流,以作动作电流整定之用;而在系统最小运行方式下计算两相短路电流,以作计算灵敏度之用。短路的计算选用三相短路或两相短路进行计算均可,因为对保护所取的残余而言,三相短路和两相短路的残余数值相同。若采用电流电压连锁速断保护,系统运行方式应采用正常运行方式下的短路电流和电压的数值作为整定之用。(4)短路电流列表为了便于整定计算时查考每一点的短路时保护安装处的短路电流和,将计算结果列成表格。流过保护安装处的短路电流应考虑后备保护的计算需要,即列出本线路各短路点短路时流过保护安装处的短路电流,还要列出相邻线路各点短路时流过保护安装处的短路电流。计算短路电流时,用标幺值或用有名值均可,可根据题目的数据,用较简单的方法计算。2.1.2 保护方式的选取及整...

1、当您付费下载文档后,您只拥有了使用权限,并不意味着购买了版权,文档只能用于自身使用,不得用于其他商业用途(如 [转卖]进行直接盈利或[编辑后售卖]进行间接盈利)。
2、本站所有内容均由合作方或网友上传,本站不对文档的完整性、权威性及其观点立场正确性做任何保证或承诺!文档内容仅供研究参考,付费前请自行鉴别。
3、如文档内容存在违规,或者侵犯商业秘密、侵犯著作权等,请点击“违规举报”。

碎片内容

电力系统继电保护课程设计——三段式电流保护的设计说明

您可能关注的文档

确认删除?
VIP
微信客服
  • 扫码咨询
会员Q群
  • 会员专属群点击这里加入QQ群
客服邮箱
回到顶部