电脑桌面
添加小米粒文库到电脑桌面
安装后可以在桌面快捷访问

液晶显示密码锁设计和实现

液晶显示密码锁设计和实现_第1页
1/3
液晶显示密码锁设计和实现_第2页
2/3
液晶显示密码锁设计和实现_第3页
3/3
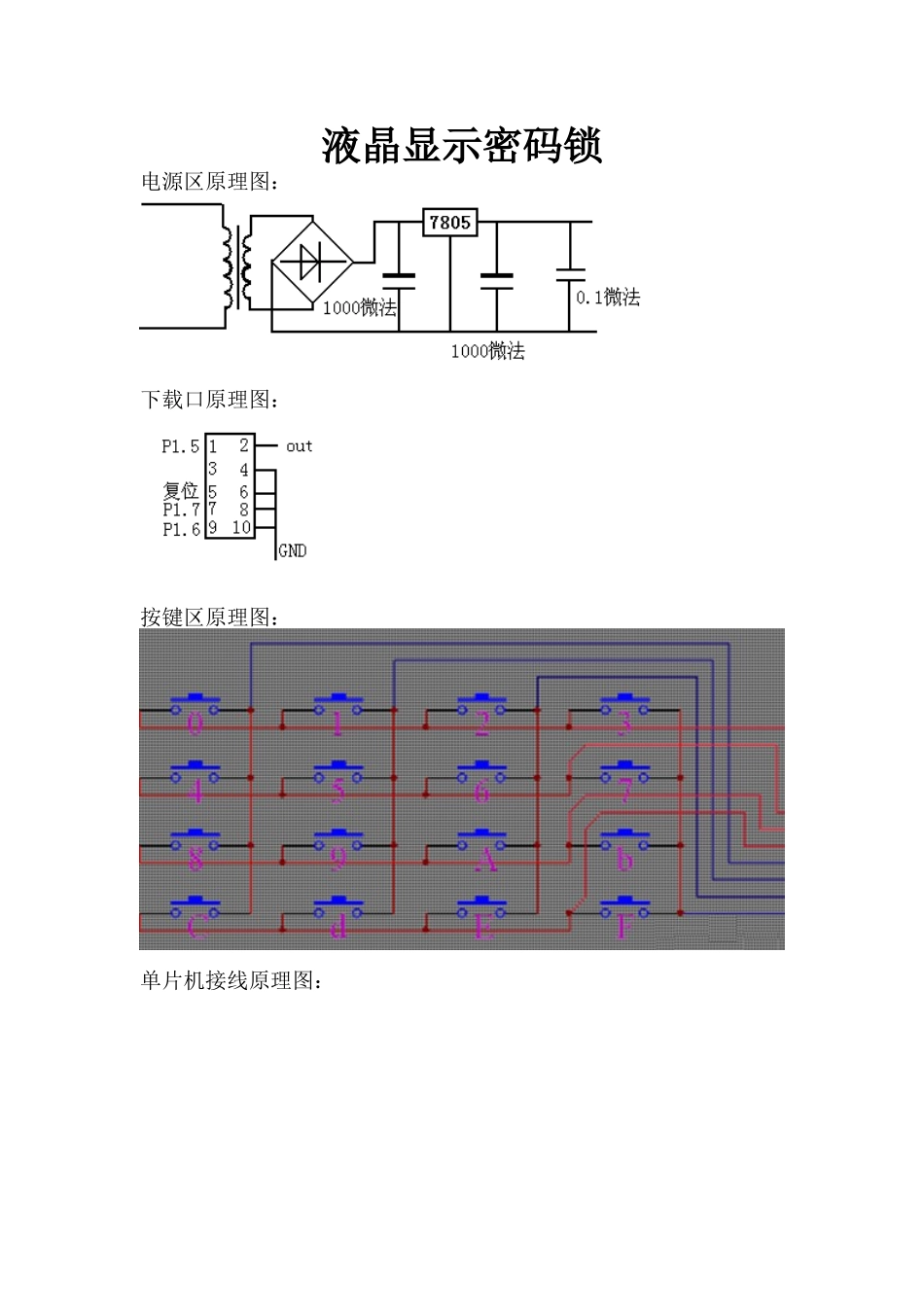
液晶显示密码锁电源区原理图:下载口原理图:按键区原理图:单片机接线原理图:蜂鸣器原理图:液晶区原理图:引脚标号功能说明 备注1Vss逻辑负电源输入引脚,0V2Vdd逻辑正电源输入引脚,+5V 3VoLCD驱动电源输入引脚,大小可调LCD显示对比度一般接0V4RS数据/指令寄存器选择引脚 RS=“H” :数据D0-D7 与数据寄存器通信 RS=“L” :数据D0-D7 与指令寄存器通信 5R/W读/写选择引脚 高电平:读数据 低电平:写数据 若不须要读操作功能,该引脚可直接接地 6E读写使能引脚 高电平有效,下降沿锁定数据 7~14D0~D78 位数据线引脚4 位总线模式下,D0~D3 引脚断开 15A背光电源输入引脚,+5V不带背光的模块无此引脚16K背光电源输入引脚,0V

1、当您付费下载文档后,您只拥有了使用权限,并不意味着购买了版权,文档只能用于自身使用,不得用于其他商业用途(如 [转卖]进行直接盈利或[编辑后售卖]进行间接盈利)。
2、本站所有内容均由合作方或网友上传,本站不对文档的完整性、权威性及其观点立场正确性做任何保证或承诺!文档内容仅供研究参考,付费前请自行鉴别。
3、如文档内容存在违规,或者侵犯商业秘密、侵犯著作权等,请点击“违规举报”。

碎片内容

液晶显示密码锁设计和实现

您可能关注的文档

确认删除?
VIP
微信客服
  • 扫码咨询
会员Q群
  • 会员专属群点击这里加入QQ群
客服邮箱
回到顶部