电脑桌面
添加小米粒文库到电脑桌面
安装后可以在桌面快捷访问

混凝土地坪承载力计算VIP免费

混凝土地坪承载力计算_第1页
1/12
混凝土地坪承载力计算_第2页
2/12
混凝土地坪承载力计算_第3页
3/12
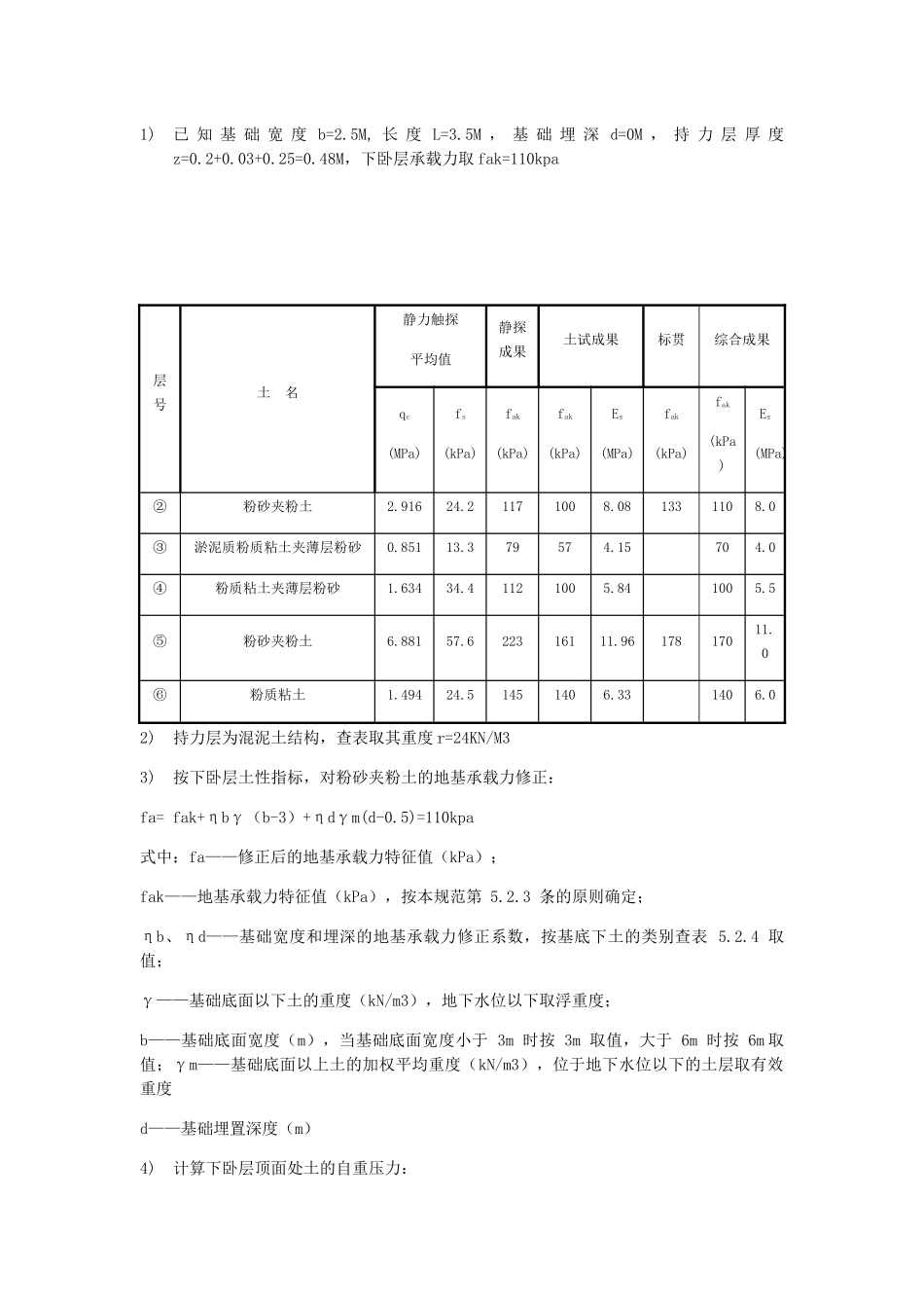
混凝土地坪承载力计算对于500T吊机地面承载力计算1.道路构造(1)——对应1#、3#支腿2.道路基础承载力:本次重点分析混凝土路面的承载力情况及道路下卧层承载力验算。由原设计单位设计的底基层250厚碎砾石碾压密实,30厚粗砂垫层应该符合道路基础的要求。3.查表可得C25混凝土参数如下:轴心抗压强度标准值fck=16.7N/mm2抗拉强度标准值ftk=1.78N/mm2抗剪强度ft=4N/mm24.假设3.5*2.5*0.3钢板为基础,以道路结构层为持力层,参照《建筑地基基础设计规范》GB50007-2011进行近似计算,已知吊车支腿最大荷126t,相当于1260KN,钢板重量20.6T,相当于206KN。①计算混泥土地面附加应力:(1260+206)/2.5*3.5=167.5KN/M2<16700KN/M2满足抗压要求②计算混泥土地面剪切应力:(1260+206)/((2.5+3.5)*2*0.2)=610KN/M2<4000KN/M2满足抗剪要求③下卧层承载力验算:1)已知基础宽度b=2.5M,长度L=3.5M,基础埋深d=0M,持力层厚度z=0.2+0.03+0.25=0.48M,下卧层承载力取fak=110kpa层号土名静力触探平均值静探成果土试成果标贯综合成果qc(MPa)fs(kPa)fak(kPa)fak(kPa)Es(MPa)fak(kPa)fak(kPa)Es(MPa)②粉砂夹粉土2.91624.21171008.081331108.0③淤泥质粉质粘土夹薄层粉砂0.85113.379574.15704.0④粉质粘土夹薄层粉砂1.63434.41121005.841005.5⑤粉砂夹粉土6.88157.622316111.9617817011.0⑥粉质粘土1.49424.51451406.331406.02)持力层为混泥土结构,查表取其重度r=24KN/M33)按下卧层土性指标,对粉砂夹粉土的地基承载力修正:fa=fak+ηbγ(b-3)+ηdγm(d-0.5)=110kpa式中:fa——修正后的地基承载力特征值(kPa);fak——地基承载力特征值(kPa),按本规范第5.2.3条的原则确定;ηb、ηd——基础宽度和埋深的地基承载力修正系数,按基底下土的类别查表5.2.4取值;γ——基础底面以下土的重度(kN/m3),地下水位以下取浮重度;b——基础底面宽度(m),当基础底面宽度小于3m时按3m取值,大于6m时按6m取值;γm——基础底面以上土的加权平均重度(kN/m3),位于地下水位以下的土层取有效重度d——基础埋置深度(m)4)计算下卧层顶面处土的自重压力:Pcz=r*dz=24*0.48kpa=11.52kpa5)确定地基压力扩散角度θ:依据规范6.5条:岩石一般可视为不可压缩地基,上部荷载通过基础传递到岩石地基上时,基底应力以直接传递为主,应力呈柱形分布,当荷载不断增加使岩石裂缝被压密产生微弱沉降而卸荷时,部分荷载将转移到冲切锥范围以外扩散,基底压力呈钟形分布。验算岩石下卧层强度时,其基底压力扩散角可按θ30°~40°考虑,Tanθ=(0.577-0.839)。6)计算基底平均压力Pk和土的自重压力PcPk=(Fk+Gk)/A=(1260+206)/3.5*2.5=1047.14KpaPc=r*d=0Kpa7)计算下卧层顶面处附加压力PkzPkz=b*L(Pk-Pc)/(b+2Ztanθ)((L+2Ztanθ)=3.5*2.5*(1047.14-0)/(3.5+2*0.48*0.577)(2.5+2*0.48*0.577)=740.08Kpa8)验算下卧层承载力:Pkz+Pcz=740.08+11.52=751.6Kpa>110Kpa不满足承载力要求。通过增加第二块钢板以扩大地坪抗剪截面,钢板6.0*2.4*0.03,剪切强度320MPa9)计算基底平均压力Pk和土的自重压力PcPk=(Fk+Gk)/A=(1260+206+33.9)/6.0*2.4=104.16KpaPc=r*d=0Kpa10)计算下卧层顶面处附加压力PkzPkz=b*L(Pk-Pc)/(b+2Ztanθ)((L+2Ztanθ)=6.0*2.4*(104.16-0)/(6.0+2*0.48*0.577)(2.4+2*0.48*0.577)=77.47Kpa11)验算下卧层承载力:Pkz+Pcz=77.47+11.52=88.99Kpa<110Kpa满足承载力要求。1.道路构造(2)——对应4#支腿2.道路基础承载力:本次重点分析混凝土路面的承载力情况及道路下卧层承载力验算。由原设计单位设计的底基层200厚碎砾石碾压密实应该符合道路基础的要求。3.查表可得C30混凝土参数如下:轴心抗压强度标准值fck=20.1N/mm2抗拉强度标准值ftk=0.20N/mm2抗剪强度ft=4.5N/mm24.假设3.5*2.5*0.3钢板为基础,以道路结构层为持力层,参照《建筑地基基础设计规范》GB50007-2011进行近似计算,已知吊车支腿最大荷126t,相当于1260KN,钢板重量20.6T,相当于206KN。④计算混泥土地面附加应力:(1260+206)/2.5*3.5=167.5KN/M2<20100KN/M2满足抗压要求⑤计算混泥土地面剪切应力:(1260+206)/((2.5+3.5)*2*0.2)=610KN/M2<450...

1、当您付费下载文档后,您只拥有了使用权限,并不意味着购买了版权,文档只能用于自身使用,不得用于其他商业用途(如 [转卖]进行直接盈利或[编辑后售卖]进行间接盈利)。
2、本站所有内容均由合作方或网友上传,本站不对文档的完整性、权威性及其观点立场正确性做任何保证或承诺!文档内容仅供研究参考,付费前请自行鉴别。
3、如文档内容存在违规,或者侵犯商业秘密、侵犯著作权等,请点击“违规举报”。

碎片内容

混凝土地坪承载力计算

文章天下+ 关注
实名认证
内容提供者

各种文档应有尽有

确认删除?
VIP
微信客服
  • 扫码咨询
会员Q群
  • 会员专属群点击这里加入QQ群
客服邮箱
回到顶部