电脑桌面
添加小米粒文库到电脑桌面
安装后可以在桌面快捷访问

《普通砂石质量和检验方法标准》VIP专享

《普通砂石质量和检验方法标准》_第1页
1/13
《普通砂石质量和检验方法标准》_第2页
2/13
《普通砂石质量和检验方法标准》_第3页
3/13
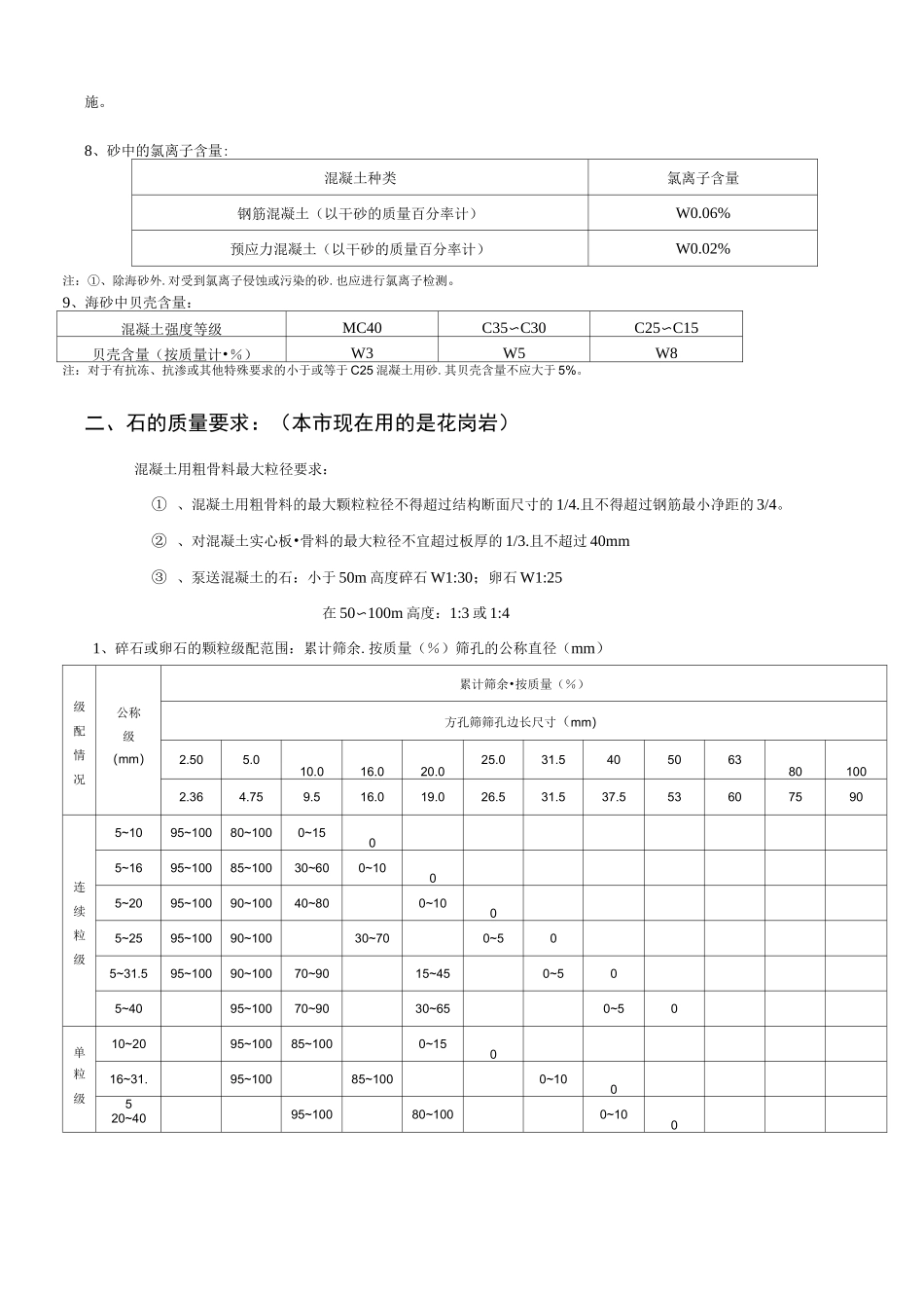
普通混凝土用砂石质量及检验方法标准一、总则在普通混凝土中合理使用天然砂、人工砂、碎石、卵石.保证普通混凝土用砂石质量。适用:一般工业与民用建筑和构筑物中普通混凝土用砂石质量要求和检验。对于长期处于潮湿环境的重要混凝土结构所用的砂、石.应进行碱活性检验。天然砂:自然形成•公称粒径小于 5.00mm 的岩石颗粒。碎石:岩石破碎后公称粒径大于 5.00mm 的岩石颗粒。含泥量:砂石中公称粒径小于 0.080mm 的含量。砂泥块含量:砂中公称粒径大于 1.25mm•水洗、手捏后变成小于 0.630mm 的含量。石泥块含量:石中公称粒径大于 5.00mm•水洗、手捏后变成小于 2.5mm 的含量。表观密度:骨料颗粒单位体积(包括内封闭孔隙)的质量。紧密密度:骨料按规定方法颠实后单位体积的质量。堆积密度:骨料在自然状态下单位体积的质量。坚固性:骨料在气候变化或其它物理因素作用下抵抗破裂的能力。压碎指标:人工砂、碎石抵抗压碎的能力。针片状颗粒含量:凡岩石颗粒的长度大于该颗粒所属粒级的平均粒径 2.4 倍者为针状颗粒.凡岩石颗粒的厚度小于平均粒径 0.4 倍者为片状。平均粒径指该粒径级上下限粒径的平均值。例:5〜10 的石子:计算:5+10=15/2=7.5 碱活性骨料:能在一定条件下与混凝土中的碱发生化学反应导致混凝土产生膨胀、开裂甚至破坏的骨料二、砂的质量要求1、砂的细度模数|1:I—f1111粗砂中砂细砂特细砂3.7~3.13.0~2.32.2~1.61.5~0.72、砂的颗粒级配区:公称粒径(mm)级配丨区级配丨丨区级配 III 区累计筛余(%)4.7510~010~010~02.3635~525~015~01.1865~3550~1025~00.6085~7170~4140~160.30095~8092~7085~550.150100~90100~90100~90注:1、除特细砂外.砂的颗粒级配按公称直径 630^m 筛孔的累计筛余百分率.分成三个级配区.砂的颗粒级配应处于其中的某一区。2、砂的实际颗粒级配与上表中的累计筛余百分率相比.除公称直径为 5.00mm 和 0.630mm 的累计筛余外.其余公称直径的累计筛余可稍有超出分界线.但总量应不大于 5%。3、当天然砂的实际颗粒级配不符合要求时.宜采取相应的技术措施.并经试验证明能确保混凝土质量后方允许使用。4、配制混凝土时宜优先选用 II 区砂。当采用丨区砂时.应提高砂率.并保持足够的水泥用量.满足混凝土的和易性;当采用 III 区砂时.宜适当降低砂率;当采用特细砂时.应符合相应的规定。5、配制泵送混凝土.宜选用中砂。6、特细砂一般没有筛余.只有些区有些筛余。注意问题:细度模数和颗...

1、当您付费下载文档后,您只拥有了使用权限,并不意味着购买了版权,文档只能用于自身使用,不得用于其他商业用途(如 [转卖]进行直接盈利或[编辑后售卖]进行间接盈利)。
2、本站所有内容均由合作方或网友上传,本站不对文档的完整性、权威性及其观点立场正确性做任何保证或承诺!文档内容仅供研究参考,付费前请自行鉴别。
3、如文档内容存在违规,或者侵犯商业秘密、侵犯著作权等,请点击“违规举报”。

碎片内容

《普通砂石质量和检验方法标准》

确认删除?
VIP
微信客服
  • 扫码咨询
会员Q群
  • 会员专属群点击这里加入QQ群
客服邮箱
回到顶部