电脑桌面
添加小米粒文库到电脑桌面
安装后可以在桌面快捷访问

柜式七氟丙烷气体灭火系统施工流程

柜式七氟丙烷气体灭火系统施工流程_第1页
1/8
柜式七氟丙烷气体灭火系统施工流程_第2页
2/8
柜式七氟丙烷气体灭火系统施工流程_第3页
3/8
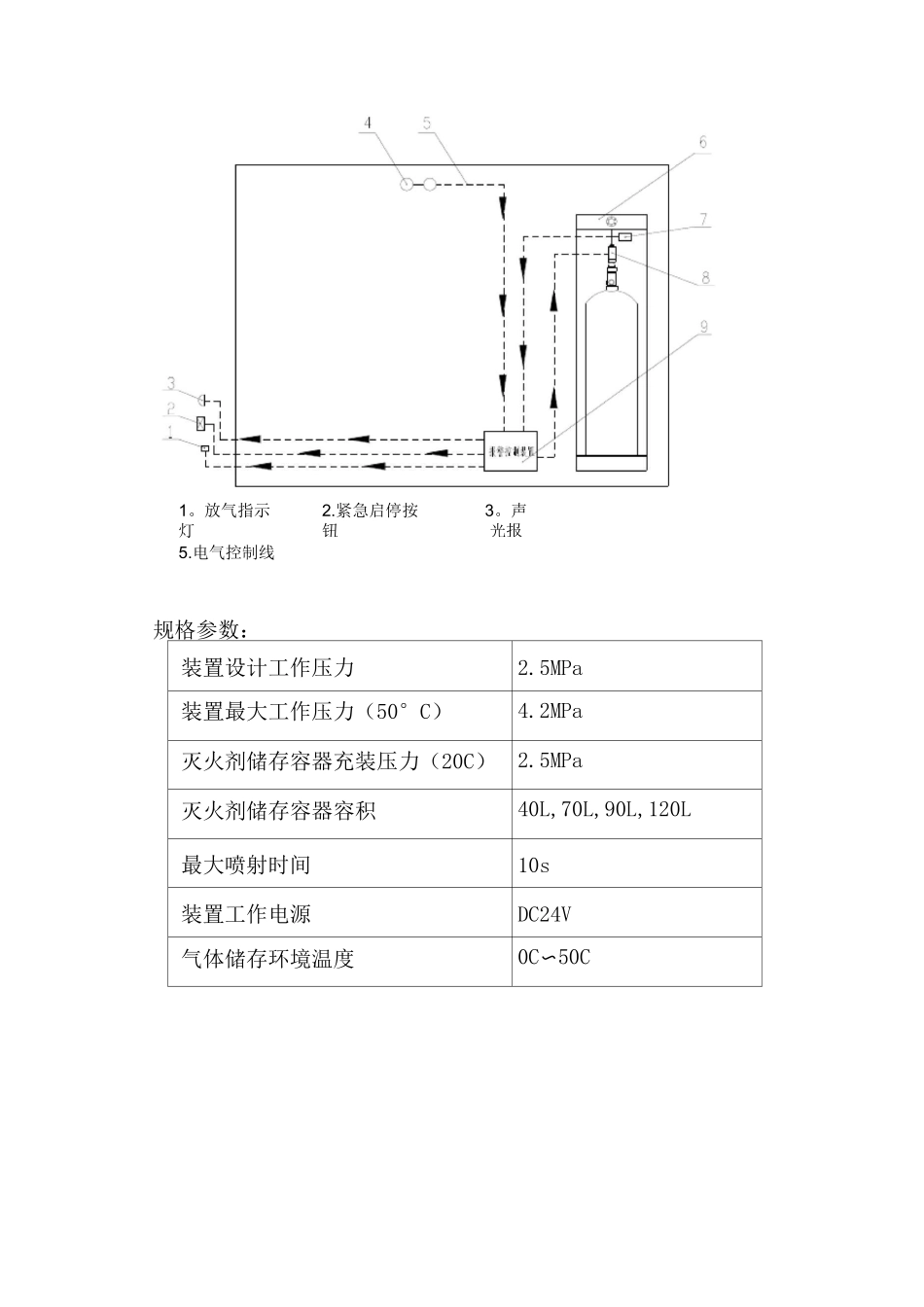
柜式七氟丙烷气体灭火系统施工流程1。1 系统简介我厂生产的无管网自动灭火装置是气体灭火技术应用之一,具有轻便、可移动、安装灵活的特点,外表美观,不破坏防护区内的整洁,火灾时能自动启动喷放灭火剂的灭火装置。喷射时间短,灭火速度快该装置可配装我公司生产的柜式灭火系统专用的单区气体控制盘(见GST 单区气体控制盘安装使用说明书).启动方式为自动控制、手动电气控制和机械应急手动控制三种。自动控制、手动电气控制可进行切换。一般情况下应使用手动控制,在保护区无人的情况下可以转换为自动控制。当自动控制和手动电气控制不能执行时,应采用机械应急手动控制。柜式灭火装置不用设置专用的储瓶间,整个柜体设置在防护区内,适用于计算机房、档案馆、贵重物品库、通讯机房等空间较小的防护区,几台柜式装置联用也可以保护较大的防护区。当建筑物内无法设置专用的储瓶间,或虽然有储存间,但输送距离较远,不能满足工程设计要求,或防护区内不便安装系统管网时,可使用本装置.图例:规格参数:装置设计工作压力2.5MPa装置最大工作压力(50°C)4.2MPa灭火剂储存容器充装压力(20C)2.5MPa灭火剂储存容器容积40L,70L,90L,120L最大喷射时间10s装置工作电源DC24V气体储存环境温度0C〜50C1。放气指示灯5.电气控制线2.紧急启停按钮3。声光报1.2 系统安装本系统的安装场所应符合下列要求:(1)环境温度为 0°C~50°C,且干燥、通风良好;(2)空气中不得含有易爆、导电尘埃及腐蚀部件的有害物质,否则必须予以保护,装置不得受到震动和冲击;(3)整个柜体必须能安装平稳,不允许倾斜;(4)防护区灭火时应保持封闭条件,除泄压口以外的开口,以及用于该防护区的通风机和通风管道中的防火阀,在喷放七氟丙烷之前,应做到关闭;(5)当设有外开弹性闭门器或弹簧门时,如果其开口面积不小于泄压口计算面积,不须另设泄压口.(6)安装在防护区里的位置应选择能避免接近热源和太阳光直接照射的地方,并靠近墙体安装。喷嘴的喷射方向应朝防护区.本系统安装时,应按照下列顺序进行:1.将柜体放置在保护区内指定位置。2. 将灭火剂瓶组放入柜体中,位置靠后并居中,放入时不得产生过大冲击,不得使瓶组倾倒.3. 用连接螺母连接管路组件与瓶组的容器阀出口,注意与容器阀出口连接需要先将连接螺母拧到管路上(此处为左旋螺纹),旋入深度为连接管的密封圆弧面与连接螺母的右端螺纹底面基本重合,再将右端螺纹与容器阀出口连接(手力拧紧)。4. 观察喷嘴安装管是否与柜体...

1、当您付费下载文档后,您只拥有了使用权限,并不意味着购买了版权,文档只能用于自身使用,不得用于其他商业用途(如 [转卖]进行直接盈利或[编辑后售卖]进行间接盈利)。
2、本站所有内容均由合作方或网友上传,本站不对文档的完整性、权威性及其观点立场正确性做任何保证或承诺!文档内容仅供研究参考,付费前请自行鉴别。
3、如文档内容存在违规,或者侵犯商业秘密、侵犯著作权等,请点击“违规举报”。

碎片内容

柜式七氟丙烷气体灭火系统施工流程

您可能关注的文档

确认删除?
VIP
微信客服
  • 扫码咨询
会员Q群
  • 会员专属群点击这里加入QQ群
客服邮箱
回到顶部