电脑桌面
添加小米粒文库到电脑桌面
安装后可以在桌面快捷访问

土木工程例题解析 驼峰堰进水闸海漫等几部分组成VIP免费

土木工程例题解析 驼峰堰进水闸海漫等几部分组成_第1页
1/18
土木工程例题解析 驼峰堰进水闸海漫等几部分组成_第2页
2/18
土木工程例题解析 驼峰堰进水闸海漫等几部分组成_第3页
3/18
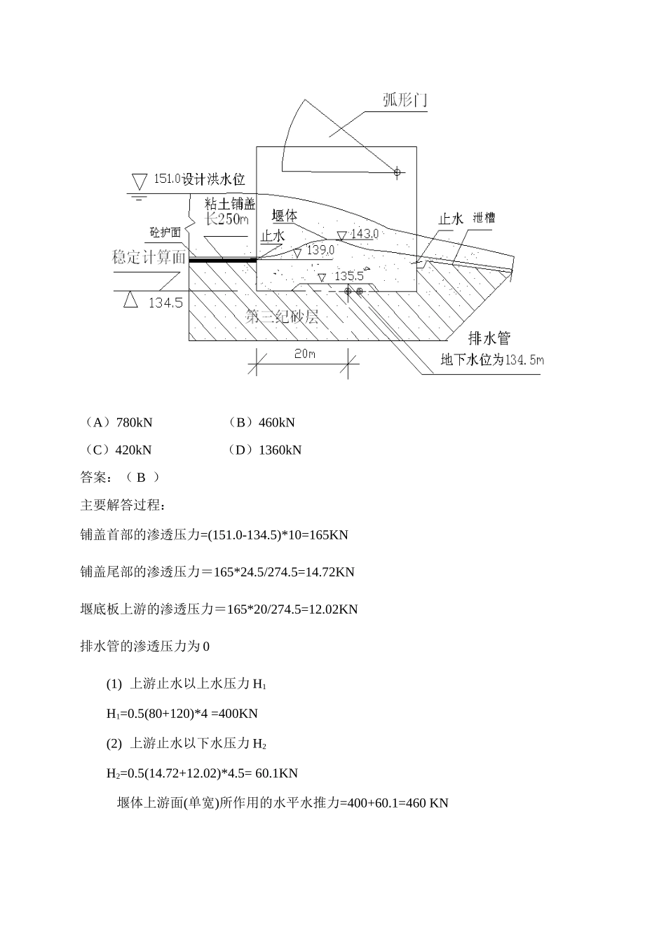
4~6.某大型工程,位于8度地震区。主坝为粘土均质坝,受地形的限制,为满足泄洪要求,在主、副坝联接处建有溢洪道,设计洪水泄流量为8300m3/s,溢洪道基础位于第三纪砂层上。溢洪道采用直线布置,由驼峰堰进水闸、泄槽、一级消力池、二级消力池、三级消力池以及海漫等几部分组成。堰体为驼峰堰型,长28m,上游设壤土铺盖,厚2~3m,长250m,渗透系数为1×10-6cm/s,铺盖下砂层渗透系数为3×10-3cm/s。堰体下设两条横向(垂直水流)排水管,并与堰体两侧边边墙外纵向排水管相联,横向排水管内地下水位高程为134.5m。堰体结构简图及设计洪水过水时的受力状态见附图。泄槽两侧挡墙为直墙式,并对称扩散,进口堰末泄槽起点宽131.5m,流速为13.15m/s,水深4.8m;泄槽末端处宽170m,流速为21.23m/s,水深2.3m。泄槽底板下设有反滤层和网状排水沟,纵横向排水沟布置在泄槽底板下,横向排水沟自溢洪道中心向两侧以5%的坡度引边墙外排水廊道内。第三纪砂层相对密度为0.80。由颗粒级配曲线查得小于各粒径重量占总重量的百分数如下表:砂的粒径di(mm)0.0140.0300.0500.0600.1200.1700.250.301.051.001.408.00对应粒径占(%)5101520304050607080851004.判断溢洪道泄槽(陡槽)满足水流扩散所需要的沿水流方向的最小水平投影长度,下列哪一项能满足最低要求?(A)190m(B)170m(C)150m(D)130m答案:(B)主要解答过程:溢洪道泄槽边墙扩散角可按《溢洪道设计规范》附录A.3中公式A.3.2-2计算,tgQ=(g*h)1/2/k/v式中:h—扩散段首、未端平均水深;v—扩散段首、未端平均流速;k—经验系数,取3.0;h=0.5(4.8+2.3)=3.55mv=0.5(13.15+21.23)=17.19m/stgQ=(g*h)1/2/k/v=(9.81*3.55)1/2/3/17.19=0.114溢洪道泄槽满足水流扩散所需要的沿水流方向的最小水平投影长度L:L=0.5(170-131.5)/0.114=168.9m5.当设计洪水泄洪,闸门全开堰体过水时,(顺水流方向)影响堰体(单宽)稳定的除有结构自重及其上的永久设备重量、土压力外,还有哪些基本荷载?(A)设计洪水位时的扬压力和地震荷载(B)设计洪水位时的扬压力和泄流时的水压力(C)设计洪水位时的静水压力和地震荷载(D)设计洪水位时的静水压力和波浪压力答案:(B)主要解答过程:6.由上述条件,下列哪一选项最接近高程134.5m以上堰体上游面(单宽)所作用的水平水推力的计算值?(按时均压强计算,忽略铺盖厚度,堰趾至横向排水沟的渗径长度按20m计,堰体过水如图示)。下列选项中水平水推力计算值,哪一项是比较正确的?(A)780kN(B)460kN(C)420kN(D)1360kN答案:(B)主要解答过程:铺盖首部的渗透压力=(151.0-134.5)*10=165KN铺盖尾部的渗透压力=165*24.5/274.5=14.72KN堰底板上游的渗透压力=165*20/274.5=12.02KN排水管的渗透压力为0(1)上游止水以上水压力H1H1=0.5(80+120)*4=400KN(2)上游止水以下水压力H2H2=0.5(14.72+12.02)*4.5=60.1KN堰体上游面(单宽)所作用的水平水推力=400+60.1=460KN7.某装机450MW的坝后水电站内有2500kN/300kN的桥机,桥机轨道梁采用钢筋混凝土T形梁。在进行吊车梁计算配筋时,需要确定T形梁的结构重要性系数γ0,桥机竖向荷载的动力系数γQ,结构系数γd。以下哪一选项是正确的?(A)γ0=1.1,γQ=1.05,γd=1.3(B)γ0=1.0,γQ=1.05,γd=1.2(C)γ0=1.0,γQ=1.2,γd=1.2(D)γ0=1.0,γQ=1.1,γd=1.2答案:(B)主要解答过程:《水利水电工程第级划分与洪水标准》规定装机450MW为大(Ⅱ)型工程,厂房是主要建筑物,应为2级建筑物。《水电站厂房设计规范》第4.1.3条规定,2级建筑物结构重要性系数γ0=1.0;第4.1.8条规定,桥机竖向荷载的动力系数γQ=1.05;《水工混凝土结构设计规范》第4.2.1条规定,结构系数γd=1.2。8.有一素混凝土柱,混凝土强度等级C15,计算长度l0=3.6m,截面尺寸b×h=300×500mm2,轴向力设计值N=480kN,轴向力作用点至截面重心作用点距离e0=100mm,如图所示。经复核,该柱截面安全。以下哪一个数值最接近该素混凝土柱的受压承载力?(A)600kN(B)710kN(C)480kN(D)520kN答案:(C)主要解答过程:《水工混凝土结构设计规范SL/T191-96》条文5.2.1,5.2.2公式5.2.2~1,5...

1、当您付费下载文档后,您只拥有了使用权限,并不意味着购买了版权,文档只能用于自身使用,不得用于其他商业用途(如 [转卖]进行直接盈利或[编辑后售卖]进行间接盈利)。
2、本站所有内容均由合作方或网友上传,本站不对文档的完整性、权威性及其观点立场正确性做任何保证或承诺!文档内容仅供研究参考,付费前请自行鉴别。
3、如文档内容存在违规,或者侵犯商业秘密、侵犯著作权等,请点击“违规举报”。

碎片内容

土木工程例题解析 驼峰堰进水闸海漫等几部分组成

确认删除?
VIP
微信客服
  • 扫码咨询
会员Q群
  • 会员专属群点击这里加入QQ群
客服邮箱
回到顶部