电脑桌面
添加小米粒文库到电脑桌面
安装后可以在桌面快捷访问

第一章原子结构与结合键至第十章 材料的强韧化 简答题汇总VIP免费

第一章原子结构与结合键至第十章  材料的强韧化  简答题汇总_第1页
1/20
第一章原子结构与结合键至第十章  材料的强韧化  简答题汇总_第2页
2/20
第一章原子结构与结合键至第十章  材料的强韧化  简答题汇总_第3页
3/20
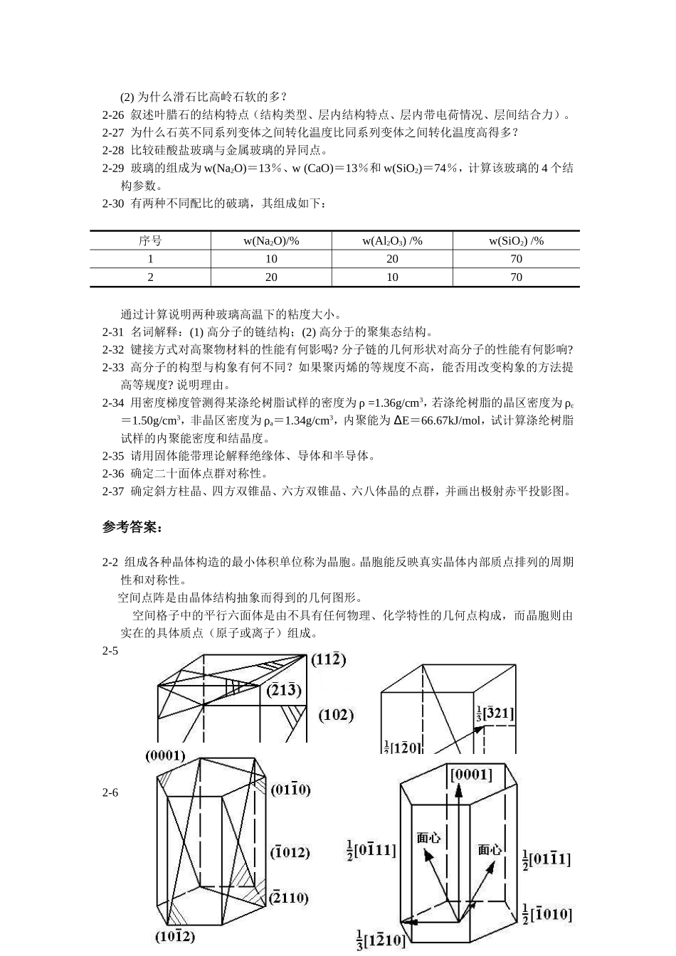
第一章原子结构与结合键习题1-1计算下列粒子的德布罗意波长:(1)质量为10-10kg,运动速度为0.01m·s-1的尘埃;(2)速度为103m/s的氢原子;(3)能量为300eV的自由电子。1-2怎样理解波函数ψ的物理意义?1-3在原子结构中,ψ2和ψ2dτ代表什么?1-4写出决定原子轨道的量子数取值规定,并说明其物理意义。1-5试绘出s、p、d轨道的二维角度分布平面图。1-6多电子原子中,屏蔽效应和钻穿效应是怎样影响电子的能级的?1-7写出下列原子的基态电子组态(括号内为原子序号):C(6),P(15),Cl(17),Cr(24)。1-8形成离子键有哪些条件?其本质是什么?1-9试述共价键的本质。共价键理论包括哪些理论?各有什么缺点?1-10何谓金属键?金属的性能与金属键关系如何?1-11范德华键与氢键有何特点和区别?参考答案:1-1利用公式λ=h/p=h/mv、E=hν计算德布罗意波长λ。1-8离子键是由电离能很小、易失去电子的金属原子与电子亲合能大的非金属原子相互作用时,产生电子得失而形成的离子固体的结合方式。1-9共价键是由相邻原子共有其价电子来获得稳态电子结构的结合方式。共价键理论包括价键理论、分子轨道理论和杂化轨道理论。1-10当大量金属原子的价电子脱离所属原子而形成自由电子时,由金属的正离子与自由电子间的静电引力使金属原子结合起来的方式为金属建。由于存在自由电子,金属具有高导电性和导热性;自由电子能吸收光波能量产生跃迁,表现出有金属光泽、不透明;金属正离子以球星密堆方式组成,晶体原子间可滑动,表现出有延展性。第二章材料的结构习题2-1定义下述术语,并注意它们之间的联系和区别。晶系,空间群,平移群,空间点阵。2-2名词解释:晶胞与空间格子的平行六面体,并比较它们的不同点。2-3(1)一晶面在x、y、z轴上的截距分别为2a、3b和6c,求出该晶面的米勒指数。(2)一晶面在x、y、z轴上的截距分别为a/3、b/2和c,求出该晶面指数。2-4在立方晶系的晶胞中画出下列米勒指数的晶面和晶向:(001)与[20],(111)与[11],(10)与[111],(2)与[236],(257)与[11],(123)与[11]。2-5在立方晶系的晶胞中画出下列米勒指数的晶面和晶向:(102),(11),(1),[110],[11],[10]和[21]。2-6在六方晶胞中画出下列的晶面和晶向:(0001),(010),(110),(102),(012),[0001],[010],[110],[011]。2-7(1)写出六方体、八面体、六八面体、单形号分别为{100}、{111}、和{321}的晶面符号.(2)写出六方晶系的晶胞晶面族为{100}、{111}、{321}的等价晶面指数。2-8写出六方晶系晶胞的{110}和{102}晶面族的等价晶面指数。2-9求(1)由面(121)与(100)所决定的晶带轴指数和(100)与(010)所决定的晶带轴指数。(2)由晶向[001]与[111]所决定的晶面指数和[010]与[100]所决定的晶面指数。2-10(1)已知室温下α-Fe的点阵常数为0.286nm,分别求(100)、(110)、(123)的晶面间距。(2)已知916℃时γ-Fe的点阵常数为0.365nm,分别求出(100)、(111)和(112)的晶面间距。2-11(1)a≠b≠c、α=β=γ=90°的晶体属于什么晶族和晶系?(2)a≠b≠c、α≠β≠γ=90°的晶体属于什么晶族和晶系?(3)你能否据此确定这2种晶体的布拉维点阵?2-12写出面心立方格子的单位平行六面体上所有结点的坐标。2-13根据对称要素组合规律,分别确定下列各种情况下对称要素的组合。①L2⊥L2,L2⊥L4,L2⊥L6;②P⊥L2,P⊥L4,P⊥L6;③P+L2(对称面包含L2),P+L3,P+L4,P+L6。2-14确定MgO、TlCl3、GaAs、ThO2、SnO2晶体结构的点群、空间群、晶族晶系、质点的空间坐标、正负离子的配位数、晶体的键型、一个晶胞占有正负离子的数目和堆积系数。2-15已知Cs+半径为0.170nm,Cl-半径为0.181nm,计算堆积系数(堆积系数=V/a3=一个晶胞占有正负离子的体积/一个晶胞的体积)。2-16已知Mg2+半径为0.072nm,O2-半径为0.140nm,计算MgO结构的堆积系数。2-17计算体心立方、面心立方、密排六方晶胞中的原子数、配位数和堆积系数。2-18用米勒指数表示出体心立方、面心立方、密排六方结构中的原子密排晶面和原子密排晶向。2-19Ag和Al都是面心立方结构,且原子半径相似,r(Ag)=0.288nm,r(Al)=0.286nm,但都不能形成连续(无限)固溶体,为什么?2-20下列合金相属什么类型?指...

1、当您付费下载文档后,您只拥有了使用权限,并不意味着购买了版权,文档只能用于自身使用,不得用于其他商业用途(如 [转卖]进行直接盈利或[编辑后售卖]进行间接盈利)。
2、本站所有内容均由合作方或网友上传,本站不对文档的完整性、权威性及其观点立场正确性做任何保证或承诺!文档内容仅供研究参考,付费前请自行鉴别。
3、如文档内容存在违规,或者侵犯商业秘密、侵犯著作权等,请点击“违规举报”。

碎片内容

第一章原子结构与结合键至第十章 材料的强韧化 简答题汇总

您可能关注的文档

文章天下+ 关注
实名认证
内容提供者

各种文档应有尽有

确认删除?
VIP
微信客服
  • 扫码咨询
会员Q群
  • 会员专属群点击这里加入QQ群
客服邮箱
回到顶部