电脑桌面
添加小米粒文库到电脑桌面
安装后可以在桌面快捷访问

桩板墙施工方案

桩板墙施工方案_第1页
1/17
桩板墙施工方案_第2页
2/17
桩板墙施工方案_第3页
3/17
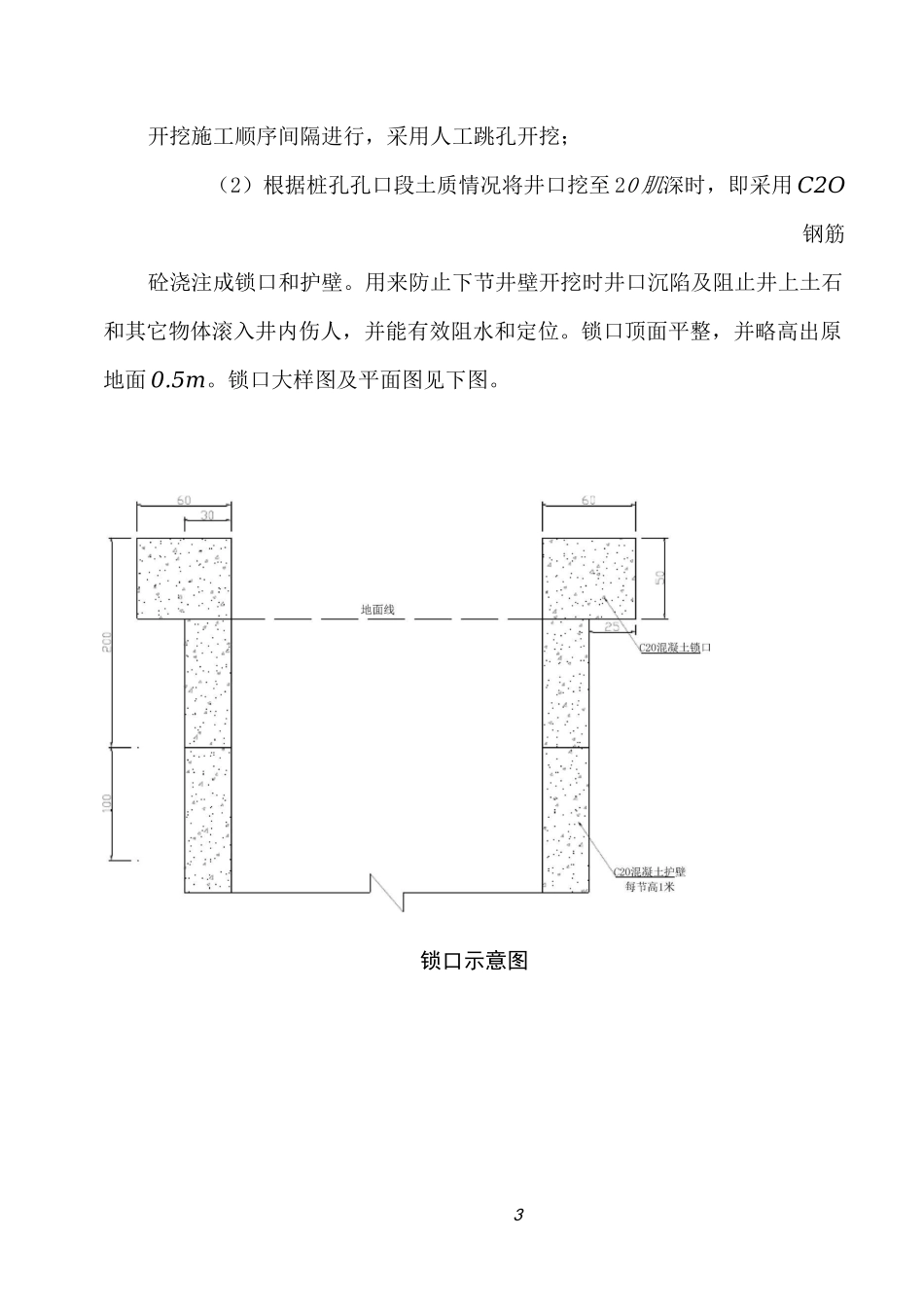
1—、工程概况二、施工方法施工准备桩身开挖及支护5、6、桩身钢筋安装及混凝土浇注挡土板预制及吊装预应力锚索工程实施步骤及注意事项主要机械设备计划表四、劳动力组织计划表五、安全控制措施六、质量控制措施♦♦♦♦♦♦,2♦♦♦♦♦♦333891318♦♦♦♦♦♦♦192122目录2、工程概况新建赣韶铁路 DK7+OO5〜DK7+138 段路基位于南康盆地低山丘陵区,丘陵植被茂盛,以松树、杉树、灌木为主。地层岩性主要为硬塑性粉质粘土及全风化、强风化、弱风化板岩,分别呈灰黄色、褐黄色、青灰色。地下水主要为基岩裂隙水,福存于震旦系板岩中,主要接受大气降水和地表水的补给,水量较小,水质较好,对混凝土无侵蚀性。该段中心最大挖方深度达到 23m,边坡最大高度约 30m,设计于 DK7+005〜DK7+138 段线路左侧设置预应力锚索桩板式路堑挡土墙,桩板墙长 133 米,截面尺寸 2.omX2.75m,桩间距 6.om 设置 22 根锚固桩。DK7+006、+012、+01&+024、+030、+036、+042、+048、+054、+060、+066、+072、+078、+084、+090、+096、+102、+108、+114、+120、+126、+132 处分别设桩长为 20m 的锚固桩,桩自由端长度 10m,锚固段长度 10m。桩顶设 5m 宽边坡平台,厚度为 0.4m。(具体情况见设计图)。为防止桩顶水平位移过大而导致边坡防护变形严重,在桩顶截面中心预留锚索穿孔,采用预应力锚索加强,每束钢绞线施加 100KN 的预应力,锚索长 20 米,其中锚固段长度为 10 米,每根锚索采用 6 根 7-15.2 钢绞线组成。DK7+133于桩板墙与挡土墙交界处设置端头墙。墙身材料采用 C25 片石混凝土。DK7+133〜DK7+138 左侧设置路堑挡土墙,墙高从 6m 逐渐降低至 4m。基础埋深 2m(具体见设计图)。3开挖施工顺序间隔进行,采用人工跳孔开挖;(2)根据桩孔孔口段土质情况将井口挖至 20 肌深时,即采用 C2O钢筋砼浇注成锁口和护壁。用来防止下节井壁开挖时井口沉陷及阻止井上土石和其它物体滚入井内伤人,并能有效阻水和定位。锁口顶面平整,并略高出原地面 0.5m。锁口大样图及平面图见下图。锁口示意图目录4说明:1、本图单位以厘米计;2、锁口高出地面 0.5 米,采用 C20 混凝土浇注。(3)为减轻开挖时对井壁的震动,土质地段采用人工从上到下逐段用镐、锹进行,坚硬土层用锤、钎或风镐破碎,挖土次序先中间后周边挖孔软岩地段采用人工配合风镐进行,桩基嵌岩深度范围不得采用爆破施工。开挖采取边挖边护的方法。开挖过程中遇到地质破碎的地带用...

1、当您付费下载文档后,您只拥有了使用权限,并不意味着购买了版权,文档只能用于自身使用,不得用于其他商业用途(如 [转卖]进行直接盈利或[编辑后售卖]进行间接盈利)。
2、本站所有内容均由合作方或网友上传,本站不对文档的完整性、权威性及其观点立场正确性做任何保证或承诺!文档内容仅供研究参考,付费前请自行鉴别。
3、如文档内容存在违规,或者侵犯商业秘密、侵犯著作权等,请点击“违规举报”。

碎片内容

桩板墙施工方案

您可能关注的文档

确认删除?
VIP
微信客服
  • 扫码咨询
会员Q群
  • 会员专属群点击这里加入QQ群
客服邮箱
回到顶部