电脑桌面
添加小米粒文库到电脑桌面
安装后可以在桌面快捷访问

边坡(喷锚)验收资料

边坡(喷锚)验收资料_第1页
1/12
边坡(喷锚)验收资料_第2页
2/12
边坡(喷锚)验收资料_第3页
3/12
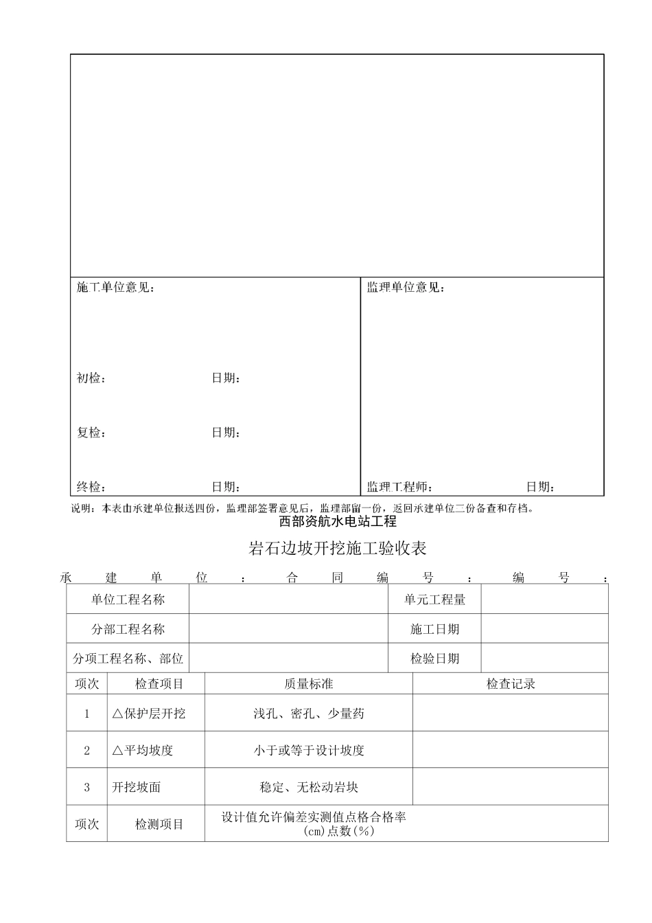
西部资航水电站工程锚杆施工验收表承建单位:合同号:编号:单位工程名称单元工程量分部工程名称施工日期分项工程名称、部位检验日期项次检查项目规定值或设计值检查记录1孔数(或杆数)长度 450cm2孔深(cm)440(偏差±5)3孔轴方向垂直于结勾面或符合设计要求4孔位偏差(cm)小于 105A 砂浆配合比0.45:1:26A 锚杆孔清理无岩粉、积水7锚杆A 材质II 级直径(mm)25长度(cm)4508排水孔数深间距喷锚支护钢筋网施工验收表承建单位:合同编号:编号:单位工程名称路基工程单元工程量分部工程名称砌筑工程施工日期分项工程名称、部位喷锚支护检验日期项次检查项目规定值或设计值检查记录1A 材质I 级2直径(mm)6.53钢筋间距(mm)2004钢筋网与基岩面距离(mm)305钢筋绑扎牢靠6钢筋网与锚杆连接焊接西部资航水电站工程岩石边坡开挖施工验收表承建单位:合同编号:编号:单位工程名称单元工程量分部工程名称施工日期分项工程名称、部位检验日期项次检查项目质量标准检查记录1△保护层开挖浅孔、密孔、少量药2△平均坡度小于或等于设计坡度3开挖坡面稳定、无松动岩块项次检测项目设计值允许偏差实测值点格合格率(cm)点数(%)1坡脚标咼+20-102坡面局部超欠挖斜长W15m+30-203斜长>15m+75-30检测结果共检测点,其中合格点,合格率%评定意见单元工程质量等级主要检测项目全部符合质量标准。一般检查项目质量标准。检查项目实测点合格率%。施工单位意见:初检:日期:复检:日期:终检:日期:监理单位意见:监理工程师:日期:说明:本表由承建单位报送四份,监理部签署意见后,监理部留一份,返回承建单位三份备查和存档。西部资航水电站工程锚喷支护单元工程质量评定表承建单位:合同编号:编号:单位工程名称单元工程量分部工程名称施工日期分项工程名称、部位检验日期项次项目名称工序质量等级1锚杆、钢筋网西部资航水电站工程锚喷支护锚杆、钢筋网工序质量评定表承建单位:合同编号:编号:单位工程名称单元工程量分部工程名称施工日期分项工程名称、部位检验日期项次检查项目质量标准检查记录1△锚杆材质和砂浆标号符合设计要求(©25 锚杆,M20 砂浆)2△锚孔清理无岩粉、积水3△砂浆锚杆抗拔力符合设计和规范要求4△预应力锚杆张拉力符合设计和规范要求5钢筋材质、规格、尺寸符合设计要求©6.5,间距200cm项次检测项目设计值质量标准允许偏差(cm)实测值(单位:项次 1、3、4、5为 cm)合格数(点)合格率(%)1孔位偏差200cm小于...

1、当您付费下载文档后,您只拥有了使用权限,并不意味着购买了版权,文档只能用于自身使用,不得用于其他商业用途(如 [转卖]进行直接盈利或[编辑后售卖]进行间接盈利)。
2、本站所有内容均由合作方或网友上传,本站不对文档的完整性、权威性及其观点立场正确性做任何保证或承诺!文档内容仅供研究参考,付费前请自行鉴别。
3、如文档内容存在违规,或者侵犯商业秘密、侵犯著作权等,请点击“违规举报”。

碎片内容

边坡(喷锚)验收资料

您可能关注的文档

确认删除?
VIP
微信客服
  • 扫码咨询
会员Q群
  • 会员专属群点击这里加入QQ群
客服邮箱
回到顶部