电脑桌面
添加小米粒文库到电脑桌面
安装后可以在桌面快捷访问

TNCS系统正确的接线和接地

TNCS系统正确的接线和接地_第1页
1/9
TNCS系统正确的接线和接地_第2页
2/9
TNCS系统正确的接线和接地_第3页
3/9
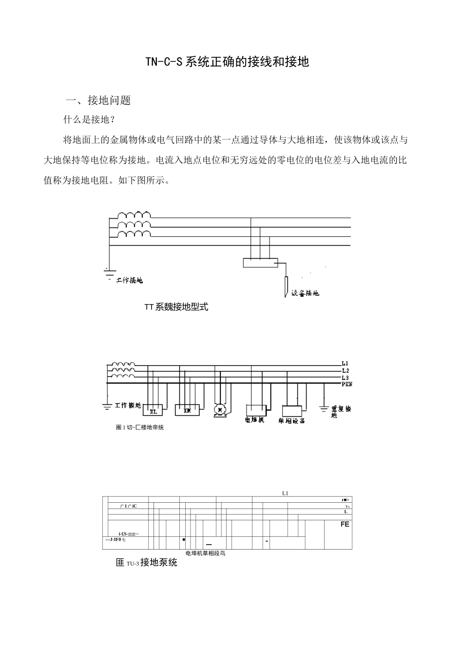
TN-C-S 系统正确的接线和接地一、接地问题什么是接地?将地面上的金属物体或电气回路中的某一点通过导体与大地相连,使该物体或该点与大地保持等电位称为接地。电流入地点电位和无穷远处的零电位的电位差与入地电流的比值称为接地电阻。如下图所示。TT 系魏接地型式圈 1 切-匚楼地帝统L1r■>广 1 广 iCTHL3i-£S-出出一FE—J-IF0 七■--电埠机草相段鸟匪 TU-3接地泵统上面三个图中,一个是设备单独做接地装置,设备直接接地,第二个是设备接 PEN 线,第三个是设备接 PE 线,我们把这几种做法都叫做接地。根据 IEC 规定和最新规范《民用建筑电气设计规范》JGJ16-2008 和其他规范规定,我们现在更正一个概念:1、今后不再用“接零”这一述语,而用 TT、TN-S、TN-C-S 等系统名词代替,而将“接地”作为以上做法的统称。在《建筑电气工程施工质量验收规范》GB50303-2002 中还在用“接零”这一术语,在规范《民用建筑电气设计规范》JGJ16-2008,已明确不再用。该《规范》条文说明第 12.3.1 条叙述如下:与原规范基本一致,取消了有架空线路的保护部分。这里要注意的是原规范中,用的“接零”和“接地”的概念,修订后就不再采用了,而是用 TN-C-S、TN-S 及 TT 等系统名称代替,而将“接地”作为以上做法的统称。现在,《建筑电气工程施工质量验收规范》GB50303-2002 还沿用“接零”和“接地”术语,估计修改时也会一致起来。2、不再用“零线”这一术语。所谓“零线”是历史产物,20 世纪 50 年代我国师从前苏联,电力工业也不例外,在低压接地系统中采用前苏联的接地系统,就沿用“零线”这一术语。当时的“零线”是“中性线”的别称,二者等同、混用。当时的接零系统,就是IEC 标准和现行国家规范中的 TN-C 系统,而当时说的“零线”就是 TN-C 系统中的 PEN 线。国家规范《系统接地的型式及安全技术要求》GB14050-2008 对中性导体(N)、保护导体(PE)和保护接地中性导体(PEN)的术语如下:中性导体(N)—连接到系统中性点上并能提供传输电能的导体。保护导体(PE)—用于在故障情况下防止电击所采用保护措施的导体。保护接地中性导体(PEN)—同时具有保护接地导体和中性导体功能的导体。我建议,在我们的监理工作中,要按国家规范的规定正确使用电工术语。3、不用“触电”一词,而用标准术语“电击”。国家规范《电气安全术语》GB4776-2008 给“电击”的解释(术语)如下:电击—电流通过人体或动物体而引起...

1、当您付费下载文档后,您只拥有了使用权限,并不意味着购买了版权,文档只能用于自身使用,不得用于其他商业用途(如 [转卖]进行直接盈利或[编辑后售卖]进行间接盈利)。
2、本站所有内容均由合作方或网友上传,本站不对文档的完整性、权威性及其观点立场正确性做任何保证或承诺!文档内容仅供研究参考,付费前请自行鉴别。
3、如文档内容存在违规,或者侵犯商业秘密、侵犯著作权等,请点击“违规举报”。

碎片内容

TNCS系统正确的接线和接地

确认删除?
VIP
微信客服
  • 扫码咨询
会员Q群
  • 会员专属群点击这里加入QQ群
客服邮箱
回到顶部