电脑桌面
添加小米粒文库到电脑桌面
安装后可以在桌面快捷访问

JIS-D4218-1989-汽车轮辋轮廓尺寸(中文版)VIP专享VIP免费

JIS-D4218-1989-汽车轮辋轮廓尺寸(中文版)_第1页
1/19
JIS-D4218-1989-汽车轮辋轮廓尺寸(中文版)_第2页
2/19
JIS-D4218-1989-汽车轮辋轮廓尺寸(中文版)_第3页
3/19
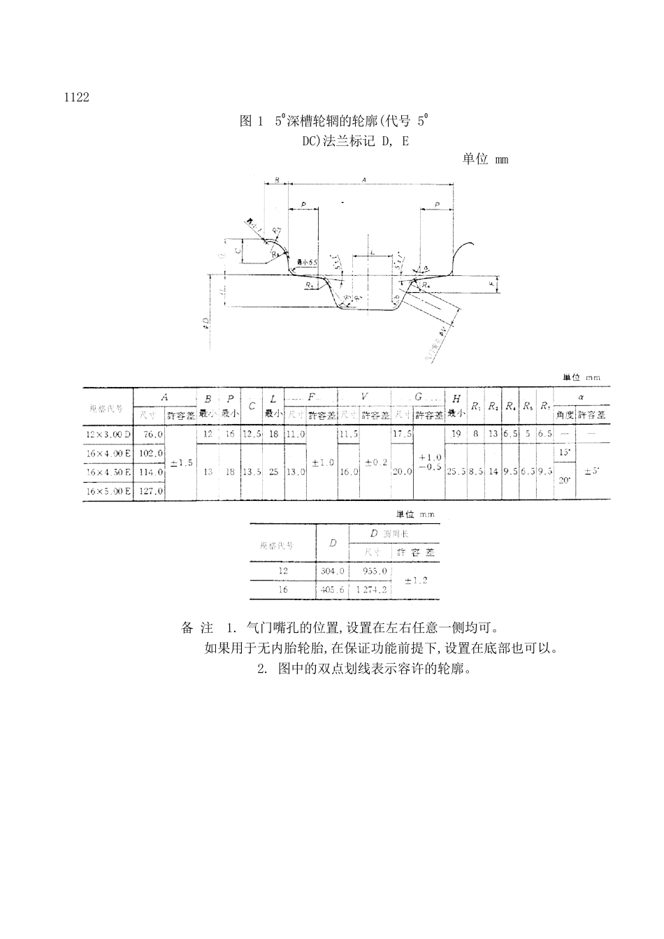
1121D4218-1989汽车轮辋轮廓尺寸1.适用范围本规格对汽车轮辋(以下通称轮辋)与轮胎结合部分的轮廓尺寸作出规定。但是,摩托车,专用车辆,工程车辆,农用车辆除外。备注1.ISO4000-2(乘用车的轮胎和轮辋-第二部分)和ISO4209-2(卡车和大客车的轮胎和轮辋(公制系列)对轮辋法兰部分进行过修订,修订过的轮辋法兰带有记号B和J,其轮廓尺寸参见附件1。2.少量生产的汽车轮辋和修配用的轮辋,其轮廓尺寸参见附件2。2.轮辋轮廓的种类轮辋轮廓的种类参见下列表格。表格轮辋轮廓种类轮廓种类形状标记图法兰形状代号峰包形状(1)适用轮胎(2)(参考)50深槽轮辋50DC图1D,E----乘用车轮胎轻型卡车轮胎小型卡车轮胎图2.1,2.2B,J,JJ,K----图3.1,3.2B,J,JJ,KRH图4JSL图5.1,5.2B,J,JJ,KFH图6T型(3)FH乘用车T型应急轮胎(4)浅槽轮辋SDC图7.1,7.2E,F,GS----小型卡车轮胎宽幅平式轮辋IRA图8.1,8.2S,T,V,W1----卡车和大客车轮胎宽幅平式轮辋IR图9.1,9.2T,V----150深槽轮辋150DC图10.1图10.2--------小型卡车轮胎,卡车和大客车轮胎注(1)根据JISD4102(车轮和轮辋的种类,名称,代号)中的图2,胎圈座轮廓部分的名称。(2)根据JISD4202(汽车轮胎种类)(3)表示为乘用车T型应急轮胎专用轮辋。(4)参照JISD4230(汽车轮胎)3.轮辋轮廓尺寸轮辋的名称及其对应的轮廓和尺寸参见图1~图10。无公差的尺寸只标注基本尺寸。轮辋槽的尺寸和形状主要是为保证轮胎装拆方便,留出必要的最小间隙。最小间隙(图中的H,L,R5和α)如果能够保证,轮辋槽的底部有倾斜也无妨。备注轮辋的名称参见JISD4102。1122图150深槽轮辋的轮廓(代号50DC)法兰标记D,E单位mm备注1.气门嘴孔的位置,设置在左右任意一侧均可。如果用于无内胎轮胎,在保证功能前提下,设置在底部也可以。2.图中的双点划线表示容许的轮廓。1123图2.150深槽轮辋的轮廓(代号50DC)法兰标记B,J,JJ,K单位mm单位mm规格代号DD的圆周长度尺寸公差10253.2795.512304.0955.513329.41034.8±1.214354.81114.615380.21194.416405.61274.2备注1.气门嘴孔的位置,设置在左右任意一侧均可。如果用于无内胎轮胎,在保证功能前提下,设置在底部或者左侧P(胎圈座宽度)以位置也可以。2.图中的双点划线表示容许的轮廓。3.也可以使用图2.2的轮廓。4.P(胎圈座宽度)的大小已经考虑到50±10(胎圈座角度)的变化。1251124图2.1(续)注(5)对于无内胎气门嘴孔,也可以取11.5。外的1图2.2容许轮廓1126图3.1(续)注(5)使用无内胎轮胎时,也可以取11.5。单位mm规格代号DD的圆周长度尺寸公差10253.2795.5±1.212304.0955.513329.41034.814354.81114.615380.21194.416405.61274.2备注1.图中的气门嘴孔位置可以设定在左侧,也可以设定在右侧。使用无内胎气门嘴时,气门嘴孔的位置应该不影响轮胎的功能。底部或者避开左侧胎圈座宽度范围(P和图3.2的E)的位置也可以。2.图中的双点划线表示容许的轮廓。3.也可以使用图3.2的轮廓。4.P(胎圈座宽度)的大小已经考虑到50±10(胎圈座角度)的变化。1127图3.2容许轮廓备注1.图中的双点划线表示容许的轮廓。2.没有要求的部位,参见图3.1。1128图450深槽轮辋的轮廓(代号50DC)法兰标记J峰包类型SL备注图中的气门嘴孔位置可以设定在左侧,也可以设定在右侧。使用无内胎气门嘴时,气门嘴孔的位置应该不影响轮胎的功能。底部或者避开左侧胎圈座宽度范围(约20)的位置也可以。1129图5.150深槽轮辋的轮廓(代号50DC)法兰标记B,J,JJ,K峰包类型FH1130图5.1(续)备注1.图中的气门嘴孔位置可以设定在左侧,也可以设定在右侧。使用无内胎气门嘴时,气门嘴孔的位置应该不影响轮胎的功能。底部或者避开左侧胎圈座宽度范围(P和图5.2的E)的位置也可以。2.图中的双点划线表示容许的轮廓。3.也可以使用图5.2的轮廓。4.P(胎圈座宽度)的大小已经考虑到50±10(胎圈座角度)的变化。1131图5.2容许轮廓1132图7.1半深槽轮辋的轮廓(代号SDC)法兰标记E,F,GS1133图8.1宽幅平式轮辋的轮廓(代号IRA)法兰标记S,T,V,W11134图9.1宽幅平式轮辋的轮廓(代号IR)法兰标记T,V1135图10.1150深槽轮辋的轮廓(代号150DC)1136附件1ISO50深槽轮辋的轮廓本附件1为ISO4000-2(乘用车的轮胎和轮辋-第二部分:轮辋)和ISO4209-2[卡车和大客车的轮胎和轮辋(公制系列)第...

1、当您付费下载文档后,您只拥有了使用权限,并不意味着购买了版权,文档只能用于自身使用,不得用于其他商业用途(如 [转卖]进行直接盈利或[编辑后售卖]进行间接盈利)。
2、本站所有内容均由合作方或网友上传,本站不对文档的完整性、权威性及其观点立场正确性做任何保证或承诺!文档内容仅供研究参考,付费前请自行鉴别。
3、如文档内容存在违规,或者侵犯商业秘密、侵犯著作权等,请点击“违规举报”。

碎片内容

JIS-D4218-1989-汽车轮辋轮廓尺寸(中文版)

确认删除?
VIP
微信客服
  • 扫码咨询
会员Q群
  • 会员专属群点击这里加入QQ群
客服邮箱
回到顶部