电脑桌面
添加小米粒文库到电脑桌面
安装后可以在桌面快捷访问

6-35KV电气大修施工方案

6-35KV电气大修施工方案_第1页
1/33
6-35KV电气大修施工方案_第2页
2/33
6-35KV电气大修施工方案_第3页
3/33
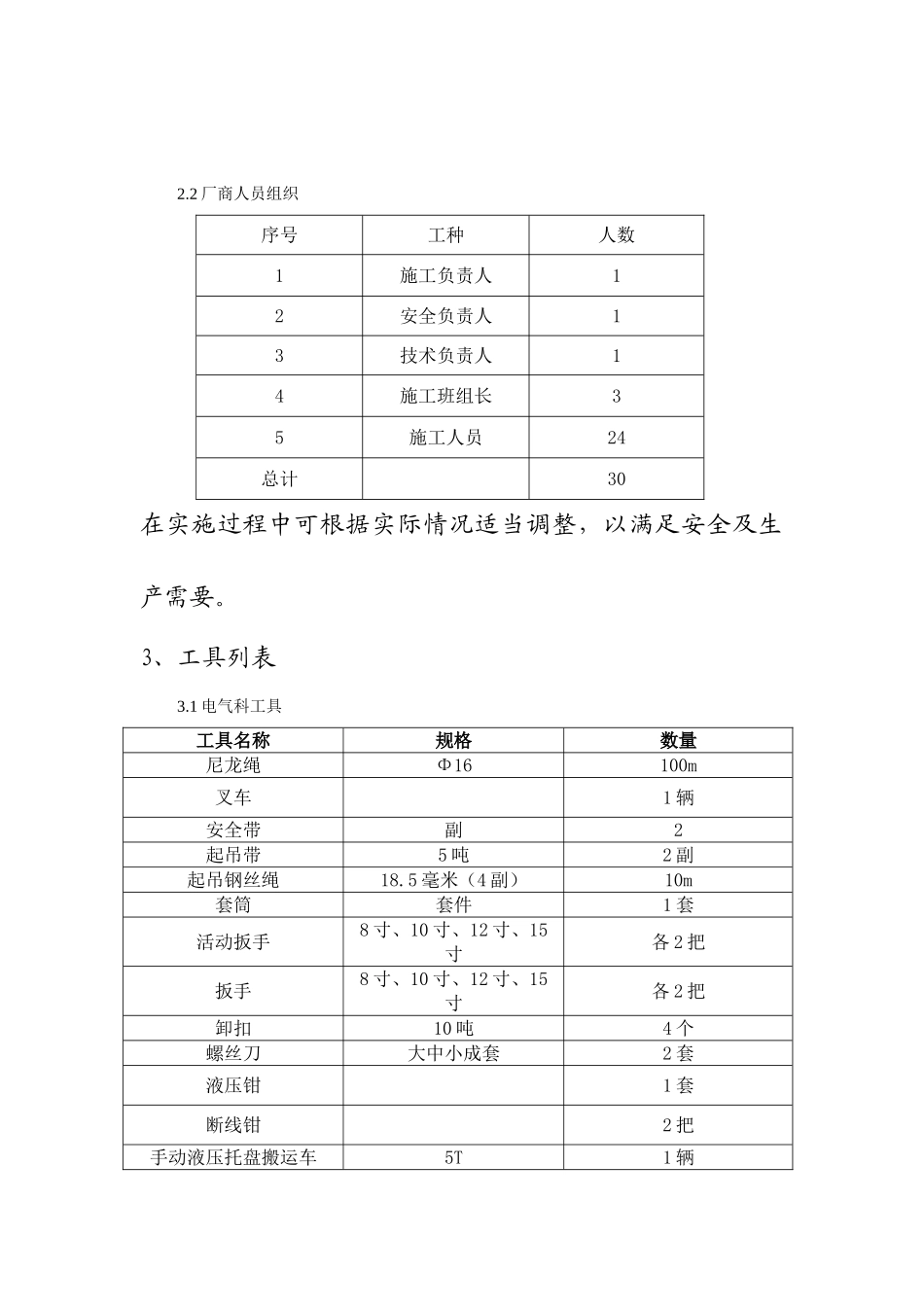
上海天马有机发光显示技术有限公司2024 年 6-35KV 电力设备预防性试验及检查保养工程岁修方案 编制: 审核: 日期: 一、工程简介1、工程概况:根据《电力设备预防性试验标准》规定:35KV 及以上配电系统预防性试验每年一次,10KV 及以下配电系统预防性试验每三年一次。上海天马有机发光显示技术有限公司本次工程主要包括:1)、35KV、6KV 电力设备的预防性试验;2)、35KV、6KV 电力设备的检修、保养;3)、0.4KV、0.21KV 电力设备检修、保养其中:1)、2)两项为厂商外包项目,3)为电气科负责实施2、施工人员组织 2.1 电气科人员组织序号工种人数1施工负责人12安全负责人13技术负责人14施工人员10总计13 2.2 厂商人员组织序号工种人数1施工负责人12安全负责人13技术负责人14施工班组长35施工人员24总计30在实施过程中可根据实际情况适当调整,以满足安全及生产需要。3、工具列表3.1 电气科工具工具名称规格数量尼龙绳Φ16100m叉车1 辆安全带副2起吊带5 吨2 副起吊钢丝绳18.5 毫米(4 副)10m套筒套件1 套活动扳手8 寸、10 寸、12 寸、15寸各 2 把扳手8 寸、10 寸、12 寸、15寸各 2 把卸扣10 吨4 个螺丝刀大中小成套2 套液压钳1 套断线钳2 把手动液压托盘搬运车5T1 辆绝缘摇表(低压)500V1 个绝缘摇表(高压)2500V1 个绝缘手套10KV2 副绝缘靴10KV2 副接地放电线1 副验电器10KV1 个测试电压电流的三用表10KV1 只液压平板车1 辆3.2 厂商工具主要工程量施工工序工期工 作 量加工接地扁铁5 米/根,共 2 根,每 1 米钻 1 个 Ø12 孔准备 6 根高压连接线与12 个接线端子6 根高压连接线选型根据现场决定,并按要求做好高压接线头备用设备转运设备到公司后,利用叉车或吊车吊运至施工位置,按要求进行摆放设备串接至电路根据电气图纸,利用连接线将设备串入主电路中,并确认连接无误,接地完好设备送电试运行安装完成后进行合闸送电试运行,并用相关设备检查设备运行情况,确认无异常后,试运行结束设备可投入使用施工准备检修内容:2.1 电气科实施内容2.1.1 动力站:C1 配电间低压馈线柜 17 台(1)、现场盘柜项目包括上海天马微电子有限公司配电室的高压开关柜、变压器、高压电缆电缆和配变装置。序号内容单位数量备注厂区 35kV 电力系统预防性试验及检查135kV 变压器(20000kVA)台1 235kV 高压开关柜台4隔离柜、进线柜、计量柜、压变避雷柜(包含开关、电流互感器、电压...

1、当您付费下载文档后,您只拥有了使用权限,并不意味着购买了版权,文档只能用于自身使用,不得用于其他商业用途(如 [转卖]进行直接盈利或[编辑后售卖]进行间接盈利)。
2、本站所有内容均由合作方或网友上传,本站不对文档的完整性、权威性及其观点立场正确性做任何保证或承诺!文档内容仅供研究参考,付费前请自行鉴别。
3、如文档内容存在违规,或者侵犯商业秘密、侵犯著作权等,请点击“违规举报”。

碎片内容

6-35KV电气大修施工方案

您可能关注的文档

确认删除?
VIP
微信客服
  • 扫码咨询
会员Q群
  • 会员专属群点击这里加入QQ群
客服邮箱
回到顶部