电脑桌面
添加小米粒文库到电脑桌面
安装后可以在桌面快捷访问

市政路人行道表格

市政路人行道表格_第1页
1/6
市政路人行道表格_第2页
2/6
市政路人行道表格_第3页
3/6
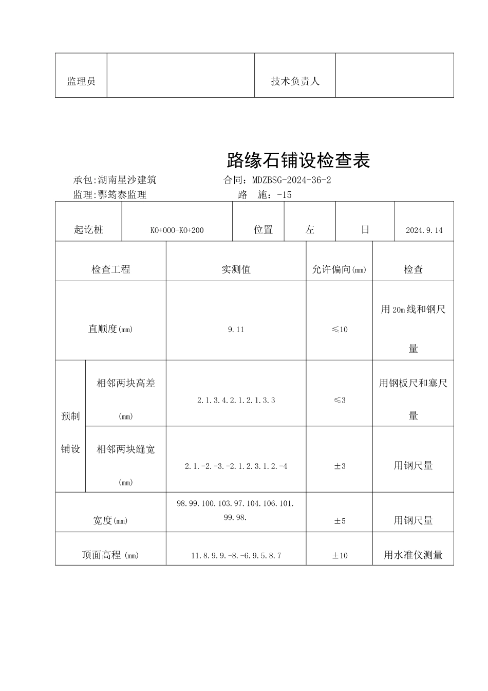
人行道铺设检查表承包: 湖南星沙建筑合同:MDZBSG-2024-36-2监理: 鄂筠泰监理 路施:-15起讫桩位置日检查工程实测值允许偏向(mm)检查平整度(mm)橫坡()井框与面层高差(mm)相邻块高差(mm)纵缝直顺(mm)横缝直顺(mm)缝宽(mm)外观检查:铺砌稳固无翘动外表平整缝线直顺缝宽均匀灌缝饱满无翘动翘角反坡积水现象检查人员自 检监理员技术负责人路侧石铺设检查表承包: 湖南星沙建筑合同:MDZBSG-2024-36-2监理:鄂筠泰监理 路施:-15 起讫桩位置日检查工程直顺度(mm)预制铺设相邻两块高差(mm)相邻两块缝宽(mm)宽度(mm) 顶面高程 (mm)外观检查:砌筑稳固砂浆饱满勾缝实外露面清洁线条顺畅无阻水现象。检查人员 自 检监理员技术负责人路缘石铺设检查表承包: 湖南星沙建筑合同:MDZBSG-2024-36-2监理:鄂筠泰监理 路施:-15 起讫桩KO+OOO-KO+200位置左日2024.9.14检查工程实测值允许偏向(mm)检查直顺度(mm)9.11≤10用 20m 线和钢尺量预制铺设相邻两块高差(mm)2.1.3.4.2.1.2.1.3.3≤3用钢板尺和塞尺量相邻两块缝宽(mm)2.1.-2.-3.-2.1.2.3.1.2.-4±3用钢尺量宽度(mm)98.99.100.103.97.104.106.101. 99.98.±5用钢尺量 顶面高程 (mm)11.8.9.9.-8.-6.9.5.8.7±10用水准仪测量外观检查:砌筑稳固砂浆饱满勾缝实外露面清洁线条顺畅无阻水现象。检查人员 自 检监理员技术负责人 水 准 测 量 原 始 记 录 承包:中铁十六集团合同:第 页 共 页 监理:鄂尔多斯公路工程监理所编 :C—096测量部位测量日测量桩 点水准尺读数 标 高〔m〕 备 注后视间视前视视线高〔m〕实测高程〔m〕设计高程〔m〕偏向〔mm〕测量结果: 签 字:日 :监理: 签 字:日 : 测 量:记 录:复 核:备注:1.人行道资料另附压实度隐蔽检查验收记录工序质量评定中间交工证书。2.开工资料评定时全部附加隐蔽检查验收记录工序质量评定。内容总结

1、当您付费下载文档后,您只拥有了使用权限,并不意味着购买了版权,文档只能用于自身使用,不得用于其他商业用途(如 [转卖]进行直接盈利或[编辑后售卖]进行间接盈利)。
2、本站所有内容均由合作方或网友上传,本站不对文档的完整性、权威性及其观点立场正确性做任何保证或承诺!文档内容仅供研究参考,付费前请自行鉴别。
3、如文档内容存在违规,或者侵犯商业秘密、侵犯著作权等,请点击“违规举报”。

碎片内容

市政路人行道表格

您可能关注的文档

办公文档专营+ 关注
实名认证
内容提供者

大量办公文档,欢迎选择

相关文档

确认删除?
VIP
微信客服
  • 扫码咨询
会员Q群
  • 会员专属群点击这里加入QQ群
客服邮箱
回到顶部