电脑桌面
添加小米粒文库到电脑桌面
安装后可以在桌面快捷访问

某广场综合楼和住宅楼工程监理规划

某广场综合楼和住宅楼工程监理规划_第1页
1/35
某广场综合楼和住宅楼工程监理规划_第2页
2/35
某广场综合楼和住宅楼工程监理规划_第3页
3/35
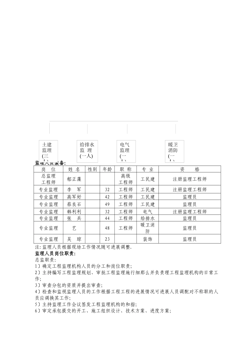
B12 B12振兴时代广场综合楼和住宅楼工程监理规划监理规划 2011 年 4 月 6 日 至 2012 年 12 月 25 日 内容提要: 工程概况 监理工作范围、目的和根据 监理组织机构、岗位职责、人员装备及进退场方案 监理工作内容、和措施监理工作制度和工作程序监理设施履行监理平安责任 监理〔章〕: 总监理工程师: 技术负责人: 日 : 2011-4-4 江苏建立监制一、 工程工程概况1、工程工程名称:连云港振兴时代广场综合楼和住宅楼工程2、工程工程地点:连云港新浦区朝路与瀛州路交汇处3、工程工程规模:本工程为一类高层综合楼耐火等级为一级建筑.耐久年限为 50 年。裙房局部为框架构造.高层局部为框架剪力墙构造.抗震设防七度第三组综合楼:建筑面积 37084.68 平方米其中地下室:7492.88 平方米。综合楼:地下一层车库地上 24 层主体总高度:96.80 米。住宅楼:建筑面积 9753.02 平方米地下车库一层底层为商业及物用房。住宅楼:共 17 层建筑高度 55.20 米采纳桩根底工程:PHC-500〔120〕AB-C80-14,14 桩单桩承载力特征值 2200KN.桩顶标高-6.95 米共 60 根;PHC-500(100)A-C80-13,13 桩桩顶标高-6.95 单桩承载力 1950KN 共 280 根;PHC-400〔90〕A-C80-13,13桩桩顶标高—6.45 米单桩承载力特征值 1450KN 共 356 根;PHC-400-(90)A-C80-13,13桩桩顶标高—6.15 米,单桩承载力特征值 1450KN 共 194 根;4、总建筑面积:46837.7m25、工程额:43980814.45 元6、工程工要求: 方案开工日:2011 年 4 月 6 日到 2012 年 12 月 25 日7、工程工程建立:连云港振兴房地产开发8、工程施工:连云港振兴建筑安装工程二、监理工作范围、目的和根据〔一〕工作范围:工程设计和业主与承包人签订工程工程的合同规定的全部施工内容包括业主因工程需要同意增加的工程变更内容的监理。即本工程在桩基、土建、水电、暖卫、消防节能 保温 强弱电等专业范围内施工阶段的平安质量、进度、、平安的全过程控制包括工程建立合同的理和协助施工过程中各有关的关系。〔二〕监理目的:“三控制一一协调〞1. 建安总 43980814.45 元2. 工目的:2011 年 4 月 6 日开工,总工 625 天。.3. 质量等级:合格。〔三〕监理根据:1、委托监理合同;2、业主与第三方签订的正式合同、协议及附件;3、设计、图纸及说明;4、合同工程量及说明;5、合同指定使用的图纸、技术、工程质量检验评定、试验规程等;6、、...

1、当您付费下载文档后,您只拥有了使用权限,并不意味着购买了版权,文档只能用于自身使用,不得用于其他商业用途(如 [转卖]进行直接盈利或[编辑后售卖]进行间接盈利)。
2、本站所有内容均由合作方或网友上传,本站不对文档的完整性、权威性及其观点立场正确性做任何保证或承诺!文档内容仅供研究参考,付费前请自行鉴别。
3、如文档内容存在违规,或者侵犯商业秘密、侵犯著作权等,请点击“违规举报”。

碎片内容

某广场综合楼和住宅楼工程监理规划

确认删除?
VIP
微信客服
  • 扫码咨询
会员Q群
  • 会员专属群点击这里加入QQ群
客服邮箱
回到顶部