电脑桌面
添加小米粒文库到电脑桌面
安装后可以在桌面快捷访问

菲特尔莫古-重庆第六人民医院

菲特尔莫古-重庆第六人民医院_第1页
1/13
菲特尔莫古-重庆第六人民医院_第2页
2/13
菲特尔莫古-重庆第六人民医院_第3页
3/13
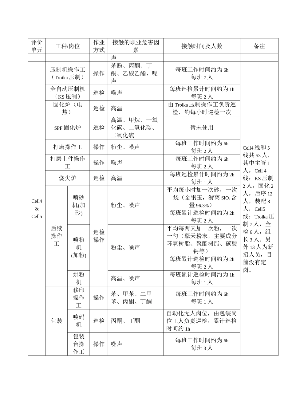
重庆市职业病防治院建设项目职业病危害评价报告信息网上公开表一、评价报告基本情况报告编号渝职防控评字〔2024〕第 08 号评价类别控制效果评价项目名称摩擦材料和刹车片生产(二期)建设项目风险类别严重报告编制人夏懋书建设单位菲特尔莫古(重庆)摩擦材料有限公司建设单位联系人徐双项目地理位置重庆市两江新区鱼复工业园区内(鱼嘴镇东风路 146 号)现场调查人员夏懋书、谢勇调查时间2024.07.04采样、检测人员赵万江、任秀龙、屈亚平等采样检测时间2024.07.08-10建设单位陪同人员徐双报告评审专家袁方、涂白杰、何志军评审时间2024.10.17二、项目简介本项目前东家为霍尼韦尔(中国)有限公司,该公司是一家由 霍尼韦尔国际公司根据中国人民共和国法律于 1996 年 6 月 24 日在上海成立的投资性外商独资有限责任公司。霍尼韦尔国际公司在2024 年全球财宝 500 强企业中排名第 212 位。但霍尼韦尔摩擦材料业务股权转让辉门集团,现霍尼韦尔重庆工厂,即霍尼韦尔(重庆)摩擦材料有限公司隶属辉门集团,公司名称已于 2024 年 9 月 1日更名为菲特尔莫古(重庆)摩擦材料有限公司。陶瓷基复合材料刹车技术是一种高质量的产品,其包含了世界范围内最前沿的技术,同时亦是中国行业内的进展趋势。高性能陶瓷基复合材料刹车片是继半金属、低金属刹车片之后最新一代的刹车片。它的研发诞生是顺应了刹车片及摩擦材料的市场进展趋势。高性能陶瓷基复合材料刹车片是一种高端通用型产品,它的配方是由不含铁的填料物质、胶黏剂和多种矿物质材料及矿物质纤维组合而成经高温处理所产生,这也是与传统刹车片在组成上的主要差异。除此之外, 高性能陶瓷基复合材料刹车片与传统的刹车片材料—半金属、低金属和无石棉有机材料相比,能提供与低金属材料相同的高制动性能,同时兼具半金属材料耐高温以及无石棉有机材料舒适无噪音,无粉尘,使用寿命长的特点。三、建设项目(用人单位)存在的职业病危害因素及检测结果本项目生产工艺过程中存在或产生的职业病危害因素有:粉尘、矽尘、苯酚、乙酸乙酯、丙酮、丁酮、苯、甲苯、二甲苯、噪声、甲烷、一氧化碳、二氧化碳、二氧化硫、高温等。职业病危害因素及分布情况一览表评价单元工种/岗位作业方式接触的职业危害因素接触时间及人数备注湿混车间称量操作工操作巡检粉尘每班称量作业时间约 2h湿混机操作及巡检约 4h每班 2 人混料及钢背(丝印)线共 14 人,其中主管 1 人 ,湿混车间作业人...

1、当您付费下载文档后,您只拥有了使用权限,并不意味着购买了版权,文档只能用于自身使用,不得用于其他商业用途(如 [转卖]进行直接盈利或[编辑后售卖]进行间接盈利)。
2、本站所有内容均由合作方或网友上传,本站不对文档的完整性、权威性及其观点立场正确性做任何保证或承诺!文档内容仅供研究参考,付费前请自行鉴别。
3、如文档内容存在违规,或者侵犯商业秘密、侵犯著作权等,请点击“违规举报”。

碎片内容

菲特尔莫古-重庆第六人民医院

您可能关注的文档

文旅传媒+ 关注
实名认证
内容提供者

传播文化,成就未来

确认删除?
VIP
微信客服
  • 扫码咨询
会员Q群
  • 会员专属群点击这里加入QQ群
客服邮箱
回到顶部