电脑桌面
添加小米粒文库到电脑桌面
安装后可以在桌面快捷访问

单层钢结构厂房结构计算

单层钢结构厂房结构计算_第1页
1/14
单层钢结构厂房结构计算_第2页
2/14
单层钢结构厂房结构计算_第3页
3/14
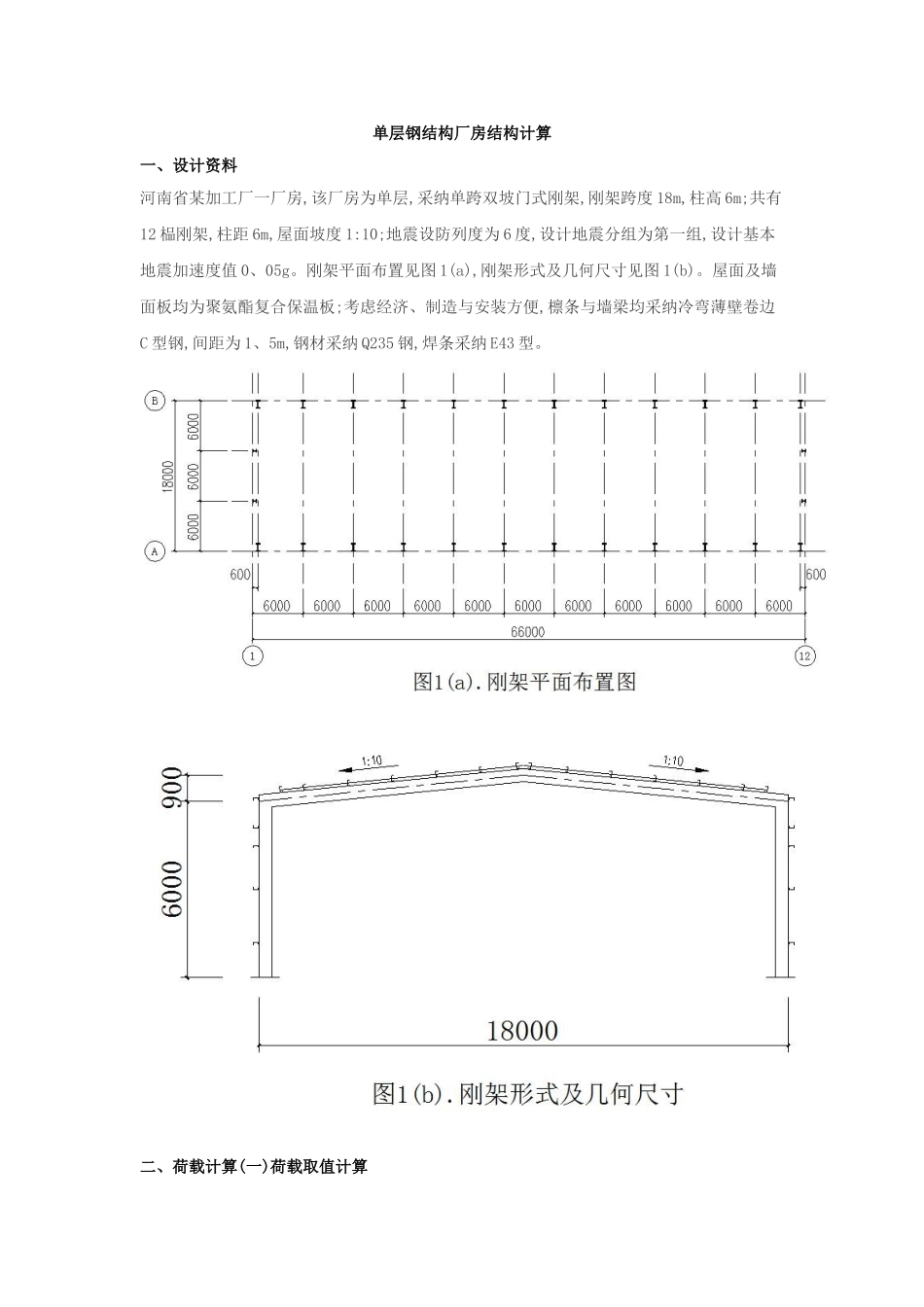
单层钢结构厂房结构计算一、设计资料河南省某加工厂一厂房,该厂房为单层,采纳单跨双坡门式刚架,刚架跨度 18m,柱高 6m;共有12 榀刚架,柱距 6m,屋面坡度 1:10;地震设防列度为 6 度,设计地震分组为第一组,设计基本地震加速度值 0、05g。刚架平面布置见图 1(a),刚架形式及几何尺寸见图 1(b)。屋面及墙面板均为聚氨酯复合保温板;考虑经济、制造与安装方便,檩条与墙梁均采纳冷弯薄壁卷边C 型钢,间距为 1、5m,钢材采纳 Q235 钢,焊条采纳 E43 型。二、荷载计算(一)荷载取值计算1.屋盖永久荷载标准值(对水平投影面)YX51-380-760 型彩色压型钢板 0、15 KN/m250mm 厚保温玻璃棉板 0、05 KN/m2PVC 铝箔及不锈钢丝网 0、02 KN/m2檩条及支撑 0、10 KN/m2刚架斜梁自重 0、15 KN/m2悬挂设备 0、20 KN/m2合计 0、67 KN/m22.屋面可变荷载标准值屋面活荷载:按不上人屋面考虑,取为 0、50 KN/m2。雪荷载:基本雪压 S0=0、45 KN/m2。对于单跨双坡屋面,屋面坡角α=5°42′38″,μr=1、0,雪荷载标准值 Sk=μrS0=0、45 KN/m2。取屋面活荷载与雪荷载中得较大值 0、50 KN/m2,不考虑积灰荷载。3.轻质墙面及柱自重标准值(包括柱、墙骨架等)0、50 KN/m24.风荷载标准值按《门式刚架轻型房屋钢结构技术规程》CECS102:2025 附录 A 得规定计算。基本风压 ω0=1、05×0、45 KN/m2,地面粗糙度类别为 B 类;风荷载高度变化系数按《建筑结构荷载法律规范》(GB50009-2001)得规定采纳,当高度小于 10m 时,按 10m 高度处得数值采纳,μz=1、0。风荷载体型系数 μs:迎风面柱及屋面分别为+0、25 与-1、0,背风面柱及屋面分别为+0、55 与-0、65(CECS102:2025 中间区)。5.地震作用据《全国民用建筑工程设计技术措施—结构》中第 18、8、1 条建议:单层门式刚架轻型房屋钢结构一般在抗震设防烈度小于等于 7 度得地区可不进行抗震计算。故本工程结构设计不考虑地震作用。(二)各部分作用得荷载标准值计算屋面:恒荷载标准值:0、67×6=4、02KN/m活荷载标准值:0、50×6=3、00KN/m柱荷载:恒荷载标准值:0、5×6×6+4、02×9=54、18KN活荷载标准值:3、00×9=27、00KN风荷载标准值:迎风面:柱上 qw1=0、47×6×0、25=0、71KN/m横梁上 qw2=-0、47×6×1、0=-2、82KN/m背风面:柱上 qw3=-0、47×6×0、55=-1、55KN/m横梁上 qw4=-0、47×6×0、65=-1、83KN/m三、内力分析考虑本工程刚架跨度较小、厂房高度较低、荷载情况及刚架加工制造方...

1、当您付费下载文档后,您只拥有了使用权限,并不意味着购买了版权,文档只能用于自身使用,不得用于其他商业用途(如 [转卖]进行直接盈利或[编辑后售卖]进行间接盈利)。
2、本站所有内容均由合作方或网友上传,本站不对文档的完整性、权威性及其观点立场正确性做任何保证或承诺!文档内容仅供研究参考,付费前请自行鉴别。
3、如文档内容存在违规,或者侵犯商业秘密、侵犯著作权等,请点击“违规举报”。

碎片内容

单层钢结构厂房结构计算

津创媒+ 关注
实名认证
内容提供者

欢迎交流文创,小店资料希望满足您的需要。

确认删除?
VIP
微信客服
  • 扫码咨询
会员Q群
  • 会员专属群点击这里加入QQ群
客服邮箱
回到顶部