电脑桌面
添加小米粒文库到电脑桌面
安装后可以在桌面快捷访问

双壁围堰计算书

双壁围堰计算书_第1页
1/10
双壁围堰计算书_第2页
2/10
双壁围堰计算书_第3页
3/10
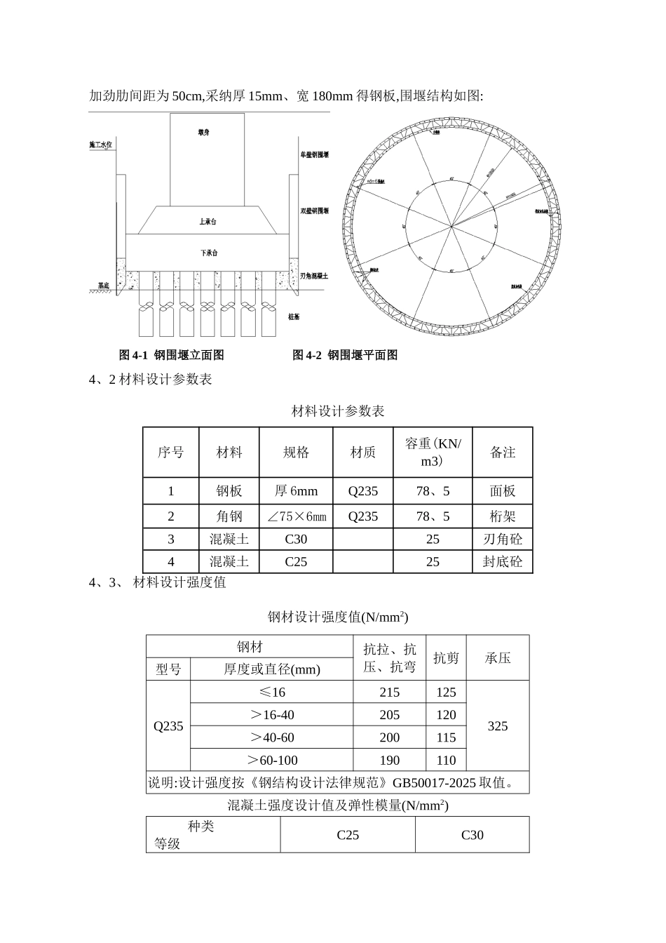
双壁钢围堰计算书1.工程概况 某特大桥采纳(60、75+100+60、75)m 大跨连续梁结构跨越秦淮新河,承台位于主河道,直为径 17、4m,高 4m,底标高-5、0m,施工最大水位为 8、0m,河床以下主要为第四系全新统冲积层(Q4al),下伏基岩为侏罗系上统西横山组(J3)钙泥质砂岩与凝灰质砂岩,承台处地址情况如下图:图 2-1 承台处地质情况图示2.编制依据2、1 《某特大桥设计图》;2、2 《路桥施工计算手册》 周水兴等著;2、3 《铁路桥涵地基与基础设计法律规范》TB10002、5-2025;2、3 《混凝土结构设计法律规范》GB50010-2025;2、4 《钢结构设计法律规范》(GB500017-2025);2、5 Midas civil 使用手册。3、 双壁钢围堰施工方案钢围堰在后场加工厂分块段进行加工,由平板汽车通过施工栈桥运至施工现场,采纳分块拼装、分节下沉得方法进行施工。钢围堰块段最大重量约 11、0t,采纳转换平台上 50t 履带吊进行吊装施工,利用卷扬机或链条葫芦下放。水下封底混凝土采纳刚性导管法。封底后 拆除平台、割掉护筒,封底混凝土凿毛整平后,施工承台、墩身,施工流程图如下:3-1 施工工艺流程图4、 钢围堰计算4、1 结构设计钢围堰为单双壁结合圆形钢围堰,内边线半径比承台半径大 10cm。钢围堰壁厚1、0m,外直径尺寸为 19、6m、内直径尺寸为 17、6m,壁高为 15m。钢围堰平面分为 8块,立面分为 5 节,分节高度为 4m+4m+5m+5m。钢围堰壁板系统由内、外面板、面板纵肋、壁板桁架、水平环板、隔板组成。第一、二、三节双壁钢围堰内外壁采纳 6mm 厚得钢板,内外壁间距为 100cm。每间隔1m 设一道水平环形桁架,桁架采纳∠75×6mm 得角钢焊接而成。第四节单壁钢围堰钢板采纳 6mm 厚得钢板,竖向每间隔 50cm 设一道竖肋,竖肋采纳∠75×6mm 得角钢;横向加劲肋间距为 50cm,采纳厚 15mm、宽 180mm 得钢板,围堰结构如图: 图 4-1 钢围堰立面图 图 4-2 钢围堰平面图4、2 材料设计参数表材料设计参数表序号材料规格材质容重(KN/m3)备注1钢板厚 6mmQ23578、5面板2角钢∠75×6mmQ23578、5桁架3混凝土C30 25刃角砼4混凝土C25 25封底砼4、3、 材料设计强度值钢材设计强度值(N/mm2)钢材抗拉、抗压、抗弯抗剪承压型号厚度或直径(mm)Q235≤16215125325>16-40205120>40-60200115>60-100190110说明:设计强度按《钢结构设计法律规范》GB50017-2025 取值。混凝土强度设计值及弹性模量(N/mm2) 种类 等级C25C30抗压强度11、914、3抗拉强度1、271、43弹性模量2、8E+...

1、当您付费下载文档后,您只拥有了使用权限,并不意味着购买了版权,文档只能用于自身使用,不得用于其他商业用途(如 [转卖]进行直接盈利或[编辑后售卖]进行间接盈利)。
2、本站所有内容均由合作方或网友上传,本站不对文档的完整性、权威性及其观点立场正确性做任何保证或承诺!文档内容仅供研究参考,付费前请自行鉴别。
3、如文档内容存在违规,或者侵犯商业秘密、侵犯著作权等,请点击“违规举报”。

碎片内容

双壁围堰计算书

津创媒+ 关注
实名认证
内容提供者

欢迎交流文创,小店资料希望满足您的需要。

相关文档

确认删除?
VIP
微信客服
  • 扫码咨询
会员Q群
  • 会员专属群点击这里加入QQ群
客服邮箱
回到顶部