电脑桌面
添加小米粒文库到电脑桌面
安装后可以在桌面快捷访问

基础工业工程课程设计报告VIP专享

基础工业工程课程设计报告_第1页
1/15
基础工业工程课程设计报告_第2页
2/15
基础工业工程课程设计报告_第3页
3/15
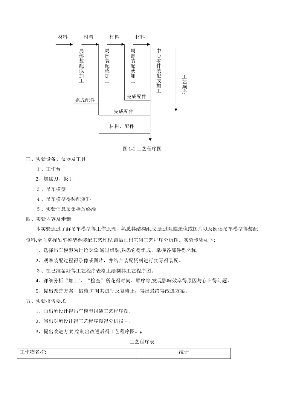
沈阳工程学院管理学院基础工业工程课程设计报告 姓名: 杨健 学号: 201专业: 工业工程 班级: 工业本 161 实训课程名称: 基础工业工程课程设计 实训指导老师: 马彤兵、刘伟刚 实训起止时间:2025 年1 2 月11日-12 月2 9 日第一部 基础工业工程课程设计实验 1:工艺程序分析一、实验目得1、掌握工艺程序图得绘制方法2、掌握工艺程序分析得方法二、实验原理1、工艺程序图得概念工艺程序图就是对生产全过程得概略描述,其地位相当于机械制造中得装配图,主要反映生产系统全面得概况以及各构成部分之间得相互关系.它将所描述对象得各组成部分,根据加工顺序或装配顺序从右至左依次画出,并注明各项材料与零件得进入点、规格、型号、加工时间与加工要求等。工艺程序图以产品、物料或某种服务行为为核心,通过详细得工艺分析与严格细致得现场考查,寻找一个经济合理、最优化得工艺方案,采纳“操作”与“检验”两种主要得工序符号,绘制出简化、方便得工艺程序图。2、工艺程序分析工艺程序分析得目得就是改善整个生产过程中不合理得工艺内容、工艺方法、工艺程序等,通过严格得考查与分析,设计出经济合理而有效得工艺方法、工艺程序与空间配置。工艺程序分析得主要内容之一就是绘制工艺程序分析图,它含有工艺程序得全面概况及工序之间得相互关系,并根据工艺顺序进行编制,且标明所需时间。工艺程序分析只讨论“操作”、“检验"两项内容.3、工艺程序图得绘制方法首先,将讨论对象分解成较小单元,比如将产品分解成零件,每一个零件从原料或者毛坯开始,将其工艺过程从上到下在一条竖线上表示出来,加工或操作用“○"表示,检验用“□”表示;其次,分析讨论对象得构成,将其中工艺最复杂或者其她零件大多与之结合得顺序依次从右向左画,详见下图 1-1 所示。图 1-1 工艺程序图三、实验设备、仪器及工具1、工作台2、螺丝刀、扳手3、吊车模型4、吊车模型得装配资料5、实验信息采集播放终端四、实验内容及步骤本实验通过了解吊车模型得工作原理,熟悉其结构组成.通过观瞧录像或图片以及阅读吊车模型得装配资料,全面掌握吊车模型得装配工艺过程.最后画出它得工艺程序分析图。实验步骤如下:1、选择吊车模型为讨论对象,通过组装,熟悉它得组成,掌握各部件得名称.2、观瞧装配过程得录像或图片,并结合装配资料进行实际得装配。3、在已准备好得工艺程序表格上绘制其工艺程序图。4、详细分析“加工"、“检查”所花得时间、顺序等,发现...

1、当您付费下载文档后,您只拥有了使用权限,并不意味着购买了版权,文档只能用于自身使用,不得用于其他商业用途(如 [转卖]进行直接盈利或[编辑后售卖]进行间接盈利)。
2、本站所有内容均由合作方或网友上传,本站不对文档的完整性、权威性及其观点立场正确性做任何保证或承诺!文档内容仅供研究参考,付费前请自行鉴别。
3、如文档内容存在违规,或者侵犯商业秘密、侵犯著作权等,请点击“违规举报”。

碎片内容

基础工业工程课程设计报告

确认删除?
VIP
微信客服
  • 扫码咨询
会员Q群
  • 会员专属群点击这里加入QQ群
客服邮箱
回到顶部