电脑桌面
添加小米粒文库到电脑桌面
安装后可以在桌面快捷访问

多路监控报警系统单片机课程毕业设计

多路监控报警系统单片机课程毕业设计_第1页
1/28
多路监控报警系统单片机课程毕业设计_第2页
2/28
多路监控报警系统单片机课程毕业设计_第3页
3/28
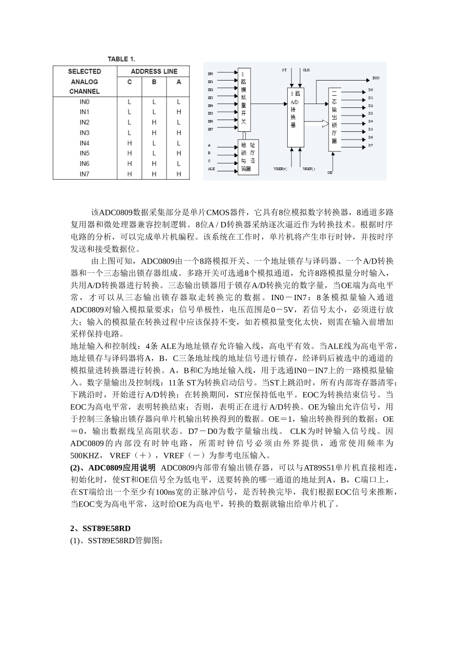
单片机课程设计 ——多路监控报警系统 多路监控报警系统一、实验目的1. 了解A/D芯片TLC0809转换性能及编程方法。2. 掌握A/D转换器与单片机的接口方法3. 学会使用A/D转换器进行电压信号采集。二、设计任务及要求 利用串行模/数转换芯片TLC0809、SST89E58及液晶显示器,设计完成一个数字电压多路监控报警系统。要求: 数字电压多路监控报警系统可测量0~5V输入电压,电压值通过液晶轮流显示,并根据设置的限定值对输入超出额度的路端警报提示。三、工作原理及设计思路多路监控报警系统的设计由A/D转换、数据处理及显示控制等组成。A/D转换由集成电路TLC0809完成,利用TLC0809将模拟电压转换为数字量,经单片机将数字量转换成对应的电压值,并通过液晶显示输出。四、系统特点本系统可以每一路独立设置最高最低的电压值,并对每一路电压进行监控报警,对超出范围内的电路显示对应路值,并用LED灯和蜂鸣器表示不同的路值。五、硬件电路设计及原理1、ADC0809(1)、ADC0809管脚图及时序图: 该ADC0809数据采集部分是单片CMOS器件,它具有8位模拟数字转换器,8通道多路复用器和微处理器兼容控制逻辑。8位A / D转换器采纳逐次逼近作为转换技术。根据时序电路的分析,可以完成单片机编程。该系统在工作时,单片机将产生串行时钟,并按时序发送和接受数据位。由上图可知,ADC0809由一个8路模拟开关、一个地址锁存与译码器、一个A/D转换器和一个三态输出锁存器组成。多路开关可选通8个模拟通道,允许8路模拟量分时输入,共用A/D转换器进行转换。三态输出锁器用于锁存A/D转换完的数字量,当OE端为高电平常,才可以从三态输出锁存器取走转换完的数据。 IN0-IN7:8条模拟量输入通道 ADC0809对输入模拟量要求:信号单极性,电压范围是0-5V,若信号太小,必须进行放大;输入的模拟量在转换过程中应该保持不变,如若模拟量变化太快,则需在输入前增加采样保持电路。 地址输入和控制线:4条 ALE为地址锁存允许输入线,高电平有效。当ALE线为高电平常,地址锁存与译码器将A,B,C三条地址线的地址信号进行锁存,经译码后被选中的通道的模拟量进转换器进行转换。A,B和C为地址输入线,用于选通IN0-IN7上的一路模拟量输入。数字量输出及控制线:11条 ST为转换启动信号。当ST上跳沿时,所有内部寄存器清零;下跳沿时,开始进行A/D转换;在转换期间,ST应保持低电平。EOC为转换结束信号。当EOC为高电平常,表明转换结束;否则,表明正在进行A/D转换。OE...

1、当您付费下载文档后,您只拥有了使用权限,并不意味着购买了版权,文档只能用于自身使用,不得用于其他商业用途(如 [转卖]进行直接盈利或[编辑后售卖]进行间接盈利)。
2、本站所有内容均由合作方或网友上传,本站不对文档的完整性、权威性及其观点立场正确性做任何保证或承诺!文档内容仅供研究参考,付费前请自行鉴别。
3、如文档内容存在违规,或者侵犯商业秘密、侵犯著作权等,请点击“违规举报”。

碎片内容

多路监控报警系统单片机课程毕业设计

您可能关注的文档

一二三四传媒+ 关注
实名认证
内容提供者

大量资料供您选择,没有合适的可以联系小二。

确认删除?
VIP
微信客服
  • 扫码咨询
会员Q群
  • 会员专属群点击这里加入QQ群
客服邮箱
回到顶部