电脑桌面
添加小米粒文库到电脑桌面
安装后可以在桌面快捷访问

建筑材料编码规定

建筑材料编码规定_第1页
1/4
建筑材料编码规定_第2页
2/4
建筑材料编码规定_第3页
3/4
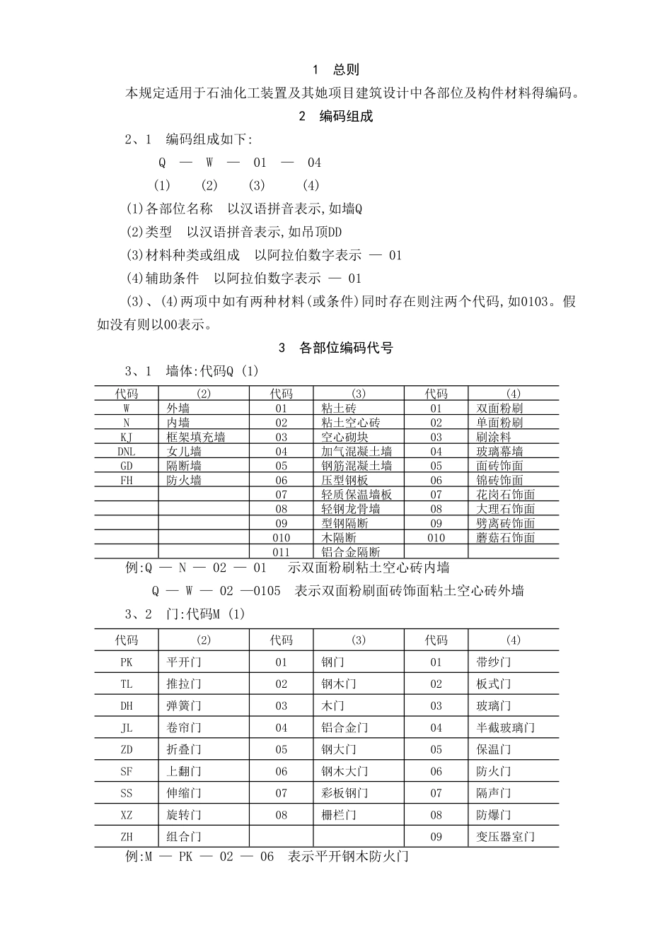
1 总则本规定适用于石油化工装置及其她项目建筑设计中各部位及构件材料得编码。2 编码组成2、1 编码组成如下: Q — W — 01 — 04 (1) (2) (3) (4)(1)各部位名称 以汉语拼音表示,如墙Q(2)类型 以汉语拼音表示,如吊顶DD(3)材料种类或组成 以阿拉伯数字表示 — 01(4)辅助条件 以阿拉伯数字表示 — 01(3)、(4)两项中如有两种材料(或条件)同时存在则注两个代码,如0103。假如没有则以00表示。3 各部位编码代号3、1 墙体:代码Q (1)代码(2)代码(3)代码(4)W 外墙01 粘土砖01 双面粉刷N 内墙02 粘土空心砖02 单面粉刷KJ 框架填充墙03 空心砌块03 刷涂料DNL 女儿墙04 加气混凝土墙04 玻璃幕墙GD 隔断墙05 钢筋混凝土墙05 面砖饰面FH 防火墙06 压型钢板06 锦砖饰面07 轻质保温墙板07 花岗石饰面08 轻钢龙骨墙08 大理石饰面09 型钢隔断09 劈离砖饰面010 木隔断010 蘑菇石饰面011 铝合金隔断例:Q — N — 02 — 01 示双面粉刷粘土空心砖内墙 Q — W — 02 —0105 表示双面粉刷面砖饰面粘土空心砖外墙3、2 门:代码M (1)代码(2)代码(3)代码(4)PK 平开门01 钢门 01 带纱门TL 推拉门02 钢木门02 板式门 DH 弹簧门 03 木门 03 玻璃门JL 卷帘门04 铝合金门 04 半截玻璃门ZD 折叠门05 钢大门 05 保温门 SF 上翻门06 钢木大门06 防火门 SS 伸缩门07 彩板钢门 07 隔声门 XZ 旋转门08 栅栏门08 防爆门 ZH 组合门 09 变压器室门例:M — PK — 02 — 06 表示平开钢木防火门3、3 窗:代码C (1)代码(2)代码(3)代码(4)PK 平开窗01 实腹钢窗01 带纱窗TL 推拉窗02 空腹钢窗02 不带纱窗GD 固定窗 03 铝合金窗03 百页窗ZX 中悬窗04 塑钢窗 04 天窗 SX 上悬窗05 彩板钢窗 05 保温窗 JL 卷帘窗06 木窗06 观察窗 ZH 组合窗07 栅栏窗07 防火窗 08 双层窗例:C — TL — 03 — 01 表示铝合金带纱推拉窗3、4 地(楼)面:代码D (1)代码(2)代码(3)代码(4)SN 水泥砂浆01 混凝土垫层 01 有防水层找平层XB 细石混凝土02 水泥焦渣垫层02 有找平层MS 水磨石 03 细石混凝土垫层03 有保温层KJD 抗静电地板04 陶粒混凝土垫层04 垫层配钢筋TTZ 通体砖05 无垫层 05 不发火花 MZ 面砖 JZ 锦砖 GZ 缸砖 MGS 磨光花岗石 DLS 大理石DBZ 地板砖PLZ 劈离砖HGS 耐酸花岗石CZ 耐酸瓷砖例:D — SN — 01 — 010...

1、当您付费下载文档后,您只拥有了使用权限,并不意味着购买了版权,文档只能用于自身使用,不得用于其他商业用途(如 [转卖]进行直接盈利或[编辑后售卖]进行间接盈利)。
2、本站所有内容均由合作方或网友上传,本站不对文档的完整性、权威性及其观点立场正确性做任何保证或承诺!文档内容仅供研究参考,付费前请自行鉴别。
3、如文档内容存在违规,或者侵犯商业秘密、侵犯著作权等,请点击“违规举报”。

碎片内容

建筑材料编码规定

范哲铺+ 关注
实名认证
内容提供者

想你所想,急你所急,你需要的都在店铺里可以找到。

确认删除?
VIP
微信客服
  • 扫码咨询
会员Q群
  • 会员专属群点击这里加入QQ群
客服邮箱
回到顶部