电脑桌面
添加小米粒文库到电脑桌面
安装后可以在桌面快捷访问

技能大赛工业产品设计技术题目

技能大赛工业产品设计技术题目_第1页
1/10
技能大赛工业产品设计技术题目_第2页
2/10
技能大赛工业产品设计技术题目_第3页
3/10
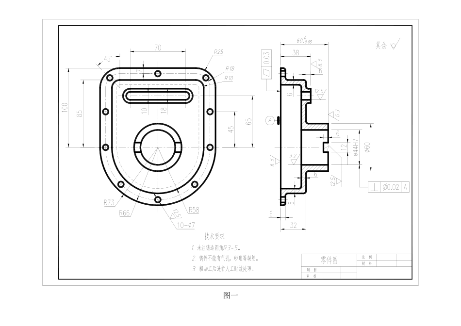
工 业 产 品 设 计 (CAD) 技 术 题 目一 、 竞 赛 规 则1 、 本 竞 赛 项 目 为 参 赛 者 提 供 大 赛 通 知 中 所 示 得 软 件环 境 , 不 包 含 第 三 方 插 件 等 辅 助 软 件 , 也 不 允 许 参赛 者 携 带 任 何 软 件 进 入 赛 场 。2 、 不 允 许 得 完 成 得 作 品 中 以 任 何 形 式 透 露 参 赛 选 手得 身 份 信 息 , 否 则 不 计 成 绩 。3 、 竞 赛 时 间 : 180 分 钟 。二 、 说 明 与 要 求1 、 参 赛 选 手 首 先 在 桌 面 上 以 选 手 自 己 得 “ 机 位 号 ”命 名 创 建 一 个 文 件 夹 , 后 面 得 参 赛 作 品 一 定 要 放 到该 文 件 夹 中 , 创 建 文 件 名 应 明 确 绘 制 内 容 , 建 议 以图 号 加 机 位 号 命 名 , 或 以 零 件 名 称 命 名 。若 在 指 定文 件 夹 内 相 关 得 文 件 , 则 该 项 作 品 不 计 成 绩 。2 、 抄 绘 得 二 维 图 与 创 建 得 装 配 图 用 “* 、 dwg”格 式提 交 ; 根 据 二 维 图 建 立 立 体 三 维 模 型 假 如 用 AutoCAD 创建得三维模型请用“* 、dwg”格式提交;假如用3DS MAX 创 建 得 模 型 请 用 “* 、 max”格 式 提 交 。 渲 染 得 效果 图 使 用 “ * 、 jpg” 格 式 提 交 。3 、 图 中 尺 寸 单 位 均 为 mm 。4 、 竞 赛 结 束 前5 分 钟 , 参 赛 选 手 应 进 行 作 品 得 检 查与 存 盘 。 竞 赛 时 间 一 到 , 不 要 关 闭 计 算 机 , 留 下 全部 下 发 物 品 后 立 即 离 开 赛 场 。5 、 注 意 : 参 赛 作 品 要 及 时 存 盘 , 以 免 数 据 丢 失 影 响竞 赛 成 绩 。三 、 竞 赛 题 目 与 要 求( 一 ) 抄 绘 零 件 图 , 并 创 建 三 维 模 型1 、 要 求 抄 绘 图 一 所 示 得 零 件 图 , 零 件 要 表 达 完整 , 准 确 ; 尺 寸 标 注 要 完 整 、 正 确 、 清 楚 , 并 布 置合 理 , 符 合 国 家 标 准 ; 图 纸 幅 面 与 比 例 自 定 , 要 选...

1、当您付费下载文档后,您只拥有了使用权限,并不意味着购买了版权,文档只能用于自身使用,不得用于其他商业用途(如 [转卖]进行直接盈利或[编辑后售卖]进行间接盈利)。
2、本站所有内容均由合作方或网友上传,本站不对文档的完整性、权威性及其观点立场正确性做任何保证或承诺!文档内容仅供研究参考,付费前请自行鉴别。
3、如文档内容存在违规,或者侵犯商业秘密、侵犯著作权等,请点击“违规举报”。

碎片内容

技能大赛工业产品设计技术题目

确认删除?
VIP
微信客服
  • 扫码咨询
会员Q群
  • 会员专属群点击这里加入QQ群
客服邮箱
回到顶部