电脑桌面
添加小米粒文库到电脑桌面
安装后可以在桌面快捷访问

拉料杆设计规范

拉料杆设计规范_第1页
1/4
拉料杆设计规范_第2页
2/4
拉料杆设计规范_第3页
3/4
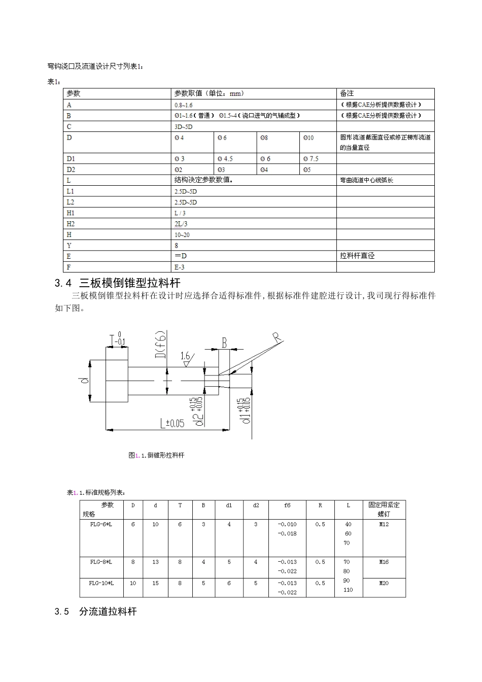
PT S 0014:拉料杆设计法律规范(流程节点设计法律规范)1. 拉料杆设计要求我司常用得拉料杆主要有 5 种形式:主流道拉料杆、潜浇口拉料杆、弯钩浇口拉料杆、三板模倒锥型拉料杆与分流道拉料杆。3、1 主流道拉料杆主 流 道 拉 料 杆 起 到 将 冷 料 井 及 分 流 道 顶 出 得 作 用 , 其 头 部 不 加 工 任 何 形 状 , 常 用 规 格 为φ4、φ5、φ6、φ8 及 φ10。上表中得尺寸为参考尺寸,自制刀具可参考上述尺寸,保证倒扣量。对于制品材料为 PS,A BS 等硬料,A取小值。对于P P 等软料,A 取大值。3。2 潜浇口拉料杆潜浇口拉料杆得结构如下图设计要点:A. L1=(2。5-5)D,D为流道直径、软料取较小值,硬料取较大值。B. 对于拉切式潜浇口得冷料井应参考主流道冷料井得设计,有足够得倒扣力,以便拉断浇口。对于退切式潜浇口不必加工倒扣,但深度应大于潜浇口料把得长度,起到导向料把顶出得作用。C. 潜浇口拉料杆一般情况下头部不加工形状。3.3弯钩浇口拉料杆弯钩浇口拉料杆得设计参考下图(表)中尺寸、3.4 三板模倒锥型拉料杆三板模倒锥型拉料杆在设计时应选择合适得标准件,根据标准件建腔进行设计,我司现行得标准件如下图。3.5分流道拉料杆设计要点:1、对于较长得分流道系统,应设计分流道拉料杆,主要目得就是顶出分流道;2。分流道拉料杆头部设有冷料井,深度 3mm 左右,起到导向料把顶出得作用,使料把顶出平衡。

1、当您付费下载文档后,您只拥有了使用权限,并不意味着购买了版权,文档只能用于自身使用,不得用于其他商业用途(如 [转卖]进行直接盈利或[编辑后售卖]进行间接盈利)。
2、本站所有内容均由合作方或网友上传,本站不对文档的完整性、权威性及其观点立场正确性做任何保证或承诺!文档内容仅供研究参考,付费前请自行鉴别。
3、如文档内容存在违规,或者侵犯商业秘密、侵犯著作权等,请点击“违规举报”。

碎片内容

拉料杆设计规范

您可能关注的文档

一二三四传媒+ 关注
实名认证
内容提供者

大量资料供您选择,没有合适的可以联系小二。

确认删除?
VIP
微信客服
  • 扫码咨询
会员Q群
  • 会员专属群点击这里加入QQ群
客服邮箱
回到顶部