电脑桌面
添加小米粒文库到电脑桌面
安装后可以在桌面快捷访问

桥梁工程施工组织设计

桥梁工程施工组织设计_第1页
1/46
桥梁工程施工组织设计_第2页
2/46
桥梁工程施工组织设计_第3页
3/46
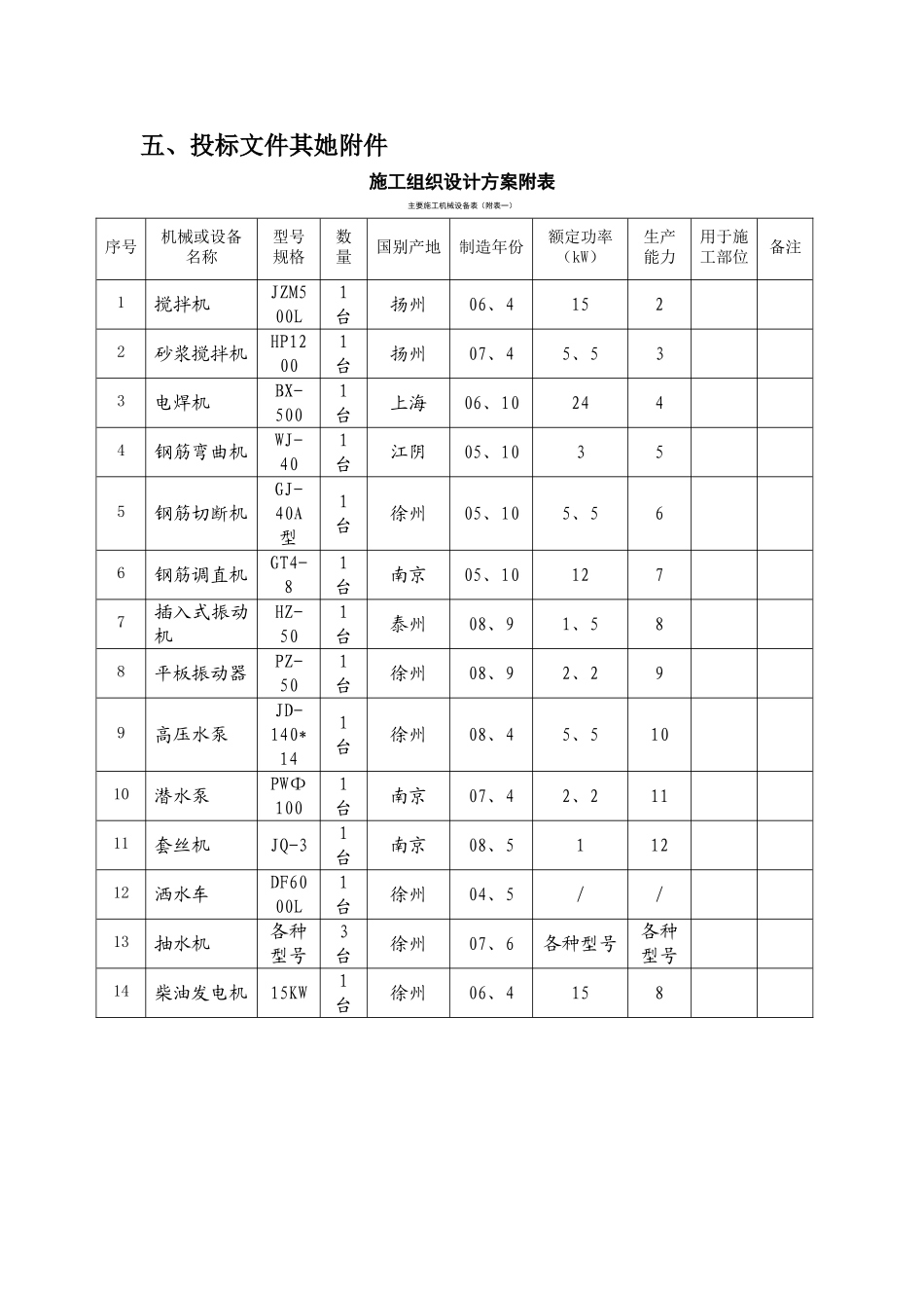
正本XXX 桥修复工程投标文件(技术标)招标单位:XXX投标单位:XXX法人代表:XXX投标日期:XXX目 录一、技术标二、施工组织设计方案三、施工组织设计方案附表四、项目管理机构五、投标文件其她附件施工组织设计方案附表主要施工机械设备表(附表一)序号机械或设备名称型号规格数量国别产地制造年份额定功率(kW)生产能力用于施工部位备注1搅拌机JZM500L1台扬州06、41522砂浆搅拌机HP12001台扬州07、45、533电焊机BX-5001台上海06、102444钢筋弯曲机WJ-401台江阴05、10355钢筋切断机GJ-40A型1台徐州05、105、566钢筋调直机GT4-81台南京05、101277插入式振动机HZ-501台泰州08、91、588平板振动器PZ-501台徐州08、92、299高压水泵JD-140*141台徐州08、45、51010潜水泵PWΦ1001台南京07、42、21111套丝机JQ-31台南京08、511212洒水车DF6000L1台徐州04、5//13抽水机各种型号3台徐州07、6各种型号各种型号14柴油发电机15KW1台徐州06、4158施 工 现 场 平 面 布 置 图 ( 附 表 二 )XXX施 工 总 进 度 计 划 表 ( 工 期 : 90 日 历 天 )日历 天工序名称51015202530354045474950525456586062657075808590挖土方淤泥钢管成孔灌注桩混凝土承台浆砌块料拱板工程钢筋工程安装工程竣工验收 施工退场施 工 总 平 面 图 ( 附 表 三 ) 注 : 本 工 程 平 面 布 置图 仅 供 参 考 , 现 场 若 有 不妥 之 处 , 宜 重 新 布 设 。 木工工棚钢筋工棚瓦工工棚 机 修 室 办 公 室 仓 库 食 堂石 堆搅拌机砂砖堆石 子修建桥临时用地表(附表四)用途面积(m2)位置需用时间临时设施住房150修建桥附近3 个月仓库100修建桥附近3 个月加工车间100修建桥附近3 个月项目管理机构项目管理人员配备表机构岗位姓名职务职称执业或职业资格证书名称级别证号专业总部项目主管项目经理工程师建造师现场建造师项目经理工程师建造师技术负责人技术负责人高级工程师建造师质量管理质检员助理工程师质检员材料管理材料员助理工程师材料员计划管理计划员助理工程师计划员安全管理安全员助理工程师安全员施工管理施工员助理工程师计划员建造师简历表姓名性别年龄职务项目经理职称工程师学历本科建造师证号专 业市政公用参加工作时间10 年从事建造师年限6 年建造师简历技术负责人简历表姓名性别年龄职务技术负责人职称高级工程师学历本科建造师证号专 业建筑工程参加工作时间40 年从事建...

1、当您付费下载文档后,您只拥有了使用权限,并不意味着购买了版权,文档只能用于自身使用,不得用于其他商业用途(如 [转卖]进行直接盈利或[编辑后售卖]进行间接盈利)。
2、本站所有内容均由合作方或网友上传,本站不对文档的完整性、权威性及其观点立场正确性做任何保证或承诺!文档内容仅供研究参考,付费前请自行鉴别。
3、如文档内容存在违规,或者侵犯商业秘密、侵犯著作权等,请点击“违规举报”。

碎片内容

桥梁工程施工组织设计

您可能关注的文档

确认删除?
VIP
微信客服
  • 扫码咨询
会员Q群
  • 会员专属群点击这里加入QQ群
客服邮箱
回到顶部