电脑桌面
添加小米粒文库到电脑桌面
安装后可以在桌面快捷访问

水泥稳定碎石方案施工

水泥稳定碎石方案施工_第1页
1/8
水泥稳定碎石方案施工_第2页
2/8
水泥稳定碎石方案施工_第3页
3/8
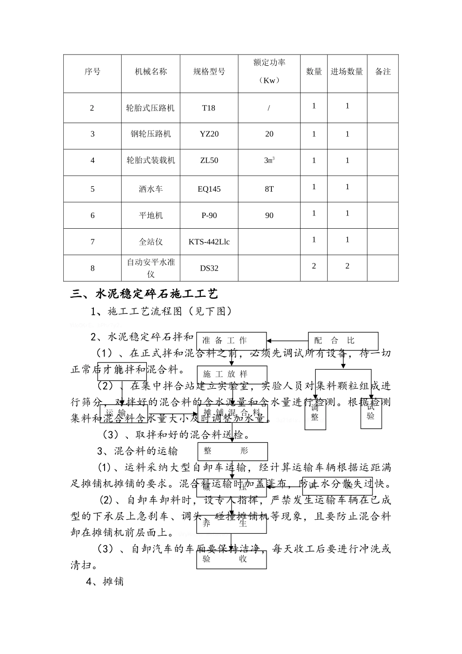
水 泥 稳 定 碎 石施 工 方 案一、编制依据 1、xxxxxxx 参考资料及图纸等。2、国家部委颁布现行的《城镇道路工程施工与质量验收法律规范》CJJ1-2025。3、现场调查、收集、咨询所获得的有关气象、地质资料等。二、施工准备 1、施工范围xxxx 设计道路横坡为 2%,上基层设计宽度为 14.4m,实际施工宽度为 14.4m,下基层设计宽度为 15.72m,实际施工宽度为15.72m;xxxx 设计横坡为 1.5%,上基层设计宽度为 17.4m,实际施工宽度为 17.4m,下基层设计宽度为 18.72m,实际施工宽度为18.72;xxxx 设计横坡为 1.5%,上基层设计宽度为 10.4m,实际施工宽度为 10.4m,下基层设计宽度为 11.72m,实际施工宽度为11.72m。pYqEmOE。bBqDfAm。2、准备下承层(1)、水泥稳定碎石的下承层表面应平整、坚实,具有规定的路拱,下承层的平整度和压实度应符合规定要求。(2)、清扫下承层面上的杂物、浮土,确保摊铺工作面清洁。(3)、新旧路结合处做接头处理,与魏都路相接处下基层做25cm 台阶以利于二层接头密实;与七大街接头处向西清楚一米松动路面结构,下基层作 30cm 台阶以利于二层接头密实,并铺洒水泥浆。Td12KCt。4VK560p。(4)、用洒水车洒少量的水,保证水泥稳定碎石施工时下基层表面湿润且无积水。 (5)、摊铺上基层时需在下基层铺洒水泥浆,以利于层间连接。3、施工测量(1)、基层边缘以外 30cm 处,直线段每隔 10m,平曲线段每隔5m 钉铁桩。(2)、在铁桩上设钢丝绳做为基准线。基准线的顶面高程与要铺筑的水泥稳定碎石基层的垂直距离为 5cm。(4)、基准线钢丝绳两端用紧绳器拉直绷紧,施工中做好桩、线的保护工作。 4、培槽(1)、侧石内侧外 36cm 撒灰线,做土培。(2)、压实土培应与第一层碎石齐平,齐边且顺直。 5、人员、机械根据施工要求及我公司的技术情况,施工配备人员如下图:职务名称职务名称职务名称项目经理xxx技术负责人xxx质检员xxx现场负责人xxx安全员xxx施工员xxx施工员xxx施工员xxx测量员xxx测量员xxx试验员xxx试验员xxx工人 25-30 人,机械设备表如下图:序号机械名称规格型号额定功率(Kw)数量进场数量备注1水稳摊铺机WLTL700012M 宽22序号机械名称规格型号额定功率(Kw)数量进场数量备注2轮胎式压路机T18/113钢轮压路机YZ2020114轮胎式装载机ZL503m3115洒水车EQ1458T116平地机P-9090117全站仪KTS-442Llc 118自动安平水准仪DS3222三、水泥稳定碎石施工工艺1、施工工艺流程图(见下图...

1、当您付费下载文档后,您只拥有了使用权限,并不意味着购买了版权,文档只能用于自身使用,不得用于其他商业用途(如 [转卖]进行直接盈利或[编辑后售卖]进行间接盈利)。
2、本站所有内容均由合作方或网友上传,本站不对文档的完整性、权威性及其观点立场正确性做任何保证或承诺!文档内容仅供研究参考,付费前请自行鉴别。
3、如文档内容存在违规,或者侵犯商业秘密、侵犯著作权等,请点击“违规举报”。

碎片内容

水泥稳定碎石方案施工

您可能关注的文档

确认删除?
VIP
微信客服
  • 扫码咨询
会员Q群
  • 会员专属群点击这里加入QQ群
客服邮箱
回到顶部