电脑桌面
添加小米粒文库到电脑桌面
安装后可以在桌面快捷访问

焊接工艺评定试验试样取样工艺规程

焊接工艺评定试验试样取样工艺规程_第1页
1/15
焊接工艺评定试验试样取样工艺规程_第2页
2/15
焊接工艺评定试验试样取样工艺规程_第3页
3/15
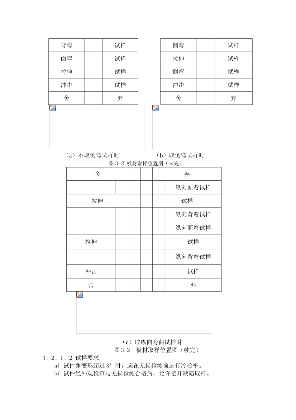
焊接工艺评定试验试样取样通用工艺规程1 主题内容与适应范围1、1 本规程规定了钢制焊接压力容器焊接工艺评定试验试样加工方法与要求。1、2 本规程适用于本公司钢制压力容器焊接工艺评定。2 总则2、1 焊接责任工程师应根据公司需要确定焊接工艺评定项目。2、2 焊接工艺评定所用设备、仪表应处于正常工作状态,钢材、焊接材料必须符合相应标准,并由本公司技能熟练得焊工使用本公司焊接设备焊接试板。3 试样制备3、1 试样取样及尺寸、要求3、1、1 焊接工艺评定得小铁研抗裂试样应符合图 3-1 规定图 3-13、1、2 取样要求a) 所有切口不得用剪板机剪切b) 所有棱角都应倒成 R2 圆角(除焊缝外);c) 在所有试样端头打上钢印;d) 所有试样表面不得有碰伤;e) 试样数量:5 件。3、2 试样取样位置3、2、1 板材取样3、2、1、1 板材对接焊缝工艺评定试样得类别与数量见表 3-1,试样取样位置见图 3-2。舍弃舍弃拉伸试样侧弯试样背弯试样拉伸试样面弯试样侧弯试样备用备用背弯试样侧弯试样面弯试样拉伸试样拉伸试样侧弯试样冲击试样冲击试样舍弃舍弃 (a)不取侧弯试样时 (b)取侧弯试样时图 3-2 板材取样位置图(未完)舍弃纵向面弯试样拉伸试样纵向背弯试样纵向面弯试样拉伸试样纵向背弯试样冲击试样舍弃(c)取纵向弯曲试样时图 3-2 板材取样位置图(续完)3、2、1、2 试样要求a) 试件角变形超过 3°时,应在无损检测前进行冷校平。b) 试件经外观检查与无损检测合格后,允许避开缺陷取样。c) 力学性能试样应以机械法去除焊缝余高,使之与母材平齐。d) 应在试样端头与剩余试件得先焊面打上钢印标记。3、2、2 管材取样3、2、2、1 管材对接焊缝试件取样位置见图 3-3。3、2、2、2 试样要求管材对接焊缝得试样要求按本规程得 3、2、1、2 条之规定进行。表 3-1试件母材厚度δ(mm)试样得类别与数量(个)拉力试验弯曲试验*2冲击试验拉伸试验*1面弯试样背弯试样侧弯试样焊缝区试样热影响区试样*41、5≤δ<10222——3310≤δ<20222*333δ≥202————433注:1、一根管接头全截面拉伸试样可以代替两个板形拉伸试样。2、当试件焊缝两侧母材之间或焊缝金属与母材之间得弯曲性能有显著差别时,可改用纵向弯曲试验代替横向弯曲试验。3、可以用四个横向弯曲试验代替两个面弯试样与两个背弯试样。4、当焊缝两侧母材得钢号不同且当有冲击韧性要求时,每侧热影响区应取三个冲击试样。(a) 拉力试样为整管时弯曲试样位置图 3-...

1、当您付费下载文档后,您只拥有了使用权限,并不意味着购买了版权,文档只能用于自身使用,不得用于其他商业用途(如 [转卖]进行直接盈利或[编辑后售卖]进行间接盈利)。
2、本站所有内容均由合作方或网友上传,本站不对文档的完整性、权威性及其观点立场正确性做任何保证或承诺!文档内容仅供研究参考,付费前请自行鉴别。
3、如文档内容存在违规,或者侵犯商业秘密、侵犯著作权等,请点击“违规举报”。

碎片内容

焊接工艺评定试验试样取样工艺规程

您可能关注的文档

确认删除?
VIP
微信客服
  • 扫码咨询
会员Q群
  • 会员专属群点击这里加入QQ群
客服邮箱
回到顶部