电脑桌面
添加小米粒文库到电脑桌面
安装后可以在桌面快捷访问

给排水设计要求

给排水设计要求_第1页
1/14
给排水设计要求_第2页
2/14
给排水设计要求_第3页
3/14
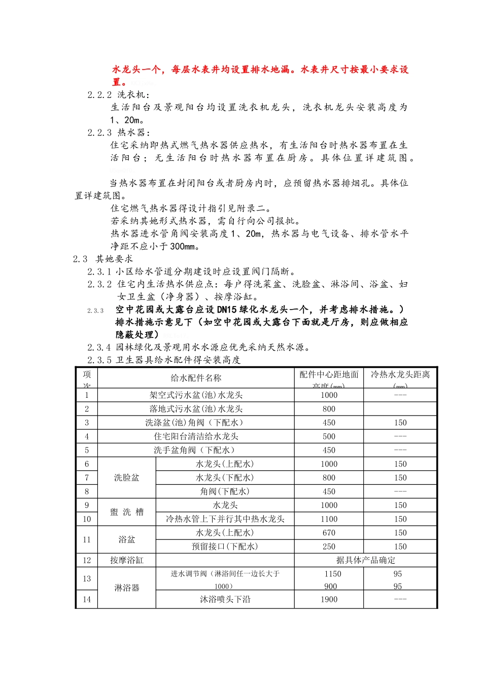
给排水(一) 说明1. 本设计要求适用于住宅项目,根据给水系统、排水系统、消防系统、设备要求等方面制定。2. 本设计要求中安装高度均指到建筑完成面得距离。3. 除特别注明外,标高以 m 计,其余均以 mm 计。4. 当地若有特别要求或习惯性做法时,按当地要求执行;否则,按本设计要求执行。(二) 给水系统1 管材选型1.1 室外部分(1)市政给水管 DN≥100 采纳水泥砂浆衬里球墨铸铁管,DN<100 采纳衬塑钢管。(2)加压给水管埋地部分采纳衬塑钢管,DN≤100 丝扣连接,DN>100 沟槽式卡箍连接,应视具体情况考虑防腐。5bEDIBg。1.2 室内部分不设水表间时,表前采纳衬塑钢管表后至入户之前用薄壁不锈钢管,入户之后用 PP-R 冷水管。当设水表间时户内水表前采纳衬塑钢管,表后冷水采纳冷水 PP-R 管,热水采纳专用热水 PP-R 管,管材必须经过 8760h 热稳定性试验。YgX5mvo。1.3 水池、水泵房管材水泵吸水管采纳 PVC-U 给水管,水池补水管、水池溢流排水管及放空排污管采纳 PVC-U 给水管,放空排污管如埋设在结构层内则采纳球墨铸铁管。其她采纳衬塑钢管或厂家配套得不锈钢管。2NCbdZe。1.4 绿化、喷灌管材采纳 PVC-U 给水管,管道阀门 DN≤50 采纳铸铁截止阀,DN>50 采纳铸铁闸阀。1.5 水景管材水泵出水管、埋地部分及水池补水管均采纳 PVC-U 给水管。2 技术要求2.1 室内管道布置原则当给水管道布置在找平层内时,客(餐)厅冷(热)水管距墙边100mm 布置,冷热水管中心间距 100mm;卫生间内管道原则上布置在墙体内,如遇结构柱或剪力墙时可布置在沉箱内。管道不应布置在卧室内。WRidoua。2.2 水表、洗衣机、热水器得设置要求2.2.1 水表及水表井:当住宅层数不满 13 层时,不设水表井,水表组集中设置在底层。当住宅层数超过 13 层时住宅在每层楼梯间或前室设独立水表井间,给水立管及水表均布置在水表井内,自首层起每五层在水表井内设 DN15 清洁水龙头一个,每层水表井均设置排水地漏。水表井尺寸按最小要求设置。KK3jxHe。2.2.2 洗衣机:生活阳台及景观阳台均设置洗衣机龙头,洗衣机龙头安装高度为1、20m。 2.2.3 热水器:住宅采纳即热式燃气热水器供应热水,有生活阳台时热水器布置在生活阳台;无生活阳台时热水器布置在厨房。具体位置详建筑图 。U5qmQf0。当热水器布置在封闭阳台或者厨房内时,应预留热水器排烟孔。具体位置详建筑图。住宅燃气热水器得设计指引见附录二。若采纳其她形式...

1、当您付费下载文档后,您只拥有了使用权限,并不意味着购买了版权,文档只能用于自身使用,不得用于其他商业用途(如 [转卖]进行直接盈利或[编辑后售卖]进行间接盈利)。
2、本站所有内容均由合作方或网友上传,本站不对文档的完整性、权威性及其观点立场正确性做任何保证或承诺!文档内容仅供研究参考,付费前请自行鉴别。
3、如文档内容存在违规,或者侵犯商业秘密、侵犯著作权等,请点击“违规举报”。

碎片内容

给排水设计要求

确认删除?
VIP
微信客服
  • 扫码咨询
会员Q群
  • 会员专属群点击这里加入QQ群
客服邮箱
回到顶部