电脑桌面
添加小米粒文库到电脑桌面
安装后可以在桌面快捷访问

起重吊装钢丝绳的选用

起重吊装钢丝绳的选用_第1页
1/11
起重吊装钢丝绳的选用_第2页
2/11
起重吊装钢丝绳的选用_第3页
3/11
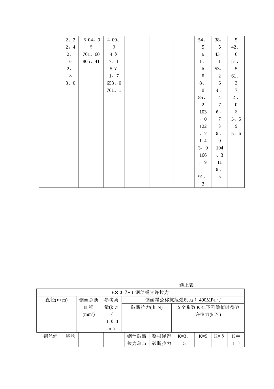
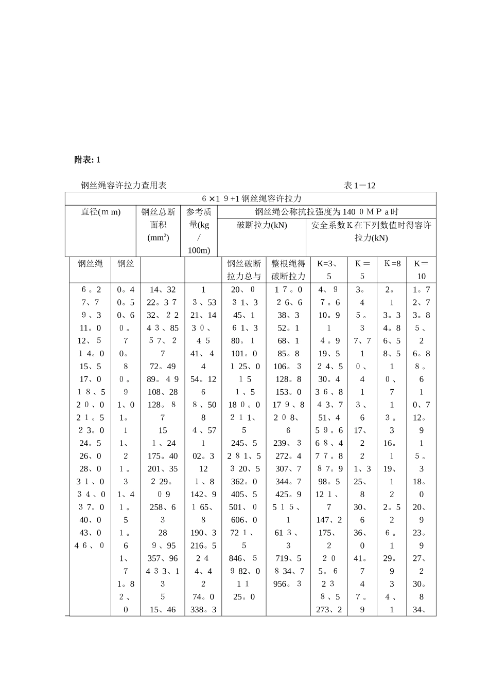
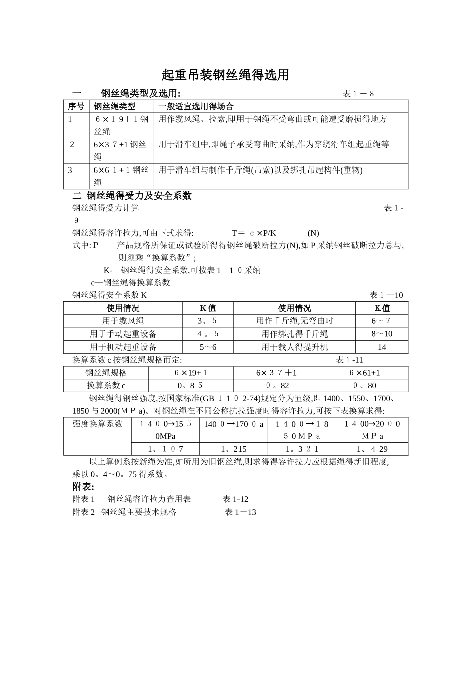
起重吊装钢丝绳得选用一 钢丝绳类型及选用: 表1-8序号钢丝绳类型一般适宜选用得场合16×1 9+1钢丝绳用作缆风绳、拉索,即用于钢绳不受弯曲或可能遭受磨损得地方26×3 7+1 钢丝绳用于滑车组中,即绳子承受弯曲时采纳,作为穿绕滑车组起重绳等36×6 1+1钢丝绳用于滑车组与制作千斤绳(吊索)以及绑扎吊起构件(重物)二 钢丝绳得受力及安全系数钢丝绳得受力计算 表1-9钢丝绳得容许拉力,可由下式求得: T= c×P/K (N)式中:P——产品规格所保证或试验所得得钢丝绳破断拉力(N),如 P 采纳钢丝破断拉力总与,则须乘“换算系数”; K-—钢丝绳得安全系数,可按表 1—1 0采纳 c—钢丝绳得换算系数钢丝绳得安全系数 K 表1—10使用情况K 值使用情况K值用于缆风绳3、5用作千斤绳,无弯曲时6~7用于手动起重设备4。5用作绑扎得千斤绳8~10用于机动起重设备5~6用于载人得提升机14换算系数 c 按钢丝绳规格而定: 表1-11钢丝绳规格6×19+16×37+16×61+1换算系数 c0。8 50。820、80钢丝绳得钢丝强度,按国家标准(GB 1 1 0 2-74)规定分为五级,即 1400、1550、1700、1850 与 2000(MP a)。对钢丝绳在不同公称抗拉强度时得容许拉力,可按下表换算求得:强度换算系数1 4 0 0→15 50MPa140 0→170 0 a1 4 0 0→1 85 0 M P a1 4 00→20 0 0MP a1、10 71、2151。3 2 11、4 29以上算例系按新绳为准,如所用为旧钢丝绳,则求得得容许拉力应根据绳得新旧程度,乘以 0。4~0。75 得系数。附表:附表 1 钢丝绳容许拉力查用表 表 1-12附表 2 钢丝绳主要技术规格 表 1-13附表:1 钢丝绳容许拉力查用表 表 1-126×1 9+1 钢丝绳容许拉力直径(m m)钢丝总断面积(mm2)参考质量(kg/100m)钢丝绳公称抗拉强度为 140 0MP a 时破断拉力(kN)安全系数K在下列数值时得容许拉力(kN)钢丝绳钢丝钢丝破断拉力总与整根绳得破断拉力K=3、5K=5K=8K=106。27、79、311。012、51 4。015、517、018、52 0、02 1。52 3。024。526、028、03 1、034、03 7。040、043、04 6、00。40。50、60。70。80。91、01。11、21。31、41。51。61、71。82、014、3222。3 732、2 24 3、855 7、2772。4989。4 9108、28128。87151、24175。40201、352 29。0 9258、63289、95357、964 3 3、13515、4613、5321、143 0、45...

1、当您付费下载文档后,您只拥有了使用权限,并不意味着购买了版权,文档只能用于自身使用,不得用于其他商业用途(如 [转卖]进行直接盈利或[编辑后售卖]进行间接盈利)。
2、本站所有内容均由合作方或网友上传,本站不对文档的完整性、权威性及其观点立场正确性做任何保证或承诺!文档内容仅供研究参考,付费前请自行鉴别。
3、如文档内容存在违规,或者侵犯商业秘密、侵犯著作权等,请点击“违规举报”。

碎片内容

起重吊装钢丝绳的选用

确认删除?
VIP
微信客服
  • 扫码咨询
会员Q群
  • 会员专属群点击这里加入QQ群
客服邮箱
回到顶部