电脑桌面
添加小米粒文库到电脑桌面
安装后可以在桌面快捷访问

轻钢结构彩钢板大棚设计书

轻钢结构彩钢板大棚设计书_第1页
1/17
轻钢结构彩钢板大棚设计书_第2页
2/17
轻钢结构彩钢板大棚设计书_第3页
3/17
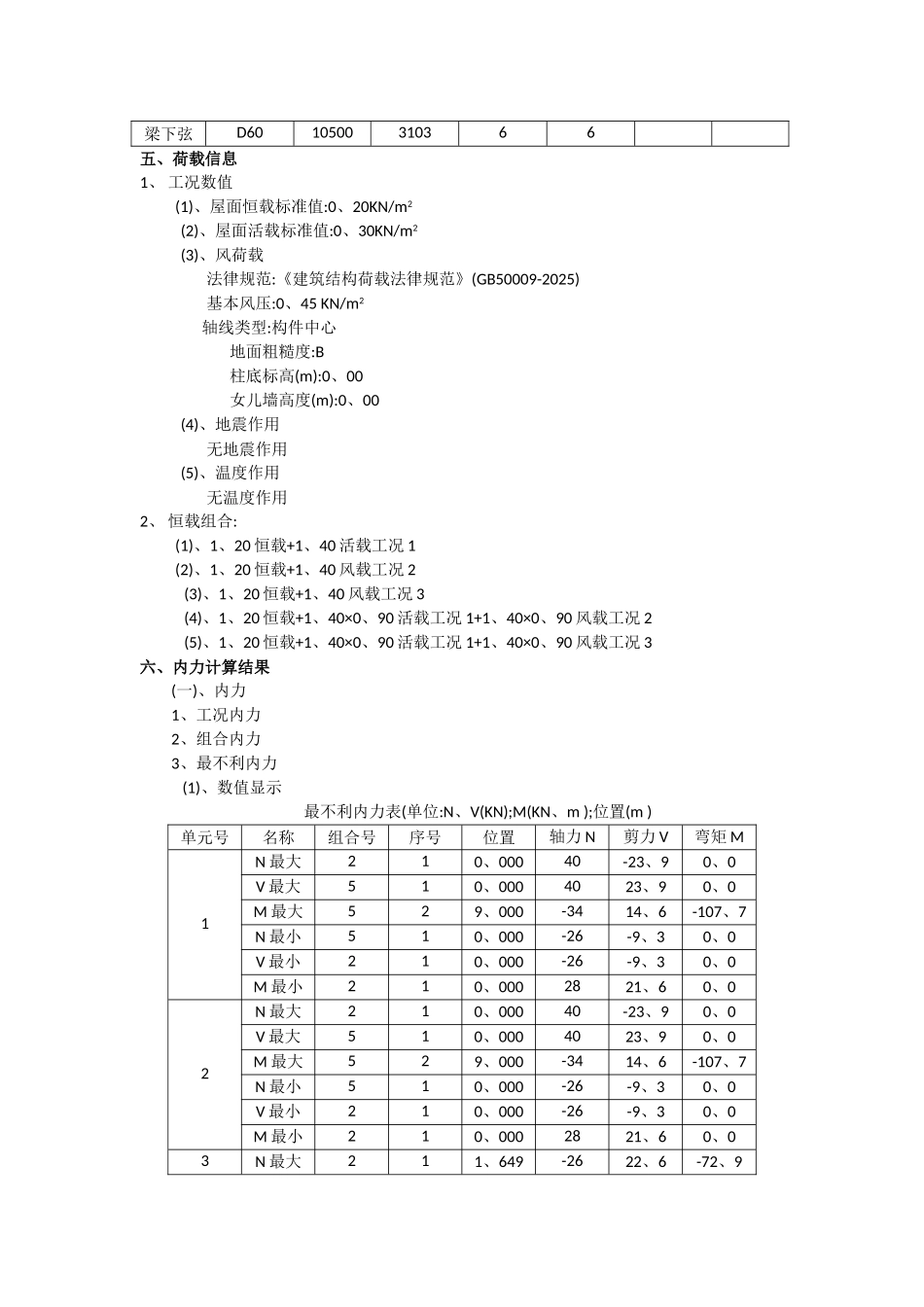
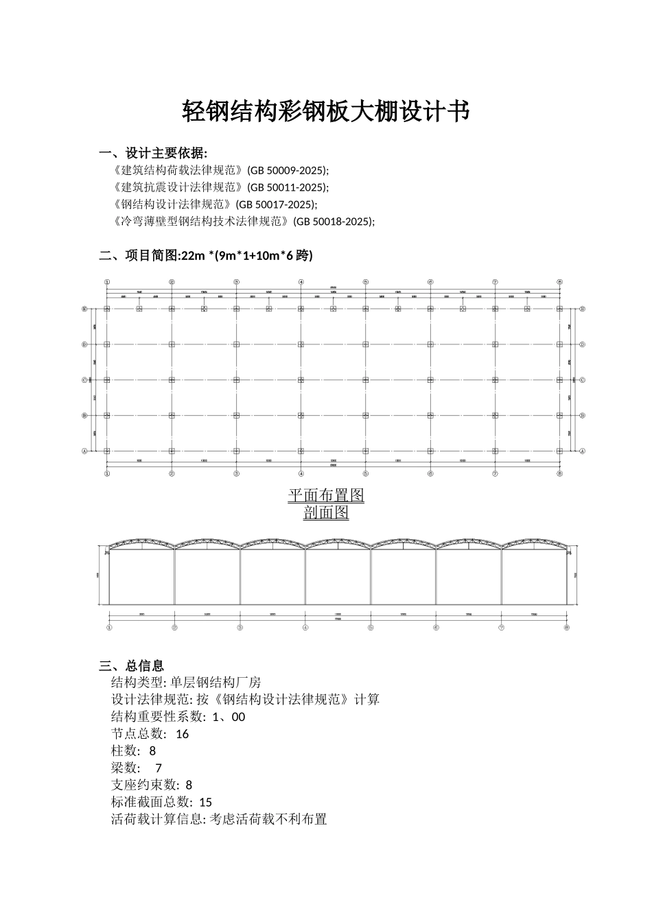
轻钢结构彩钢板大棚设计书一、设计主要依据: 《建筑结构荷载法律规范》(GB 50009-2025); 《建筑抗震设计法律规范》(GB 50011-2025); 《钢结构设计法律规范》(GB 50017-2025); 《冷弯薄壁型钢结构技术法律规范》(GB 50018-2025);二、项目简图:22m *(9m*1+10m*6 跨)平面布置图剖面图三、总信息 结构类型: 单层钢结构厂房 设计法律规范: 按《钢结构设计法律规范》计算 结构重要性系数: 1、00 节点总数: 16 柱数: 8 梁数: 7 支座约束数: 8 标准截面总数: 15 活荷载计算信息: 考虑活荷载不利布置 风荷载计算信息: 计算风荷载 钢材: Q235 梁柱自重计算信息: 柱梁自重都计算 恒载作用下柱得轴向变形: 考虑 梁柱自重计算增大系数: 1、20 基础计算信息: 不计算基础 梁刚度增大系数: 1、00 钢结构净截面面积与毛截面面积比: 0、85 钢柱计算长度系数计算方法: 有侧移 钢结构阶形柱得计算长度折减系数: 0、800 钢结构受拉柱容许长细比: 200 钢结构受压柱容许长细比: 150 钢梁(恒+活)容许挠跨比: l / 250 钢梁(活)容许挠跨比: l / 300 柱顶容许水平位移/柱高: l / 150 地震作用计算: 计算水平地震作用 计算震型数: 3 地震烈度: 6、00 场地土类别:Ⅱ 类 附加重量节点数: 0 设计地震分组:第一组 周期折减系数:0、80 地震力计算方法:振型分解法 结构阻尼比:0、050 按 GB50011-2001 地震效应增大系数 1、000 窄行输出全部内容四、几何信息各节点信息如下表:节点号X 坐标(mm)Z 坐标(mm)X 向约束Y 向约束Z 向约束绕 X 轴约束绕 X 轴约束绕 X 轴约束109000√√√√√√268751048131375090004137500500√√√√√√各单元信息如下表单元号截面名称长度(mm)面积(mm2)绕 X 轴惯性矩(×104mm4)绕 Y 轴惯性矩(×104mm4)绕 X 轴计算长度系数绕 Y 轴计算长度系数柱 1D16590004712133113310、730、56柱 1D16590004712133113310、740、56梁上弦D5010500310366梁腹杆D21705231733梁下弦D6010500310366五、荷载信息1、 工况数值 (1)、屋面恒载标准值:0、20KN/m2(2)、屋面活载标准值:0、30KN/m2(3)、风荷载 法律规范:《建筑结构荷载法律规范》(GB50009-2025) 基本风压:0、45 KN/m2 轴线类型:构件中心地面粗糙度:B柱底标高(m):0、00女儿墙高度(m):0、00(4)、地震作用 无地震作用(5)、温度作用 无温度作用2、 恒载组合: (1)、1、20 恒载+1、40 活载工况 1 (2...

1、当您付费下载文档后,您只拥有了使用权限,并不意味着购买了版权,文档只能用于自身使用,不得用于其他商业用途(如 [转卖]进行直接盈利或[编辑后售卖]进行间接盈利)。
2、本站所有内容均由合作方或网友上传,本站不对文档的完整性、权威性及其观点立场正确性做任何保证或承诺!文档内容仅供研究参考,付费前请自行鉴别。
3、如文档内容存在违规,或者侵犯商业秘密、侵犯著作权等,请点击“违规举报”。

碎片内容

轻钢结构彩钢板大棚设计书

确认删除?
VIP
微信客服
  • 扫码咨询
会员Q群
  • 会员专属群点击这里加入QQ群
客服邮箱
回到顶部