电脑桌面
添加小米粒文库到电脑桌面
安装后可以在桌面快捷访问

通信工程施工组织设计

通信工程施工组织设计_第1页
1/108
通信工程施工组织设计_第2页
2/108
通信工程施工组织设计_第3页
3/108
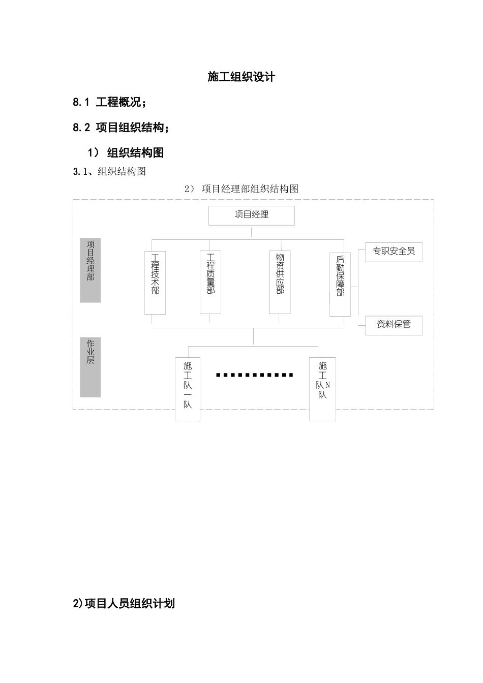
施工组织设计8.1 工程概况;8.2 项目组织结构;1) 组织结构图3.1、组织结构图2) 项目经理部组织结构图3)4)5)6)7)8)9)10)11)12)13)2)项目人员组织计划项目经理部资料保管专职安全员工程质量部物资供应部后勤保障部项目经理工程技术部作业层施工队一队施工队 N队我公司根据联通集团客户接入项目施工工程的特点及招标文件要求设立工程项目管理机构(项目部)。项目部设项目经理 1 名(唯一、一级建造师、通信工程师)、工程项目管理 14 人,分别担任:技术负责人 1 名(一级建造师、通信工程师)、工程质量负责人 1 名(高级通信工程师)、物资、材料供应负责人 1 名(助理通信工程师)、后勤保障部负责人 1 名(通信工程师)、专职安全员负责人 1 名(助理通信工程师),合同管理负责人 1 人(造价员、助理通信工程师)、工程结算员 1 人(会计师),项目部下设 8 支专业施工队,分别由 8 位项目管理负责,他们对项目经理负责。其中:第一、二施工队负责设备、传输安装施工,施工队配备技工 8 人、普工 8 人,共计 16 人;第三施工队负责电缆施工,施工队配备技工 5 人、普工5 人,接共计约 10 人;第四、五施工队负责光缆施工,施工队配备技工 8 人、普工 8 人,接共计约 16 人;第六、七、八施工队负责综合布线施工,每个施工队配备技工 8 人、普工 8 人,接共计约 48 人;工程项目部拟配置现场施工人员约 90 人组成(含管理机构人员)。3)项目人员岗位职责1、项目经理部职责:具体组织履行工程项目的施工合同,负责施工质量、安全环境、进度和成本的控制;及时向甲方提交开工报告、隐蔽工程签证、工程事故报告、测试记录、质量检查记录、停(复)工报告、设计变更单、完工报告、设备材料交接书、余料交接书、竣工验收报告等相关资料,并编制提交竣工资料电子版;编制工程预结算及处理施工中发生的一切问题。工程项目经理部下设工程技术部、工程质量部、物资(材料)供应部、后勤保障组、专职安全员。 代表我公司履行工程项目承包合同责任和义务,协调关系; 执行我公司质量方针,贯彻 ISO-9001 标准,实现工程项目质量目标,对工程项目质量负全责; 建立和完善项目的组织机构,合理调配人员、机具、仪表、车辆等; 负责工程项目的日常工作,负责内外协调; 编制和强制执行技术要求和标准; 掌握施工进度及时调整计划; 作好器材筹供、分配到位。2、作业层...

1、当您付费下载文档后,您只拥有了使用权限,并不意味着购买了版权,文档只能用于自身使用,不得用于其他商业用途(如 [转卖]进行直接盈利或[编辑后售卖]进行间接盈利)。
2、本站所有内容均由合作方或网友上传,本站不对文档的完整性、权威性及其观点立场正确性做任何保证或承诺!文档内容仅供研究参考,付费前请自行鉴别。
3、如文档内容存在违规,或者侵犯商业秘密、侵犯著作权等,请点击“违规举报”。

碎片内容

通信工程施工组织设计

您可能关注的文档

确认删除?
VIP
微信客服
  • 扫码咨询
会员Q群
  • 会员专属群点击这里加入QQ群
客服邮箱
回到顶部