电脑桌面
添加小米粒文库到电脑桌面
安装后可以在桌面快捷访问

题目机械加工工艺规程大学论文

题目机械加工工艺规程大学论文_第1页
1/40
题目机械加工工艺规程大学论文_第2页
2/40
题目机械加工工艺规程大学论文_第3页
3/40
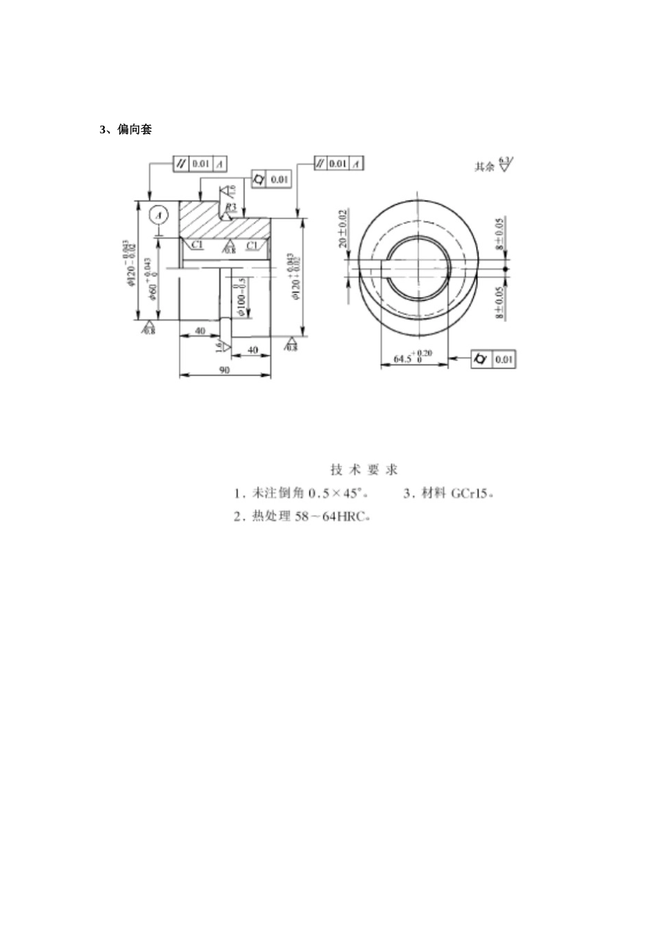
设计题目设计"********"零件(图 1)机械加工工艺规程。年产 5000件。1、连杆螺钉技术要求 1.调质处理 28~32HRC。 3.Φ340-0.016mm 圆度、圆柱公差为 0.008mm。2.材料 40Cr 4、磁粉探伤,无裂纹,夹渣等缺陷。2、活塞杆3、偏向套4、密封圈定位套5、十字头滑套6、活塞技术要求1.铸件时效处理。 3.活塞环槽 80+0.02mm 入口倒角为 0.3Χ450。2.材料 HT200。 4、未注明倒角 1X450。7、十字头技术要求1.铸件时效处理。 3.铸造圆角 R5。2.材料 HT200。 4、未注明倒角 1X450。8、圆柱齿轮技术要求 齿轮基本参数 1.热处理:190~217HBS。 m=5 2. 未注明倒角 1X450。 Z=63 3. 材料 HT200。 a=200 精度等级 8-7-7GK9 齿轮轴10、倒档齿轮11、齿条12、矩形齿花键轴技术要求1.调质处理 28~32HRC。 3. 未注明倒角 0.5X450。2.材料 45。 13、矩形齿花键套14、车床拨叉15、轴承座16 三轴连杆,锻造毛坯17、双联齿轮18、外齿轮 (模数 mn=10,齿数 z=97)19、定位支座零件图20、摇杆零件图21、轴,材料为棒料22、缸套23、齿轮轴24、皮带轮25、轴承座150120 60361.60.02 B 1.6B4- 11φφ16 0.03 A13+0.035φ6000.81.66.360±0.052-φ8(配作)605A(105)4-M8铸造圆角R5材料:HT200其余6.3102026、拨叉A 120°R25R3580φ25φ40+0.0250M89125±0.10-0.1203.23.23.23.21.66.36.340 0.05 A 0.05 A 铸造圆角R5材料:HT200其余6.32527、车轮28、拨叉29 拨叉30、法兰盘31、行星齿轮减速器行星轴32、行星齿轮减速器花键轴33、法兰,材料 4534、行星齿轮减速器输入盖板,材料 Q23535、行星齿轮减速器鼓形齿套,材料 40Cr36 螺旋杆37 架体38 右端盖39 轴承座40 c6140 车床拨叉

1、当您付费下载文档后,您只拥有了使用权限,并不意味着购买了版权,文档只能用于自身使用,不得用于其他商业用途(如 [转卖]进行直接盈利或[编辑后售卖]进行间接盈利)。
2、本站所有内容均由合作方或网友上传,本站不对文档的完整性、权威性及其观点立场正确性做任何保证或承诺!文档内容仅供研究参考,付费前请自行鉴别。
3、如文档内容存在违规,或者侵犯商业秘密、侵犯著作权等,请点击“违规举报”。

碎片内容

题目机械加工工艺规程大学论文

确认删除?
VIP
微信客服
  • 扫码咨询
会员Q群
  • 会员专属群点击这里加入QQ群
客服邮箱
回到顶部