电脑桌面
添加小米粒文库到电脑桌面
安装后可以在桌面快捷访问

16t简支吊车梁验算计算书

16t简支吊车梁验算计算书_第1页
1/14
16t简支吊车梁验算计算书_第2页
2/14
16t简支吊车梁验算计算书_第3页
3/14
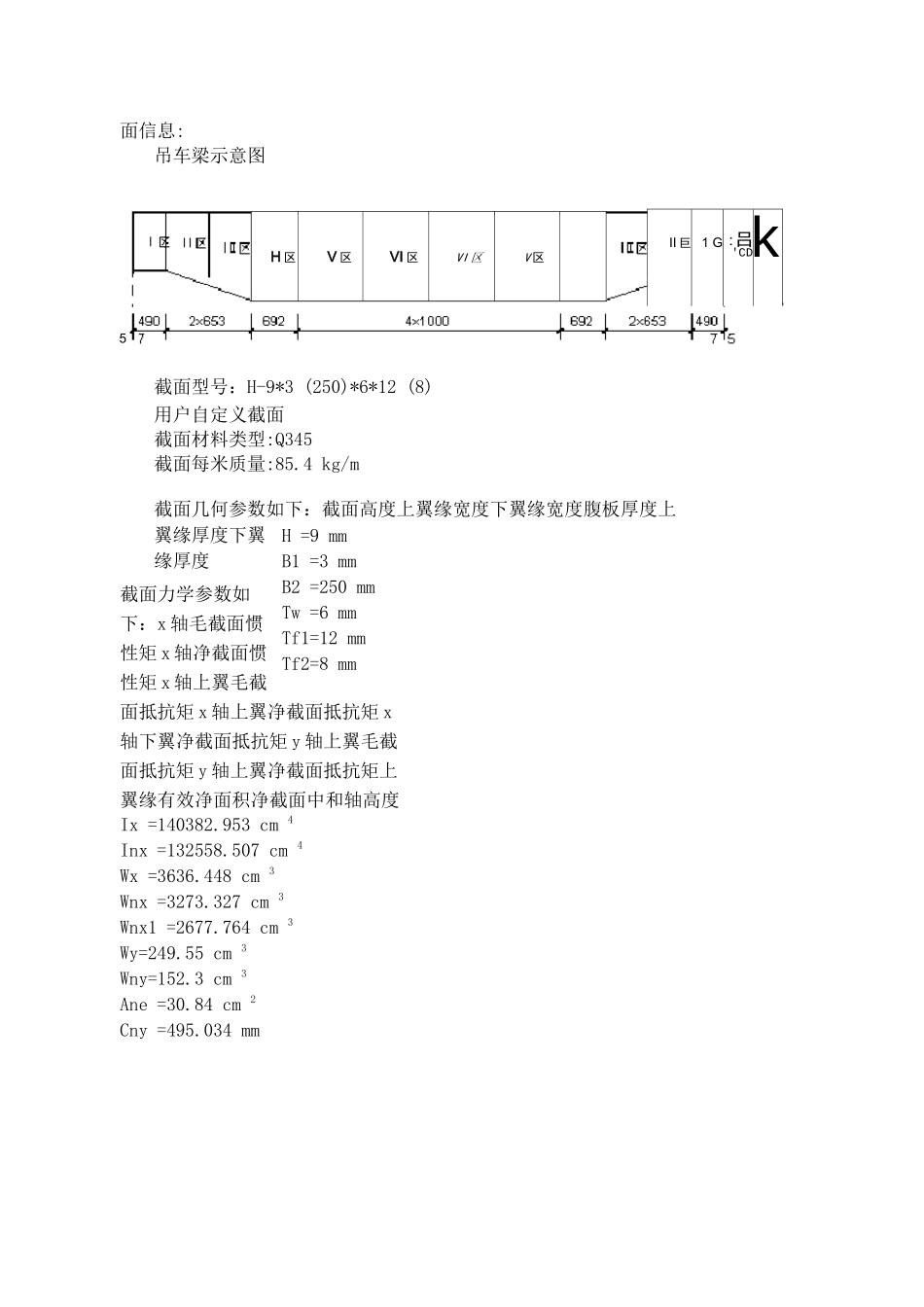
简支吊车梁验算计算书计算软件:MTS 钢结构设计系列软件计算时间:20 年 09 月 04 日09:58:53一. 设计资料1 基本信息:验算依据:钢结构设计法律规范(GB 517-23)建筑结构荷载法律规范(GB 509-21)吊车梁跨度:l=90 mm吊车梁平面外计算长度:l0=90 mm吊车梁所在柱列:边列柱吊车梁所在位置类型:中间跨2 吊车信息:吊车梁上有两台不同吊车同时运行第一台吊车基本信息(参图 I)P1P1图 I——吊车一几何尺寸示意图吊车类型:10t195 一轻级软钩吊车吊车跨度:195 mm吊车自重:7.1 t小车重量:1 t吊车起重量:10 t工作级别:A1~A3(轻级)吊钩形式:软钩吊车单侧轮子数:2 个最大轮压:80 kN最小轮压:12.8 kN轨道类型:43Kg/m吊车宽度:30 mm吊车轮距 C:25 mm第二台吊车基本信息(参图 II)P2P2匚即 L 为凹 L 方 L * * • *图 II—吊车二 TL 何尺寸示意图吊车类型:16t195 一轻级软钩吊车吊车跨度:195 mm吊车自重:7.41 t小车重量:1.6 t吊车起重量:16 t工作级别:A1~A3(轻级)吊钩形式:软钩吊车单侧轮子数:2 个最大轮压:98.8 kN最小轮压:17.5 kN轨道类型:QU70吊车宽度:35 mm吊车轮距 C:30 mm3 荷载信息:吊车竖向荷载增大系数:印=1.04吊车荷载分项系数:《=1.4当地重力加速度值:g=9.8附加竖向均布活载标准值:0 kN/m附加水平均布活载标准值:0 kN/m吊车一动力系数:p1=1.05吊车一横向水平刹车力系数:01=0.12吊车一摆动力系数:a1=0吊车二动力系数:p2=1.05吊车二横向水平刹车力系数:02=0.1吊车二摆动力系数:o2=04 验算控制信息:吊车梁竖向挠度允许值:1/8吊车梁水平挠度允许值:1/22对中级工作制吊车梁按《钢规》要求不进行疲劳验算 5 吊车梁截面信息:吊车梁示意图截面型号:H-9*3 (250)*6*12 (8)用户自定义截面截面材料类型:Q345截面每米质量:85.4 kg/m截面几何参数如下:截面高度上翼缘宽度下翼缘宽度腹板厚度上翼缘厚度下翼缘厚度截面力学参数如下:x 轴毛截面惯性矩 x 轴净截面惯性矩 x 轴上翼毛截面抵抗矩 x 轴上翼净截面抵抗矩 x轴下翼净截面抵抗矩 y 轴上翼毛截面抵抗矩 y 轴上翼净截面抵抗矩上翼缘有效净面积净截面中和轴高度Ix =140382.953 cm 4Inx =132558.507 cm 4Wx =3636.448 cm 3Wnx =3273.327 cm 3Wnx1 =2677.764 cm 3Wy=249.55 cm 3Wny=152.3 cm 3Ane =30.84 cm 2Cny =495.034 mmH 区V 区VI 区VI 区V 区II 巨 1 G :吕...

1、当您付费下载文档后,您只拥有了使用权限,并不意味着购买了版权,文档只能用于自身使用,不得用于其他商业用途(如 [转卖]进行直接盈利或[编辑后售卖]进行间接盈利)。
2、本站所有内容均由合作方或网友上传,本站不对文档的完整性、权威性及其观点立场正确性做任何保证或承诺!文档内容仅供研究参考,付费前请自行鉴别。
3、如文档内容存在违规,或者侵犯商业秘密、侵犯著作权等,请点击“违规举报”。

碎片内容

16t简支吊车梁验算计算书

您可能关注的文档

雏圣文化+ 关注
实名认证
内容提供者

欢迎光临,大量办公文档供您挑选。

相关文档

确认删除?
VIP
微信客服
  • 扫码咨询
会员Q群
  • 会员专属群点击这里加入QQ群
客服邮箱
回到顶部