电脑桌面
添加小米粒文库到电脑桌面
安装后可以在桌面快捷访问

SQ防水材料施工专项方案

SQ防水材料施工专项方案_第1页
1/4
SQ防水材料施工专项方案_第2页
2/4
SQ防水材料施工专项方案_第3页
3/4
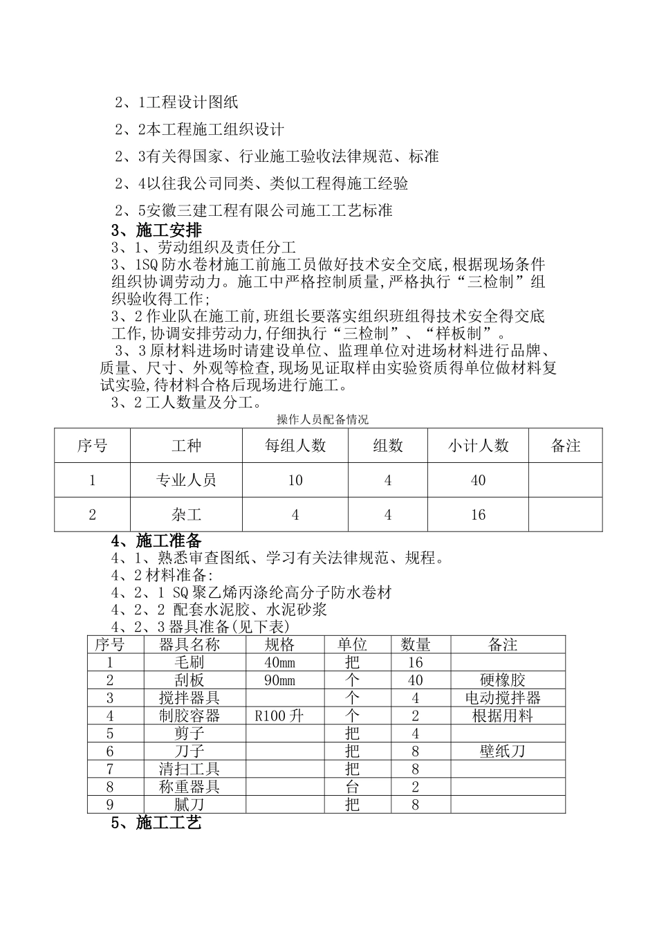
目 录1、工程概况……………………………………………………22、设计依据……………………………………………………23、施工安排……………………………………………………34、施工准备……………………………………………………35、施工工艺……………………………………………………46、SQ 卷材施工应注意事项……………………………………67、防护层得施工与操作…………………………………………71、工程概况工程名称:伟瑞龙湖湾住宅小区工程建设地点:芜湖市经济技术开发区千岛湖路、衡山路交叉口建设单位:安徽伟瑞置业有限公司设计单位:合肥工业大学建筑设计讨论院 勘察单位:中铁时代建筑设计讨论院有限公司监理单位:浙江双圆工程监理咨询有限公司施工单位:安徽三建工程有限公司本工程分为一期与二期工程。其中一期工程由14幢多层住宅建筑、地下车库及附属工程组成,总建筑面积约57137、02m2;其中6#楼为地上5层,7#、8#楼为地上6层;9#~19#楼为地下1层、地上6层。本工程就是由一个建筑群组成,工程结构形式为钢筋混凝土框架结构。龙湖湾住宅工程建筑物安全等级为二级,抗震设防烈度为 6 度,建筑物抗震设防类别为标准设防类(丙类),地下室防水等级为Ⅱ级(变电房为Ⅰ级),地基基础设计等级为乙类,场地类别为Ⅱ类,设计使用年限为 50 年,屋面防水等级为Ⅱ级,地下室作为地下车库。地下室基础采纳独立基础(局部存在基础承台、梁),基础持力层为粉质粘土,承载力特征值不低于 250 Kpa。地下防水等级二级,混凝土采纳 P6 防水混凝土,由于地下室超长,地下室设计了 800mm 宽后浇带,后浇带砼强度等级为 C35P6,主要构件混凝土强度等级 C30,次要构件混凝土强度等级 C25。2、设计依据2、1工程设计图纸2、2本工程施工组织设计2、3有关得国家、行业施工验收法律规范、标准2、4以往我公司同类、类似工程得施工经验2、5安徽三建工程有限公司施工工艺标准3、施工安排3、1、劳动组织及责任分工3、1SQ 防水卷材施工前施工员做好技术安全交底,根据现场条件组织协调劳动力。施工中严格控制质量,严格执行“三检制”组织验收得工作;3、2 作业队在施工前,班组长要落实组织班组得技术安全得交底工作,协调安排劳动力,仔细执行“三检制”、“样板制”。3、3 原材料进场时请建设单位、监理单位对进场材料进行品牌、质量、尺寸、外观等检查,现场见证取样由实验资质得单位做材料复试实验,待材料合格后现场进行施工。3、2 工人数量及分工。操作人员配备情况序号工种每...

1、当您付费下载文档后,您只拥有了使用权限,并不意味着购买了版权,文档只能用于自身使用,不得用于其他商业用途(如 [转卖]进行直接盈利或[编辑后售卖]进行间接盈利)。
2、本站所有内容均由合作方或网友上传,本站不对文档的完整性、权威性及其观点立场正确性做任何保证或承诺!文档内容仅供研究参考,付费前请自行鉴别。
3、如文档内容存在违规,或者侵犯商业秘密、侵犯著作权等,请点击“违规举报”。

碎片内容

SQ防水材料施工专项方案

元素商铺+ 关注
实名认证
内容提供者

欢迎挑选合适的文档

确认删除?
VIP
微信客服
  • 扫码咨询
会员Q群
  • 会员专属群点击这里加入QQ群
客服邮箱
回到顶部