电脑桌面
添加小米粒文库到电脑桌面
安装后可以在桌面快捷访问

《“福建省企业清洁生产信息管理系统”企业用户操作手册》VIP专享

《“福建省企业清洁生产信息管理系统”企业用户操作手册》_第1页
1/13
《“福建省企业清洁生产信息管理系统”企业用户操作手册》_第2页
2/13
《“福建省企业清洁生产信息管理系统”企业用户操作手册》_第3页
3/13
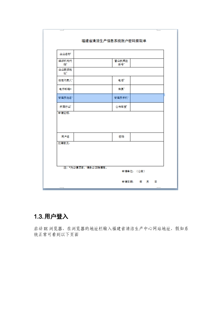
福建省企业清洁生产信息管理系统(福建省企业清洁生产备案操作手册)1. 基本信息1.1.系统支持使用对象:企业用户客户端软件要求:操作系统:Windows 2000 或 Windows XP;浏览器:Internet Explorer 6.0 以上; firefox 3.0 以上。福建省清洁生产中心网址:http://www.fjcpc.org/福建省清洁生产系信息管理系统网址:https://www.fjcpc.org/sys/1.2.账户密码申请方法企业需要索取账户密码,为保护企业信息不外流,需要从中心网站下载《福建省清洁生产信息系统账户密码索取单》,并根据《福建省清洁生产信息系统账户密码索取单》所列项目填写,对有“*”标志的为必填项正确填写,中心网站管理员将根据所填信息进行回复。《福建省清洁生产信息系统账户密码索取单》样例:1.3.用户登入启动 IE 浏览器,在浏览器的地址栏输入福建省清洁生产中心网站地址,假如系统正常可看到以下页面如图这是网站的欢迎界面,点击“进入信息管理系统”进入“进入信息管理系统”的“登入界面”输入用户名和密码,点击登入。假如登入成功会看到用户页面(如下图)点 击 “ 进 入 信息 管 理 系 统 ”备案假如失败则会弹出如下提示框,按“确定”按钮后,请重新输入用户名和密码。注:第一次登陆用户请及时更改密码,以免密码破解造成信息泄露。2. 备案功能说明登入成功后,点击左边的“备案管理——企业基础信息”,右边页面刷新,假如系统正常可以看到以下页面:选中企业,点击右上角“修改”按钮,进入备案界面。如下图:前面有“*”为必填项,根据前面填写项目或提示填写有关内容,,在所有填写内容都要完整的,真实的,正确的。2.1.附件上传方法点击,就会增加一行添加附件,如图:点击浏览,会弹出“选择文件”对话框找到文件所在地址,选中文件,点击打开。如图:根据上传附件内容在浏览按钮前得文本框内填写名称。如下图:假如上传信息有误或者其他原因需要删除,点击操作栏下的删除按钮即可删除。如图:2.2.其他按钮的使用如图:在填写过程中,假如一次性未填写完毕或者不确定填写是否正确需要再次核查,可点击页面最下方“保存”按钮进行保存。保存成功会弹出对话框,提示“保存成功”,如下图:一旦提交所填写的信息就不能修改,所以所有内容填写完整并且确定是真实的,正确的,就可以点击“提交”按钮进行提交,会弹出对话提示。如图:确认无误的情况下,点击确定,当备案成功会弹出“保存成功”的对话框,说明备案已完成。如下图:假...

1、当您付费下载文档后,您只拥有了使用权限,并不意味着购买了版权,文档只能用于自身使用,不得用于其他商业用途(如 [转卖]进行直接盈利或[编辑后售卖]进行间接盈利)。
2、本站所有内容均由合作方或网友上传,本站不对文档的完整性、权威性及其观点立场正确性做任何保证或承诺!文档内容仅供研究参考,付费前请自行鉴别。
3、如文档内容存在违规,或者侵犯商业秘密、侵犯著作权等,请点击“违规举报”。

碎片内容

《“福建省企业清洁生产信息管理系统”企业用户操作手册》

确认删除?
VIP
微信客服
  • 扫码咨询
会员Q群
  • 会员专属群点击这里加入QQ群
客服邮箱
回到顶部