电脑桌面
添加小米粒文库到电脑桌面
安装后可以在桌面快捷访问

中学理化生实验室配置参数

中学理化生实验室配置参数_第1页
1/4
中学理化生实验室配置参数_第2页
2/4
中学理化生实验室配置参数_第3页
3/4
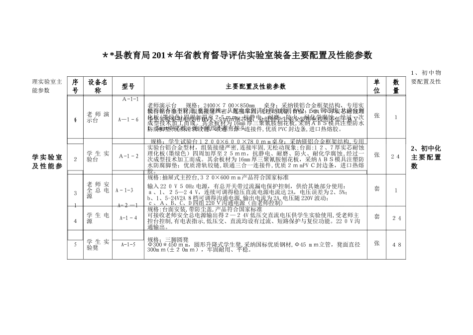
**县教育局 201*年省教育督导评估实验室装备主要配置及性能参数1 、 初 中 物理实验室主要配置及性能参数6实 验 室电 器 布线A—1-6使用原有地下管道,重新穿线,从配电盘到讲台得电线用 BV2、5mm 铜芯线,从讲台到学生实验桌得电线用 BV2、5 mm铜芯线,分组到学生桌安装得电线用不低于 B V1、5m m铜芯线。地下铺线不准有接头室12、初中化学 实 验 室主 要 配 置及 性 能 参数1老 师 演示台A-2—1规格:老师演示台 2 4 00×7 0 0×8 5 0mm 桌身:采纳镁铝合金框架结构,专用实验台铝合金型材,组装接缝严密,连接牢固,无松动现象;台面:12、7 厚实芯耐蚀理化板(墨绿色)四周加厚至 2 5m m,,抗静电、耐磨、防火、耐化学腐蚀,经过一次成型技术加工而成,台面与后挡水板、侧挡水板由精密机械加工成 90°角连体,机械打磨。其余板材为 16 m m 厚三聚氰胺刨花板,采纳 ABS 模具注塑防水防腐脚垫;优质滑轨铰链,联通三合一连接件,优质 2mm P VC封边条,进口热熔胶。张1序号设备名称型号主要配置及性能参数单位数量1老 师 演示台A-1-1老师演示台 规格:2400×7 00×850mm 桌身:采纳镁铝合金框架结构,专用实验台铝合金型材,组装接缝严密,连接牢固,无松动现象;台面:1 2、7厚实芯耐蚀理化板(墨绿色)四周加厚至2 5 mm,抗静电、耐磨、防火、耐化学腐蚀,经过一次成型技术加工而成。其余板材为 16mm 厚三聚氰胺刨花板,采纳A B S模具注塑防水防腐脚垫;优质滑轨铰链,联通三合一连接件,优质 PVC 封边条,进口热熔胶。张12学 生 实验台A-1-2 规格:学生试验台 1 20 0×6 00×78 0m m 桌身:采纳镁铝合金框架结构,专用实验台铝合金型材,组装接缝严密,连接牢固,无松动现象;台面:1 2、7 厚实芯耐蚀理化板(墨绿色)四周加厚至25mm,抗静电、耐磨、防火、耐化学腐蚀,经过一次成型技术加工而成。其余板材为 16mm 厚三聚氰胺刨花板,采纳 A BS模具注塑防水防腐脚垫;优质滑轨铰链,联通三合一连接件,优质2m mPV C封边条,进口热熔胶。张2 43老 师 安全 总 电源A-1-3规格:抽屉式主控台,3 2 0×600 m m 产品符合国家标准输入 22 0 V 5 0Hz 电源,有总开关带过流漏电保护控制,供给其她部分使用:a、1、2 5—2 4 V,连续可调得稳压直流电源电流达 2A,电压误差为 2、5%; b、1、5-24V2A 8档可调得沟...

1、当您付费下载文档后,您只拥有了使用权限,并不意味着购买了版权,文档只能用于自身使用,不得用于其他商业用途(如 [转卖]进行直接盈利或[编辑后售卖]进行间接盈利)。
2、本站所有内容均由合作方或网友上传,本站不对文档的完整性、权威性及其观点立场正确性做任何保证或承诺!文档内容仅供研究参考,付费前请自行鉴别。
3、如文档内容存在违规,或者侵犯商业秘密、侵犯著作权等,请点击“违规举报”。

碎片内容

中学理化生实验室配置参数

文森传品+ 关注
实名认证
内容提供者

一家传播文化教育的小店,资料丰富,随意挑选。

确认删除?
VIP
微信客服
  • 扫码咨询
会员Q群
  • 会员专属群点击这里加入QQ群
客服邮箱
回到顶部