电脑桌面
添加小米粒文库到电脑桌面
安装后可以在桌面快捷访问

HZHY-AL200-硬件设计-数据手册-alm92

HZHY-AL200-硬件设计-数据手册-alm92_第1页
1/26
HZHY-AL200-硬件设计-数据手册-alm92_第2页
2/26
HZHY-AL200-硬件设计-数据手册-alm92_第3页
3/26
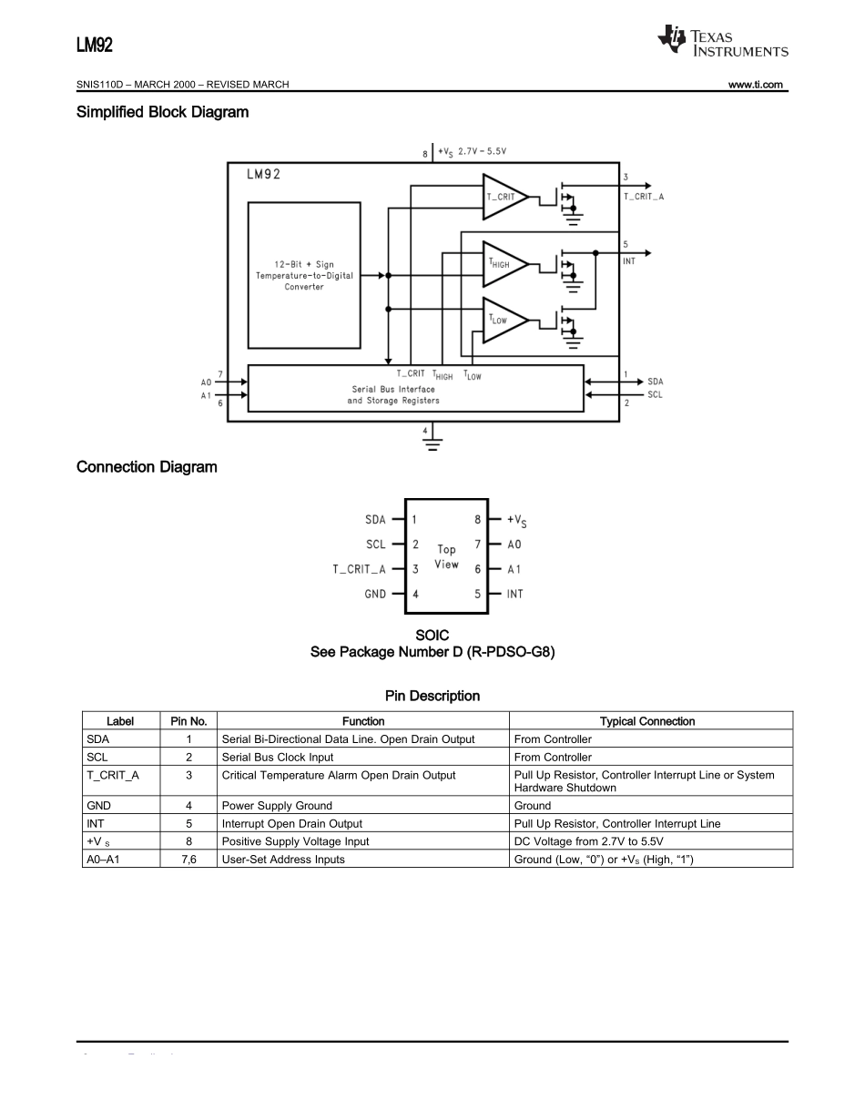
LM92www.ti.comSNIS110D – MARCH 2000 – REVISED MARCH 2013±0.33°C Accurate, 12-Bit + Sign Temperature Sensor and Thermal Window Comparator With Two-Wire InterfaceCheck for Samples: LM92FEATURESDESCRIPTION•Window Comparison Simplifies Design of ACPI-Compatible Temperature Monitoring and ControlThe LM92 is a digital temperature sensor and thermal window comparator with an I2C™ Serial Bus interface and an accuracy of ±0.33°C. The window-comparator architecture of the LM92 eases the design of•Serial Bus Interfacetemperaturecontrolsystems.Theopen-drain•Separate Open-Drain Outputs for Interrupt and Critical Temperature Shutdown•Shutdown Mode to Minimize Power ConsumptionInterrupt (INT) output becomes active whenever temperature goes outside a programmable window, while a separate Critical Temperature Alarm (T_CRIT_A) output becomes active when the temperature exceeds a programmable critical limit.•Up to Four LM92s can be Connected to aThe INT output can operate in either a comparator orSingle Busevent mode, while the T_CRIT_A output operates in•12-Bit + Sign Output•Operation up to 150°CAPPLICATIONS•HVACcomparator mode only.The host can program both the upper and lower limits of the window as well as the critical temperature limit. Programmable Hysteresis as well as a fault queue are available to minimize false tripping. Two pins (A0, A1) are available for address selection. The sensor•Medical Electronicspowers up with default thresholds of 2°C THYST, 10°C•Electronic Test Equipment•System Thermal Management•Personal Computers•Office ElectronicsTLOW, 64°C THIGH, and 80°C T_CRIT.The LM92's 2.7V to 5.5V supply voltage range, Serial Bus interface, 12-bit + sign output, and full-scale range of over 128°C make it ideal for a w...

1、当您付费下载文档后,您只拥有了使用权限,并不意味着购买了版权,文档只能用于自身使用,不得用于其他商业用途(如 [转卖]进行直接盈利或[编辑后售卖]进行间接盈利)。
2、本站所有内容均由合作方或网友上传,本站不对文档的完整性、权威性及其观点立场正确性做任何保证或承诺!文档内容仅供研究参考,付费前请自行鉴别。
3、如文档内容存在违规,或者侵犯商业秘密、侵犯著作权等,请点击“违规举报”。

碎片内容

HZHY-AL200-硬件设计-数据手册-alm92

确认删除?
VIP
微信客服
  • 扫码咨询
会员Q群
  • 会员专属群点击这里加入QQ群
客服邮箱
回到顶部