电脑桌面
添加小米粒文库到电脑桌面
安装后可以在桌面快捷访问

云南省竣工验收备案表

云南省竣工验收备案表_第1页
1/4
云南省竣工验收备案表_第2页
2/4
云南省竣工验收备案表_第3页
3/4
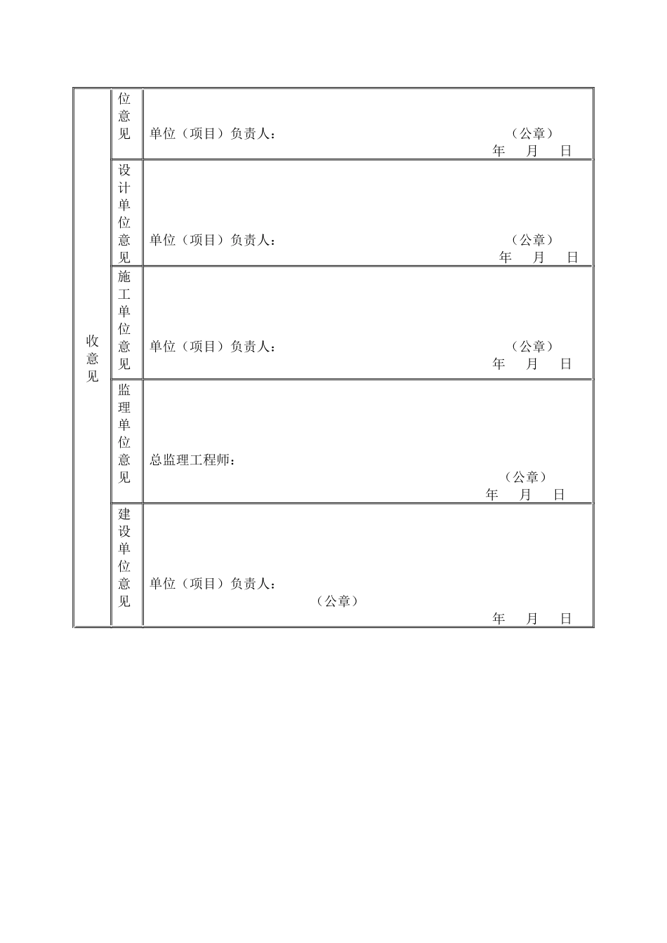
建 设 工 程竣工验收备案表备案号:云南省住房和城乡建设厅制建 设 工 程竣工验收备案表竣工验勘察单建设单位名称:备案日期:工程名称:工程地点:建筑规模: m2 万元结构类型:工程用途:开工日期:年 月 日竣工验收日期:年 月 日施工许可证号:施工图审查意见:勘察单位名称:资质等级设计单位名称:资质等级施工单位名称:资质等级监理单位名称:资质等级工程质量监督机构名称:收意见位意见单位(项目)负责人: (公章)年 月 日设计单位意见单位(项目)负责人: (公章)年 月 日施工单位意见单位(项目)负责人: (公章)年 月 日监理单位意见总监理工程师:(公章)年 月 日建设单位意见单位(项目)负责人: (公章)年 月 日工程竣工验收备案文件目录1 工程施工许可证;2 施工图设计文件审查合格书(超限高层建筑结构的抗震专项审查批准书);3 建设单位工程竣工验收报告;4 勘察、设计单位工程质量检查报告;5 监理单位工程质量评估报告;6 施工单位工程竣工报告;7 规划、公安消防等部门出具的认可文件或批准使用文件;8 施工单位签署的工程质量保修书;9 住宅工程《住宅工程质量保证书》和《住宅使用说明书》;10 工程造价管理机构出具的建设工程结算价备案表(按规定结算价必须备案的项目);11 建设工程档案初验认可证;12 法规、规章规定必须通过的其它文件。备案意见 工程的竣工验收备案文件与 年 月 日收讫,予以备案。备案经办人: (签章)备案机关负责人: 年 月 日

1、当您付费下载文档后,您只拥有了使用权限,并不意味着购买了版权,文档只能用于自身使用,不得用于其他商业用途(如 [转卖]进行直接盈利或[编辑后售卖]进行间接盈利)。
2、本站所有内容均由合作方或网友上传,本站不对文档的完整性、权威性及其观点立场正确性做任何保证或承诺!文档内容仅供研究参考,付费前请自行鉴别。
3、如文档内容存在违规,或者侵犯商业秘密、侵犯著作权等,请点击“违规举报”。

碎片内容

云南省竣工验收备案表

元素商铺+ 关注
实名认证
内容提供者

欢迎挑选合适的文档

确认删除?
VIP
微信客服
  • 扫码咨询
会员Q群
  • 会员专属群点击这里加入QQ群
客服邮箱
回到顶部