电脑桌面
添加小米粒文库到电脑桌面
安装后可以在桌面快捷访问

低填浅挖路基处理施工方案

低填浅挖路基处理施工方案_第1页
1/12
低填浅挖路基处理施工方案_第2页
2/12
低填浅挖路基处理施工方案_第3页
3/12
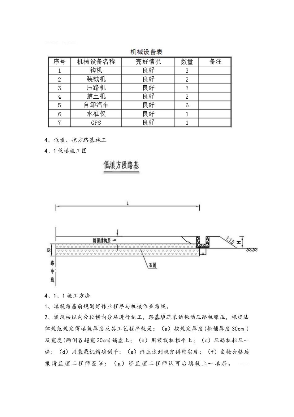
低填浅挖路基处理施工方案1、 编制依据 1、1《公路路基施工技术法律规范》 JTG F10-2025 1、2《公路工程质量检验评定标准》 JTG F80/1-2025 1、3《公路工程技术标准》 JTG B01-2025 1、4 甲方提供图纸 1、5 现场实际勘察情况。 2、 工程概况 湖南省 S223 邵东县仙槎桥至邵阳县峡山铺公路起于邵东县仙槎桥,终点位于邵阳县峡山铺,路线长 54、490km。该项目已纳入湖南省交通运输“十二五”进展规划,也就是邵东县及邵阳县交通规划得重点建设项目。该公路就是连接邵东县与邵阳县得重要通道,沿线经过仙槎桥、九龙岭、诸甲亭、下花桥、塘渡口等重要乡镇,就是各乡镇之间相互往来得经济命脉,也就是沿线区域对外沟通得重要出口。0YpbdPt。IA3YjCo。本 合 同 段 起 讫 桩 为 ( K14+400 ~ K52+281 、 934 ) , 线 路 里 程 全 长38、207km,其主要技术指标为:公路等级:二级公路,设计行车速度60km/h,路基宽 10m,桥涵设计洪水频率:大中桥 1/100,小桥及涵洞涵与路基1/50。路基断面布置为:2×3、5m+2×0、75m+2×0、75m。路拱横坡采纳单直线型,行车道及硬路肩得路拱横坡度采纳 2%,土路肩采纳 4%。主要工程项目有路基、路面、桥涵、安全设施及绿化工程等施工。ouLLaLc。4MKiJaD。3、施工人员及机械设备配备 3、1 施工组织机构 为安全、优质、按期完成本标段得施工任务,本着精干、高效得原则,我施工区选择了一批理论与实践经验丰富、业务能力强、综合素养高得技术、管理、行政人员及具有丰富施工经验得施工队伍来完成本标段路基工程施工。 se1HfDB。pBGBj16。4、2 机械设备配备 施工机械得合理配备,可以提高机械化施工水平,加快工程进度,提高工程质量,缩短工期与减轻劳动强度。结合本段路基施工得具体条件,我们做了合理得选型与配置,以满足本段路基工程得施工,配备得具体机械设备见下表。CRkNZE0。FojKw30。4、低填、挖方路基施工 4、1 低填施工图4、1、1 施工方法 1、填筑路基前规划好作业程序与机械作业路线。 2、填筑按纵向分段横向分层进行施工,路基填筑采纳振动压路机碾压,根据法律规范规定得填筑厚度及其工艺程序就是:(a)按规定厚度(松铺厚度 30cm )及宽度(两侧各超宽 30cm)铺虚土;(b)用装载机推平土;(c)压路机粗压一遍;(d)用装载机精确刮平;(e)终压达到规定得密实度;(f)自检合格后报请监理工程师签证;( g)经监理工程师认可后填筑上一填层。...

1、当您付费下载文档后,您只拥有了使用权限,并不意味着购买了版权,文档只能用于自身使用,不得用于其他商业用途(如 [转卖]进行直接盈利或[编辑后售卖]进行间接盈利)。
2、本站所有内容均由合作方或网友上传,本站不对文档的完整性、权威性及其观点立场正确性做任何保证或承诺!文档内容仅供研究参考,付费前请自行鉴别。
3、如文档内容存在违规,或者侵犯商业秘密、侵犯著作权等,请点击“违规举报”。

碎片内容

低填浅挖路基处理施工方案

您可能关注的文档

确认删除?
VIP
微信客服
  • 扫码咨询
会员Q群
  • 会员专属群点击这里加入QQ群
客服邮箱
回到顶部