电脑桌面
添加小米粒文库到电脑桌面
安装后可以在桌面快捷访问

住宅楼实测实量操作细则

住宅楼实测实量操作细则_第1页
1/17
住宅楼实测实量操作细则_第2页
2/17
住宅楼实测实量操作细则_第3页
3/17
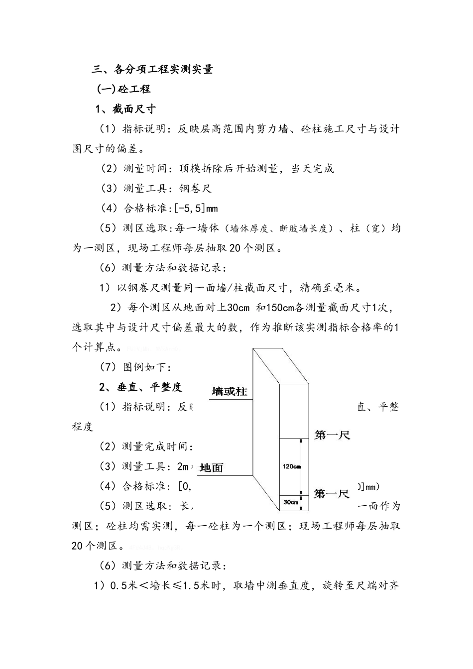
实测实量操作细则为统一实测实量的操作方法和评判标准,尽可能消除人为操作引起的偏差,在此法律规范实测过程中的程序、取样方法、测量操作、数据处理等具体步骤和要求,保障其对工程监测的准确性、及时性和各方评判的公平性。一、基本要求(一)适用范围荣盛集团在建工程(自结构±0.00至交付完成)项目,主要指住宅和酒店公寓部分。(二)实测数量施工单位对所有测区进行 100%实测;监理单位对施工单位实测数据按不低于 50%的比例进行复测;甲方现场工程师按测区选取要求进行检测。7qYDFor。LRCjZIi。(三)测区选择1、随机原则:各实测取样的楼栋、楼层、房间、测区等,必须结合当前各标段的施工进度,合理、均匀的选择。2、可追溯原则:施工、监理单位测量后须原位标注,直接数据上墙;甲方复测后对其进行编号且要形成纸版资料,将各测区数据及编号记录在案(资料中注明所有数据的合格、理论值)以备公司检查。ba04soS。q0DjTDy。3、真实原则:测量数据应反映项目的真实质量,避开为了片面提高实测指标,过度修补或做表面文章,实测取点时应规避相应部位,并对修补方案合理性进行检查。eHgUHCx。L5pvHkh。(四)ERP 录入测量后一天内完成 ERP 录入工作。二、现场标识方法1、按《实测实量操作指引》的要求标识;三、各分项工程实测实量(一)砼工程1、截面尺寸(1)指标说明:反映层高范围内剪力墙、砼柱施工尺寸与设计图尺寸的偏差。 (2)测量时间:顶模拆除后开始测量,当天完成(3)测量工具:钢卷尺(4)合格标准:[-5,5]mm(5)测区选取:每一墙体(墙体厚度、断肢墙长度)、柱(宽)均为一测区,现场工程师每层抽取 20 个测区。(6)测量方法和数据记录: 1)以钢卷尺测量同一面墙/柱截面尺寸,精确至毫米。2)每个测区从地面对上30cm 和150cm各测量截面尺寸1次,选取其中与设计尺寸偏差最大的数,作为推断该实测指标合格率的1个计算点。FUlVjMh。MVxArm0。(7)图例如下:2、垂直、平整度(1)指标说明:反映层高范围内剪力墙、砼柱表面垂直、平整程度(2)测量完成时间:顶模拆除后开始测量,当天完成(3)测量工具:2m 检测尺(用光滑面检测)、楔形塞尺(4)合格标准: [0,6]mm(层高≥5 米,垂直度标准为[0,10]mm)(5)测区选取: 长度≥0.5 米的墙体均需实测,任选一面作为测区;砼柱均需实测,每一砼柱为一个测区;现场工程师每层抽取20 个测区。4Fd4J4B。hqcNg3R。(6)测量方法和数据记录: 1)0.5米<墙长≤1.5米...

1、当您付费下载文档后,您只拥有了使用权限,并不意味着购买了版权,文档只能用于自身使用,不得用于其他商业用途(如 [转卖]进行直接盈利或[编辑后售卖]进行间接盈利)。
2、本站所有内容均由合作方或网友上传,本站不对文档的完整性、权威性及其观点立场正确性做任何保证或承诺!文档内容仅供研究参考,付费前请自行鉴别。
3、如文档内容存在违规,或者侵犯商业秘密、侵犯著作权等,请点击“违规举报”。

碎片内容

住宅楼实测实量操作细则

确认删除?
VIP
微信客服
  • 扫码咨询
会员Q群
  • 会员专属群点击这里加入QQ群
客服邮箱
回到顶部