电脑桌面
添加小米粒文库到电脑桌面
安装后可以在桌面快捷访问

升降作业平台定期检验原始记录

升降作业平台定期检验原始记录_第1页
1/3
升降作业平台定期检验原始记录_第2页
2/3
升降作业平台定期检验原始记录_第3页
3/3
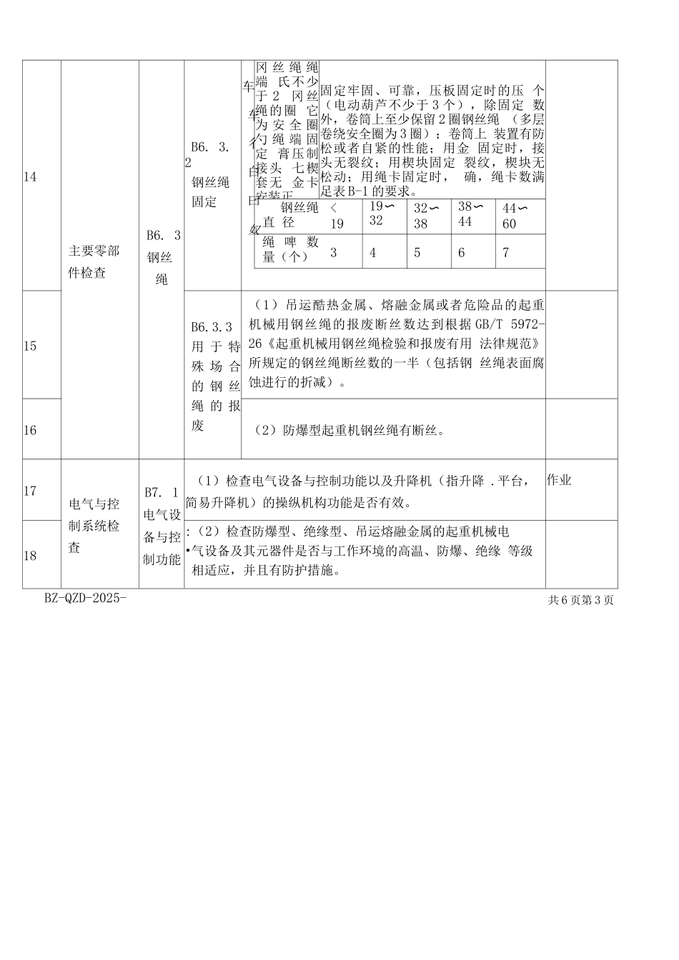
使用单位使用单位地址组织机构代码使用地点安全管理人员联系电话设备品种单位内编号制造单位设备注册代码制造许可证编号 (型式试验备案号)设备代码制造日期规格型号产品编号工作级别额定起重量t起升速度起升高度检验依据起重机械定期检验规则(TSG Q7015-28)主要检验仪器设备序号名称型号编号1塞尺1BBZ-JL-1312秒表504BZ-TJ-1753百分表TES2712BZ-WJ-3444钢直尺3mmBZ-JL-1485接地电阻测量仪C.A6415BZ-WJ-315////备注1. “/”表示该项无内容。2.栏目中“/,,为空白或无此项,“5”为符合,“X”为不符合。检验日期下次定期检验日期BZ-QZD-2025-共 6 页第 2 页序号检验项目项目编号检验内容与要求实测结果BZ-QZD-2025-共 6 页第 1 页校核:检验:陪检1技术文件审 查B1上次检验报告,使用单位使用记录(包括日常使 用状况记录、自检记录、日常维护保养记录、运 行故障和事故记录等)是否齐全,并且是否存档 保管。2作业环境和 外观检查B2(1)起重机械明显部位标注的额定起重量标志和 安全检验合格标志清楚,符合规定;3(2)起重机械运动部分与建筑物、设施的安全距 离符合相关标准要求。总高大于 30m 的室外起重 机,在周围高于起重机顶尖的建筑物等设施,有 可能相碰或为飞机起落飞行的危险障碍时,应当 设置红色障碍灯,并且有效;障碍灯的电源不得 受起重机停机影响而断电。4(3)防爆起重机上的安全保护装置、电气元件、 照明器材等需要采纳符合防爆要求的,不低于整 机防爆级别和温度级别5司机室检查B3(1)司机室配有灭火器和绝缘地板,各操作装置标 志完好、醒目;6(2)司机室的固定连接牢固,无明显缺陷,在露天 工作设置防风、防雨、防晒等防护装置。7金属结构检 查B4(1)主要受力构伟如主梁、主支撑腿、主副吊臂、 标准节、吊具横梁等)无明显变形,发现不能满足 安全技术法律规范及其相应标准等要求时,应当予以 报废;8(2)金属结构的连接焊缝无明显可见的焊接缺陷, 螺栓和销轴等连接无松动,无缺件、损坏等缺陷;9(3)箱型起重臂(伸缩式)侧向单面调整间隙符 合相关标准的规定。10主要零部件 检查B6. 1总的要求对各类起重机械的主要零部件包括吊具钢丝绳、 滑轮、开式齿轮、车轮、卷筒、环链等),除根据 相关安全技术法律规范及其相应标准检查是否磨损、 变形、缺损,并且推断是否达到报废要求外,对 吊具、钢丝绳、滑轮、导绳器还应当检查是否满 足本规则 B6.2〜B6. 5 的要求。11B6. 3钢丝 绳B6. 3. 1钢...

1、当您付费下载文档后,您只拥有了使用权限,并不意味着购买了版权,文档只能用于自身使用,不得用于其他商业用途(如 [转卖]进行直接盈利或[编辑后售卖]进行间接盈利)。
2、本站所有内容均由合作方或网友上传,本站不对文档的完整性、权威性及其观点立场正确性做任何保证或承诺!文档内容仅供研究参考,付费前请自行鉴别。
3、如文档内容存在违规,或者侵犯商业秘密、侵犯著作权等,请点击“违规举报”。

碎片内容

升降作业平台定期检验原始记录

文旅传媒+ 关注
实名认证
内容提供者

传播文化,成就未来

确认删除?
VIP
微信客服
  • 扫码咨询
会员Q群
  • 会员专属群点击这里加入QQ群
客服邮箱
回到顶部