电脑桌面
添加小米粒文库到电脑桌面
安装后可以在桌面快捷访问

压裂酸化技术常用支撑剂及添加剂介绍

压裂酸化技术常用支撑剂及添加剂介绍_第1页
1/6
压裂酸化技术常用支撑剂及添加剂介绍_第2页
2/6
压裂酸化技术常用支撑剂及添加剂介绍_第3页
3/6
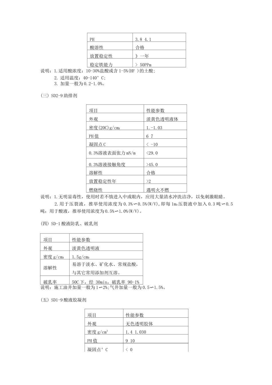
压裂酸化技术常用支撑剂及添加剂介绍一、常用支撑剂性能数据表 5-1 常用支撑剂性能参数 支撑剂类型粒径范围(目)视密度(g/cm3)体积密度(g/cm3)圆度球度浊度酸溶解度(%)闭合压力下破裂率(%)兰州石英砂20〜402.641.550.70.7>25.094.38 (28MPa)陶粒宜兴(高强度)20〜402.911.540.90.9<14.665.13(52MPa)1 3.65 (69MPa)宜兴(中强度)20〜402.721.540.90.9<14.668.35 (69MPa)成都20〜403.331.7\>0.978.55.122.62 (52MPa)6.61(69MPa)山西20〜403.461.83\\755.251.25 (52MPa)4.18(69MPa)CARBOlite20〜403.981.89\\\5.49.2(69MPa)表 5-2 常用支撑剂粒径分析数据 类型筛目(目)百分比(%)>1616〜2020〜3030〜3535〜4040〜50底盘兰州单筛0.0112.2666.6819.151.490.250.12石英砂累计0.0112.2778.9598.199.5999.8499.96宜兴单筛0.0423.5669.226.470.60.070陶粒累计0.0423.692.8299.2999.8999.9699.96成都单筛0.0225.3365.857.171.290.310.01陶粒累计0.0225.3591.298.3799.6699.9799.98山西单筛00.9583.215.340.430.010.04陶粒累计00.9584.1599.4999.9299.9399.97CARBOlite陶粒单筛0.062644.9726.452.470.020.02累计0.0626.0671.0397.4899.9599.9799.99、常用添加剂名称表 5-3 常用添加剂一览表药剂名称类 型酸液缓蚀剂CT1-2、 CT1-3、 CT1-3B、 SD1-3铁离子稳定剂CT1-7、 CT1-13、 SD1-11、 HAC助排剂CT5-4、 CT5-9、 SD2-9酸液胶凝剂CT1-6、 CT1-9、 SD1-9、 SD1-9B转相剂IV-93胶束剂CT5-5、 CT5-6乳化剂CT1-11助乳剂IV-1降阻剂SD1-8表面活性剂CT1-12、 SD-1、 SD1-7、 ABS、 AS、 PEN-5、 SAA粘土稳定剂KCL、 NH4CL、 CT12-1石膏稳定剂CaCL2胶凝剂CT9-1、 CT9-4、 SW-3交联剂CT9-3、CT9-6、SD2-2、硼砂助排剂CT5-4、 CT5-9、 SD2-9破胶剂CT9-7A、B、C、APS、NBA-101、K2S2O7高温稳定剂CT9-8防膨剂CT5-8、 SD1-12、 TDC-15A杀菌剂SD2-3胍胶HPG、 GRJ-11PH 调节剂Na2CO3粘土稳定剂KCL、NH4CL、CT12-1破乳剂SD2-11防腐剂HCHO三、SD 系列添加剂性能参数(一)SD1-3 酸化用高浓度盐酸缓蚀剂缓蚀性能SD1-3%HCl%温度(C)腐蚀速度 g/ (m2 - h)检验方法1.528120<30SY5405-911.020130<30物化指标外观红褐色至褐色、均匀液体密度(20°C) g/cm3运动粘度(20C),mm2/s5.04凝点 C<-10闪点(闭),C >30酸溶性合格贮存期一年说明:1.适用范围:盐酸浓度为 15〜28%;地层温度 130^以下;酸液种类为胶凝酸...

1、当您付费下载文档后,您只拥有了使用权限,并不意味着购买了版权,文档只能用于自身使用,不得用于其他商业用途(如 [转卖]进行直接盈利或[编辑后售卖]进行间接盈利)。
2、本站所有内容均由合作方或网友上传,本站不对文档的完整性、权威性及其观点立场正确性做任何保证或承诺!文档内容仅供研究参考,付费前请自行鉴别。
3、如文档内容存在违规,或者侵犯商业秘密、侵犯著作权等,请点击“违规举报”。

碎片内容

压裂酸化技术常用支撑剂及添加剂介绍

您可能关注的文档

确认删除?
VIP
微信客服
  • 扫码咨询
会员Q群
  • 会员专属群点击这里加入QQ群
客服邮箱
回到顶部