电脑桌面
添加小米粒文库到电脑桌面
安装后可以在桌面快捷访问

合成树脂行业现场管理类隐患排查治理清单

合成树脂行业现场管理类隐患排查治理清单_第1页
1/13
合成树脂行业现场管理类隐患排查治理清单_第2页
2/13
合成树脂行业现场管理类隐患排查治理清单_第3页
3/13
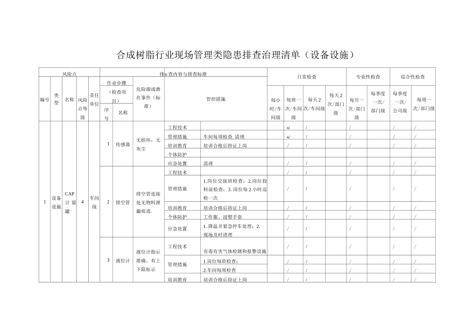
合成树脂行业现场管理类隐患排查治理清单(设备设施)风险点排m 查内容与排查标准日常检查专业性检查综合性检查编号类型名称 风险点等级责任单位作业步骤危险源或潜在事件(标准)管控措施(检查项目)每小时/车间级每班一次/车间级每天 2次/车间级每天 2次/部门级每月一次/部门级每季度一次/部门级每季度一次/公司级每周一次/部门级序号名称1设备设施CAP计 量罐4车间级1传感器无损坏,无灰尘工程技术A/////管理措施车间每周检查.清理A/////培训教育培训合格后持证上岗/////个体防护应急处置清理/////2排空管排空管连接处无物料泄漏痕迹.工程技术/////管理措施1.岗位交接班检查;2.岗位投料前检查;3.岗位每 2 小时巡检一次/////培训教育培训合格后持证上岗/////个体防护工作服、浸塑手套/////应急处置1.降温并紧急停车处理;2.现场及时清理/////3液位计液位计指示准确,有上下限标示工程技术有毒有害气体检测和报警设施/////管理措施1.岗位每班检查;/////2.车间每周检查/////培训教育培训合格后持证上岗/////个体防护工作服、浸塑手套A/////应急处置修复A/////4液位连锁液位连锁报警装置正常工程技术有毒有害气体检测和报警设施/////管理措施每月进行验证试验/////培训教育培训合格后持证上岗/////个体防护/////应急处置修复/////5管路与阀门无泄漏工程技术可燃有毒气体报警仪检测/////管理措施1.交接班检查;岗位每 2 小时巡检一次;2.车间每周检查/////培训教育培训合格后持证上岗/////个体防护工作服、浸塑手套/////应急处置泄压.消除漏点/////设备设施电 动葫芦4车间级1限位器空载吊钩上升至极限位置时,限位准确可靠。工程技术/////管理措施1.交接班检查,使用前检查;/////2.每季度定期保养/////培训教育培训合格后持证上岗/////个体防护/////应急处置修复/////2吊钩吊钩在周围360 度与垂直180 度范围内应转动工程技术吊钩安装防脱装置/////管理措施1. 交接班检查,使用前检查;2. 每季度定期保养/////培训教育培训合格后持证上岗/////2钢 丝绳制动器灵活,滑轮转运时无卡阻和碰擦,吊钩螺母防松装置无异常,钩闭锁装置正常钢丝绳各尾端固定应牢固可靠,无松动痕迹。外观,不得有扭结.灼伤及明显的松散.腐蚀等缺陷,绳上应有润滑油脂完好,无破损个体防护A/////应急处置修复A/////工程技术/////管理措施1. 交接班检查,使用前检查;2. 每季度定期保养/////培训教育培训合格后持证上岗/////个体防护/////应急处置修复/////...

1、当您付费下载文档后,您只拥有了使用权限,并不意味着购买了版权,文档只能用于自身使用,不得用于其他商业用途(如 [转卖]进行直接盈利或[编辑后售卖]进行间接盈利)。
2、本站所有内容均由合作方或网友上传,本站不对文档的完整性、权威性及其观点立场正确性做任何保证或承诺!文档内容仅供研究参考,付费前请自行鉴别。
3、如文档内容存在违规,或者侵犯商业秘密、侵犯著作权等,请点击“违规举报”。

碎片内容

合成树脂行业现场管理类隐患排查治理清单

您可能关注的文档

文旅传媒+ 关注
实名认证
内容提供者

传播文化,成就未来

确认删除?
VIP
微信客服
  • 扫码咨询
会员Q群
  • 会员专属群点击这里加入QQ群
客服邮箱
回到顶部