电脑桌面
添加小米粒文库到电脑桌面
安装后可以在桌面快捷访问

地下综合管廊工程试验方案

地下综合管廊工程试验方案_第1页
1/26
地下综合管廊工程试验方案_第2页
2/26
地下综合管廊工程试验方案_第3页
3/26
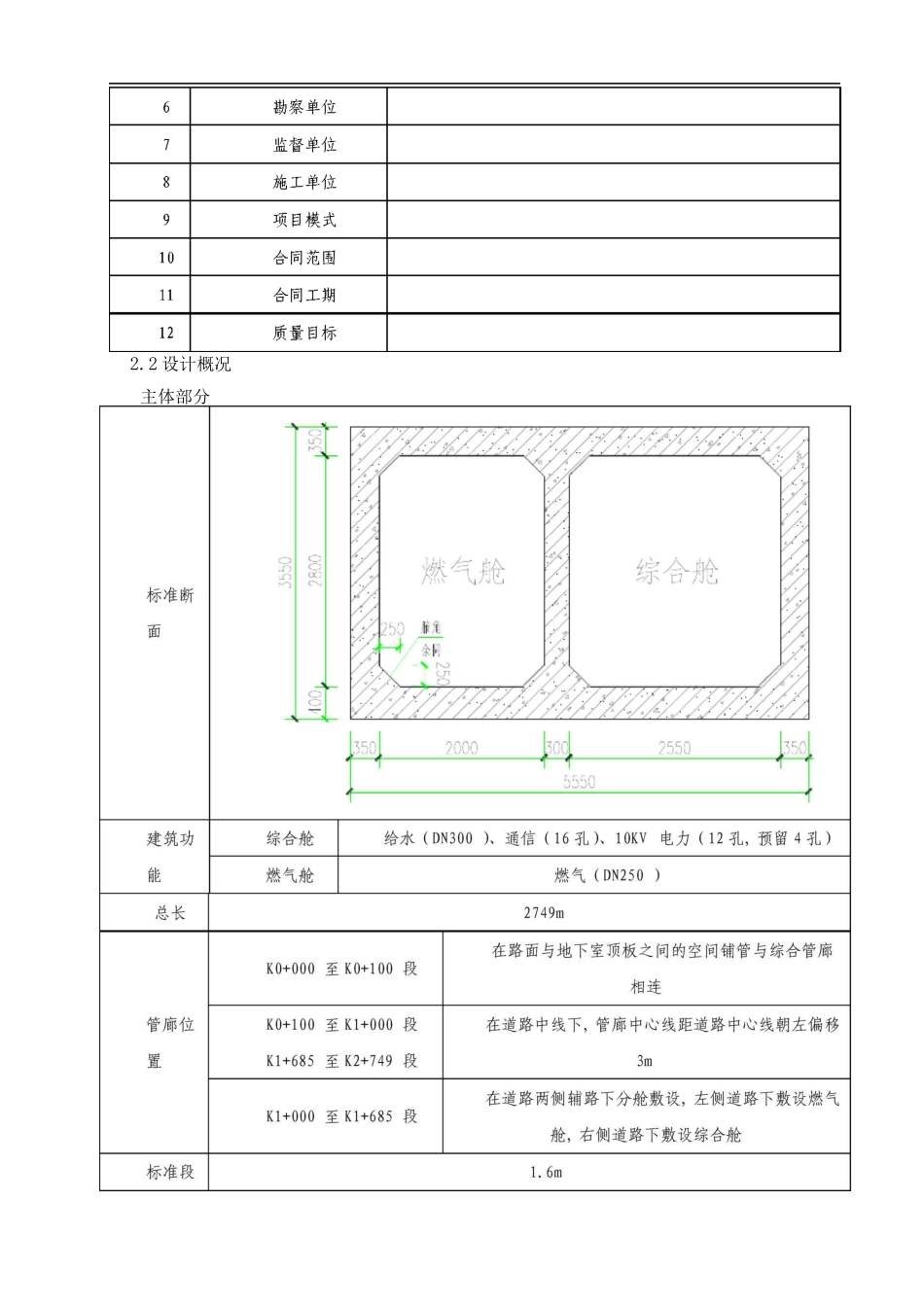
地下综合管廊工程试验方案1.编制依据1混凝土结构工程施工质量验收法律规范GB50204-20252砌体结构工程施工质量验收法律规范GB50203-20253地下防水工程质量验收法律规范GB50208-20254建筑地基基础工程施工质量验收法律规范GB50202 - 225屋面工程技术法律规范GB50345-20256屋面工程质量验收法律规范GB50207-20257钢筋混凝土用热轧带肋钢筋GB1499.2-278钢筋混凝土用热轧光圆钢筋GB1499.1-289钢筋机械连接通用技术规程JGJ107-202510钢筋焊接及验收规程JGJ18-202511建筑工程冬期施工规程JGJ/T104-202512房屋建筑工程和市政基础设施工程实行见证取样和送检的规定建建[20]211 号文13混凝土强度检验评定标准GB/T50107-202514建筑工程施工质量验收统一标准GB503-202515土工试验方法标准GB/T50123-199916大体积混凝土施工法律规范GB50496-292. 工程概况2.1 总体概况序项目内容1工程名称2工程地址3建设单位4设计单位5监理单位2.2 设计概况主体部分顶板覆土厚度防火分区燃气舱、综合舱各防火分区间距 2m,共 16 个防火分区,甲级防火门隔断附属构筑物进风燃气舱机械进风,每个防火分区设置综合舱自然进风,与逃生共用,每个防火分区设置排风燃气舱机械排风,每个防火分区设置综合舱机械排风,每个防火分区设置逃生每个防火分区设置投料每 4m 设置一个,燃气舱、综合舱单独设置设计年限1 年建筑类别市政建筑防水等级二级耐火等级一级地面50mm 厚。20 细石混凝土地面,燃气舱为不发火地面(骨料用石灰石、白云石)墙面、顶棚综合舱混凝土表面平整光洁,进排风机房、弱电间、走道水泥砂浆喷涂料(白色)踢脚进排风机房、弱电间、走道水泥抹面,高 120mm门钢制甲级防火门结构类型框架结构土质情况及承载力地基承载力特征值不小于 160kPa抗浮水位设计地面以下 1m抗震等级三级抗震设防烈度7 度结构安全等级一级抗震设防分组第二组钢筋保护层侧墙、底板、顶板、梁、柱、钢筋保护层厚度均为 50mm变形缝每隔 30m 设置一道 30mm 宽变形缝,变形缝起止处避开综合节点 1m2.3 设计要求序号项目内容1结构形式基础形式天然基础或换填处理后的地基作为持力层管廊基础为底板平板式筏基主体结构管廊结构形式:闭合框架附属设施建筑:钢筋混凝土框架结构2地下防水系统混凝土自防水管廊底板、侧壁、顶板采纳抗渗混凝土,抗渗等级 P6 ;通风井、逃生、吊装、管廊内进排风机房、控制中心、主变电所、消防泵房等附属建筑墙、柱、梁、板采纳抗渗混凝土,抗渗等...

1、当您付费下载文档后,您只拥有了使用权限,并不意味着购买了版权,文档只能用于自身使用,不得用于其他商业用途(如 [转卖]进行直接盈利或[编辑后售卖]进行间接盈利)。
2、本站所有内容均由合作方或网友上传,本站不对文档的完整性、权威性及其观点立场正确性做任何保证或承诺!文档内容仅供研究参考,付费前请自行鉴别。
3、如文档内容存在违规,或者侵犯商业秘密、侵犯著作权等,请点击“违规举报”。

碎片内容

地下综合管廊工程试验方案

您可能关注的文档

确认删除?
VIP
微信客服
  • 扫码咨询
会员Q群
  • 会员专属群点击这里加入QQ群
客服邮箱
回到顶部