电脑桌面
添加小米粒文库到电脑桌面
安装后可以在桌面快捷访问

外墙保温材料对比

外墙保温材料对比_第1页
1/12
外墙保温材料对比_第2页
2/12
外墙保温材料对比_第3页
3/12
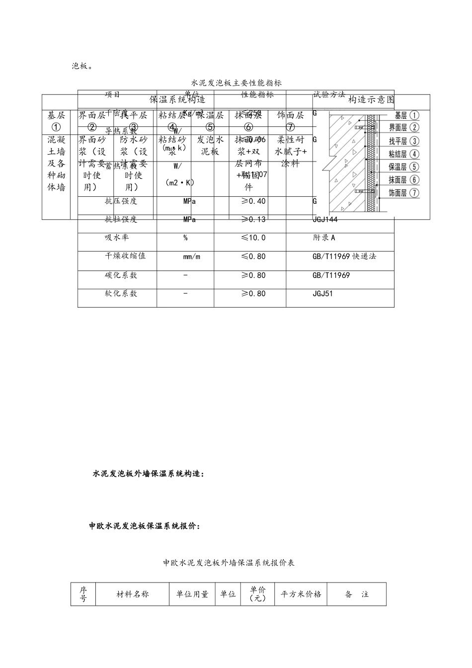
和景苑西区外保温材料选定因江苏省建筑外墙保温材料防火暂行规定中要求住宅建筑建筑高度大于 54m 时,其保温材料燃烧性能应为 A 级,外保温施工工艺非常成熟,施工较为简单、质量很好控制且造价较低的 EPS、XPS 外墙保温系统均不能采纳。根据此政策,和景苑西区外墙保温材料原设计为岩棉板。目前,符合燃烧性能 A 级的外保温材料种类繁多,岩棉保温系统、水泥发泡板保温系统、KK 无机保温板保温系统、膨胀玻化微珠保温板保温系统四种 A 级保温材料做进一步的对比:注:岩棉、水泥发泡板保温产品品牌较多,KK 无机保温板为单一类型、单一品牌,为便于比较,岩棉、水泥发泡板选用各自业内品牌较好的两个品牌(岩棉为广东西斯尔、水泥发泡板为常州申欧)一、岩棉外墙外保温系统:和景苑西区原节能设计采纳 20mm 厚岩棉外墙保温,屋面采纳 65mm 厚泡沫玻璃。岩棉以玄武岩及其它天然矿石等为主要原料,岩棉板经高温熔融成纤,加入适量粘结剂,固化加工而制成。岩棉外保温系统原广泛应用于干挂幕墙保温及原 B 级防火保温系统隔离带。目前,分岩棉带(1200mm 长×200mm 宽)与岩棉板(1200mm 长×600mm 宽)两种规格、类型。因岩棉带容重相对岩棉板较小(材料单立方价格相对岩棉板低),垂直表面抗拉强度可大幅提高,推举采纳岩棉带替代岩棉板,本次选用岩棉带(容重 150KG)作为对比方案。另,江苏省岩棉外墙外保温系统应用技术规程规定不能采纳岩棉板(带)作为屋面保温。岩棉主要性能指标产 品 性 能岩棉带岩棉板单 位幕墙系统用薄抹灰系统用密度>=80>=100>=140kg/m3厚度30-10030-100>=40mm抗压强度(垂直于表面且厚度>=50mm)>=40kPa抗压强度(纤维方向)>=40-kPa抗拉强度 (垂直于表面)->=7.5>=10kPa抗拉强度(纤维方向)>=100-kPa防火性能 A 级- 平均温度 25OC 导热系数<=0.048< =0.040W/mK憎水率>99>99%吸水性 (部分浸入,24h)< 0.5 < 0.5 kg/m2酸度系数>=1.6>=1.8- 尺寸稳定性相对变化率均不大于 1.0%%岩棉带外墙保温系统构造:保温系统构造构造示意图基层①界面层②找平层③粘结层④保温层⑤抹面层⑥饰面层⑦混凝土墙及各种砌体墙界面砂浆(设计需要时使用)防水砂浆(设计需要时使用)粘结砂浆岩棉带保温( 两面界面剂)抹面砂浆+双层网布+锚固件柔性耐水腻子+涂料西斯尔岩棉带报价: 西斯尔岩棉外墙保温系统报价表序号材料名称单位用量单位单价(元)平方米价格备 注1材料构成粘结砂浆5kg1.57.5同济2抹面砂...

1、当您付费下载文档后,您只拥有了使用权限,并不意味着购买了版权,文档只能用于自身使用,不得用于其他商业用途(如 [转卖]进行直接盈利或[编辑后售卖]进行间接盈利)。
2、本站所有内容均由合作方或网友上传,本站不对文档的完整性、权威性及其观点立场正确性做任何保证或承诺!文档内容仅供研究参考,付费前请自行鉴别。
3、如文档内容存在违规,或者侵犯商业秘密、侵犯著作权等,请点击“违规举报”。

碎片内容

外墙保温材料对比

确认删除?
VIP
微信客服
  • 扫码咨询
会员Q群
  • 会员专属群点击这里加入QQ群
客服邮箱
回到顶部