电脑桌面
添加小米粒文库到电脑桌面
安装后可以在桌面快捷访问

室内给水管道水压试验记录

室内给水管道水压试验记录_第1页
1/7
室内给水管道水压试验记录_第2页
2/7
室内给水管道水压试验记录_第3页
3/7
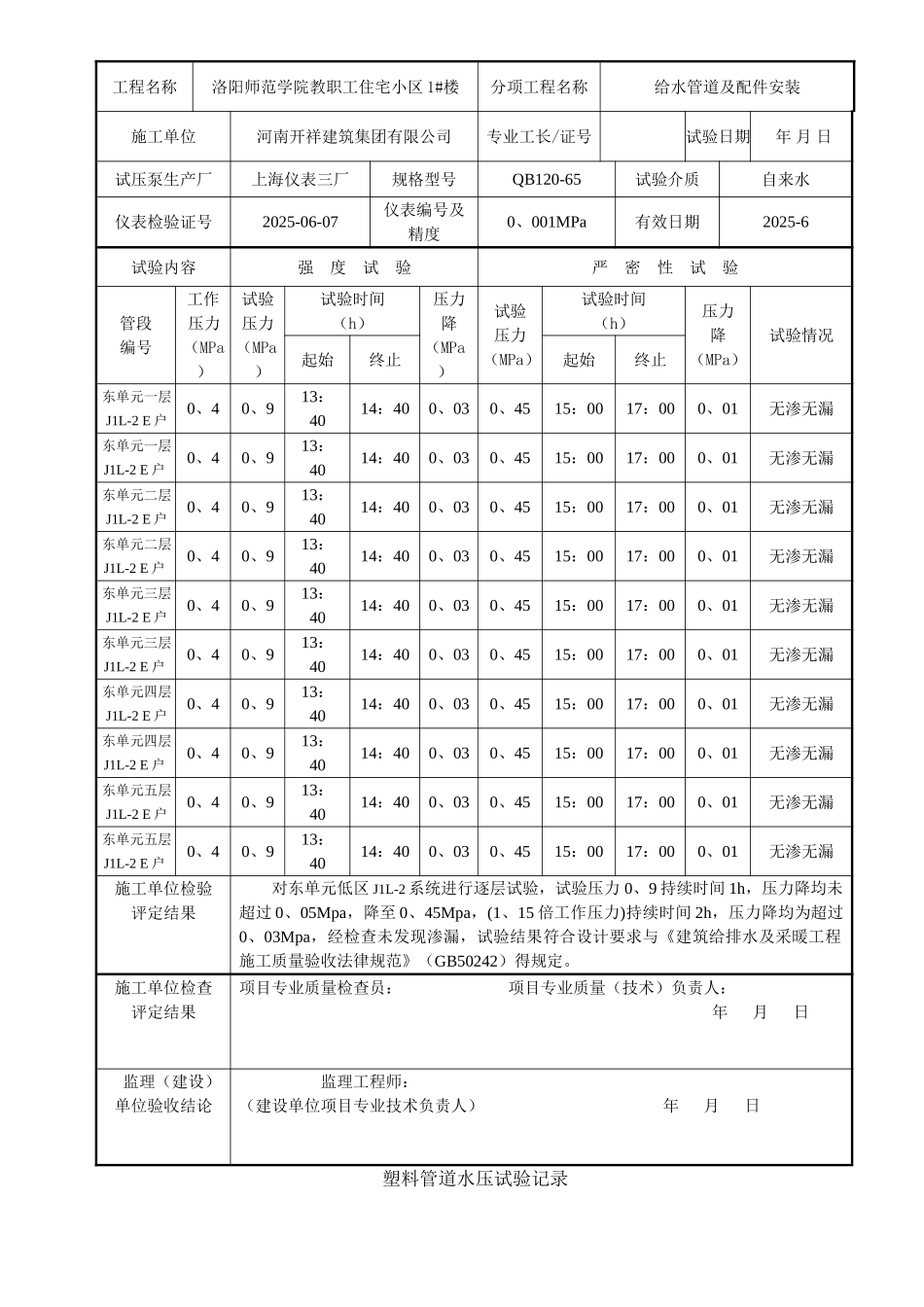
室内给水管道水压试验记录 (钢管及复合管) 工程名称洛阳师范学院教职工住宅小区 1#楼分项工程名称室内给水管道系统施工单位河南开祥建筑集团有限公司专业工长/证号试验日期 年 月 日试压泵生产厂上海仪表三厂规格型号QB120-65试验介质自来水仪表检验证号2025-06-07仪表编号及精度0、001MPa有效日期2025-6试验内容强 度 试 验严 密 性 试 验管段编号工作压力(MPa)试验压力(MPa)试验持续时间(min)压力降(MPa)工作压力(MPa)试验情况起始时间终绐时间J1L-10、60、98:45:308:55:300、0160、6无渗漏J1L-20、60、99:10:209:20:200、0120、6无渗漏J2L-10、60、99:30:159:40:150、0130、6无渗漏J2L-20、60、910:20:459:30:450、0120、6无渗漏施工单位检验评定结果对供水主管道 J1L-1、J1L-2、J2L-1、J2L-2 按系统进行逐个试验,试验压力09Mpa,持续时间 10min,压力降均未超过 0、02Mpa,降至工作压力后检查均为发现渗漏。施工单位检验评定结果经检查,试验结果符合设计要求与《建筑给排水及采暖工程施工质量验收法律规范》(GB50242)得规定,合格。项目专业质量检查员: 项目专业质量(技术)负责人: 年 月 日(公章)监理(建设)单位验收结论监理工程师: (建设单位项目专业技术负责人) 年 月 日(公章)塑料管道水压试验记录 工程名称洛阳师范学院教职工住宅小区 1#楼 分项工程名称给水管道及配件安装施工单位河南开祥建筑集团有限公司专业工长/证号 试验日期年 月 日试压泵生产厂上海仪表三厂规格型号QB120-65试验介质自来水仪表检验证号2025-06-07仪表编号及精度0、001MPa有效日期2025-6试验内容强 度 试 验严 密 性 试 验管段编号工作压力(MPa)试验压力(MPa)试验时间(h)压力降(MPa)试验压力 (MPa) 试验时间(h)压力降(MPa)试验情况起始终止起始终止西单元一层J1L-1 D 户0、40、908:459:450、030、4510:0012:000、01无渗无漏西单元一层J1L-1 D 户0、40、908:459:450、030、4510:0012:000、01无渗无漏西单元二层J1L-1 D 户0、40、908:459:450、030、4510:0012:000、01无渗无漏西单元二层J1L-1 D 户0、40、908:459:450、030、4510:0012:000、01无渗无漏西单元三层J1L-1 D 户0、40、908:459:450、030、4510:0012:000、01无渗无漏西单元三层J1L-1 D 户0、40、908:459:450、030、4510:0012:000、01无渗无漏西单元四层J1L-1 D 户0、40、908:4...

1、当您付费下载文档后,您只拥有了使用权限,并不意味着购买了版权,文档只能用于自身使用,不得用于其他商业用途(如 [转卖]进行直接盈利或[编辑后售卖]进行间接盈利)。
2、本站所有内容均由合作方或网友上传,本站不对文档的完整性、权威性及其观点立场正确性做任何保证或承诺!文档内容仅供研究参考,付费前请自行鉴别。
3、如文档内容存在违规,或者侵犯商业秘密、侵犯著作权等,请点击“违规举报”。

碎片内容

室内给水管道水压试验记录

您可能关注的文档

一帆文传+ 关注
实名认证
内容提供者

欢迎光临店铺,各类公文供您挑选。

确认删除?
VIP
微信客服
  • 扫码咨询
会员Q群
  • 会员专属群点击这里加入QQ群
客服邮箱
回到顶部