电脑桌面
添加小米粒文库到电脑桌面
安装后可以在桌面快捷访问

小面积玻璃幕墙施工方案

小面积玻璃幕墙施工方案_第1页
1/3
小面积玻璃幕墙施工方案_第2页
2/3
小面积玻璃幕墙施工方案_第3页
3/3
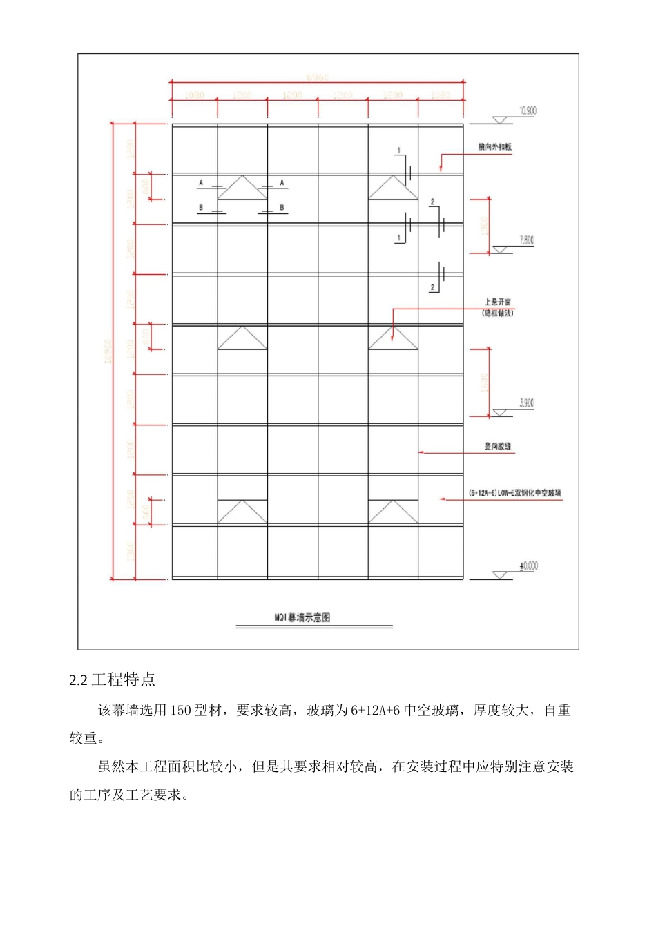
一.编制依据1、设计院提供的设计蓝图;2、相关法律规范、标准:建筑装饰装修工程质量验收法律规范(GB50210-21);玻璃幕墙工程技术法律规范 JGJ102-23 等;3、当地材料供应情况及人力物力情况;4、业主方的相关要求。二、工程概况及特点2.1 工程概况拟建综合楼位于厂区南侧,是本项目运行期间的办公和控制中心,综合楼共设 置三层,建筑面积为 1288.8m2。综合楼玻璃幕墙设置在单体北面楼梯间的位置,为三层通体设置,其尺寸为 10. 9m>6. 96 其为半隐框中空玻璃幕墙型材为铝合金 150 系列型材,玻璃为 6+12A+6 中空玻璃,其内层为透明钢化玻璃,外层为镀膜钢化玻璃。颜色由业主方确定选用 银白色。幕墙共设置 6 扇上悬开窗。其示意图见下图。2.2 工程特点该幕墙选用 150 型材,要求较高,玻璃为 6+12A+6 中空玻璃,厚度较大,自重 较重。虽然本工程面积比较小,但是其要求相对较高,在安装过程中应特别注意安装 的工序及工艺要求。三、施工准备及材料需求计划3.1、施工准备1. 根据设计要求及时组织物资人员进行材料的选型定购,保证的材料的质量满足 设计及法律规范的要求。2.施工用电准备就绪。临时用电采纳三相五线供电,同时也已经制定了严格的用 电制度,以保证现场的临时用电安全。3. 由项目经理牵头,签定具备安装能力的作业队伍负责幕墙的安装。4. 根据现场情况布置加工场及材料堆放场,要求表面平整,布置合理,防雨防碰。5. 主要机具:垂直运输设备、电焊机、焊钉抢、电动改锥、手枪钻、梅花板手、活动扳手、 经纬仪(或激光经纬仪)、水准仪、钢卷尺、铁水平、钢板尺、钢角尺。3.2 方案思路铝合金型材由厂家直接发货到施工现场,由工人在现场进行加工处理,玻璃由 厂家按图示要求进行加工后运到现场。安装主要工序为:安装各楼层紧固铁件-横竖龙骨装配-安装竖向主龙骨 -安装横 向次龙骨 T 安装镀锌钢板 T 安装保温防火矿棉 T 安装玻璃 T 安盖板 及装饰压条。3.3 材料的运输及保管1、幕墙零件包装所有的幕墙单元零件,以垛叠包装安置于托板上并固定好,以便于用叉车或起 重机的提升作业,每个垛叠包装都用塑料布真空密封包裹好。各垛叠包装的尺寸将 尽可能方便地装载和储存等。另外还要考虑施工场地的存储空间。见下图。2、运抵现场货车抵达现场后,将垛叠包装逐件卸下,以下为两种卸货情况:(1)采纳起重机装卸;(2)采纳叉车装卸,此法通常用于施工场地,不宜举高货物等,如下图。

1、当您付费下载文档后,您只拥有了使用权限,并不意味着购买了版权,文档只能用于自身使用,不得用于其他商业用途(如 [转卖]进行直接盈利或[编辑后售卖]进行间接盈利)。
2、本站所有内容均由合作方或网友上传,本站不对文档的完整性、权威性及其观点立场正确性做任何保证或承诺!文档内容仅供研究参考,付费前请自行鉴别。
3、如文档内容存在违规,或者侵犯商业秘密、侵犯著作权等,请点击“违规举报”。

碎片内容

小面积玻璃幕墙施工方案

津创媒+ 关注
实名认证
内容提供者

欢迎交流文创,小店资料希望满足您的需要。

相关文档

确认删除?
VIP
微信客服
  • 扫码咨询
会员Q群
  • 会员专属群点击这里加入QQ群
客服邮箱
回到顶部