电脑桌面
添加小米粒文库到电脑桌面
安装后可以在桌面快捷访问

嵌入式课程设计

嵌入式课程设计_第1页
1/13
嵌入式课程设计_第2页
2/13
嵌入式课程设计_第3页
3/13
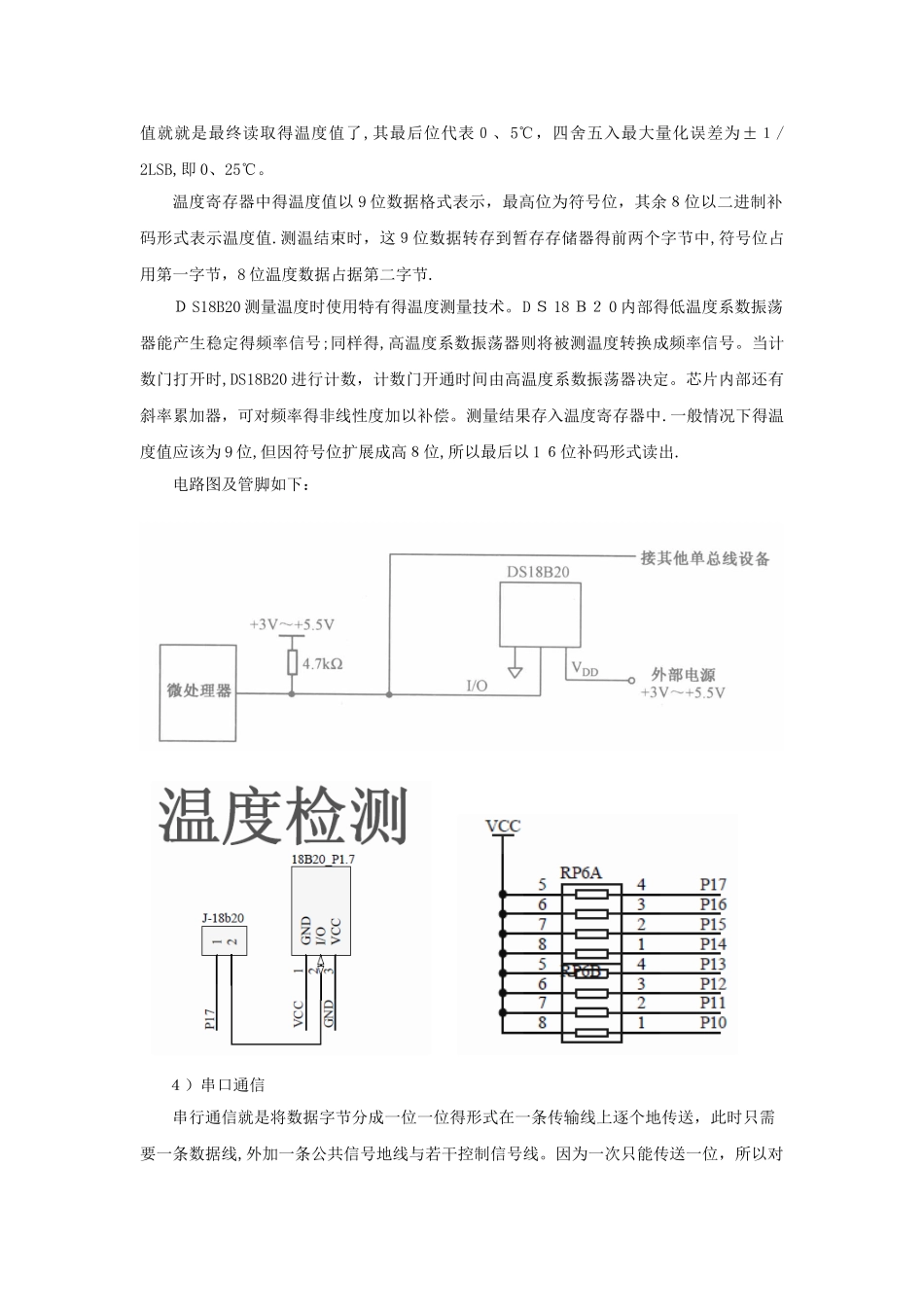
嵌入式课程设计学院:计算机与通信工程学院 专业:物联网工程 班级: 物联 1501 姓名: 王强 学号: 实验日期: 2025 年 12 月 2 5 日 实验名称:嵌入式课程设计实验目得:以 S T C 8 9 开发板为硬件平台, 开发温度采集、动态数码管显示、按键响应、与 PC串口通讯得综合程序,实现以下功能:1)PC 上得串口调试助手通过串口给 STC 8 9 开发板发送“GetTemp"命令。2)STC89 开发板从串口接收到“Get T em p”命令后启动温度传感器DS 1 8B2 0得测温程序猎取当前温度,测试完成时将所测得温度数据显示在动态数码管上。(动态数码管在温度猎取之前应该显示“FF FF FFFF", 只有在猎取温度后才显示温度值)3)动态数码管显示出温度数据后, 请通过按键触发 S T C89 开发板通过串口回送步骤2所测得温度数据给 PC 上串口调试助手,同时恢复动态数码管显示为“FFFFFFF F”.为保证每个同学得实验都独立完成,要求回送得数据包含自己得学号,即假如您得学号就是2025080 9,当前温度值就是19、6摄氏度,那么在 P C上得串口调试助手应该显示:20150 809 : 1 9、6°C.硬件电路说明: 1)S TC 89 处理器管脚与晶振电路 2)独立按键独立按键一共 5 个,分别连接在单片机得P3、0 到 P3、4口。去抖动得方式,我们采纳软件延时得方法。过程如下:先设置 IO 口为高电平(一般上电默认就为高),读取I O 口电平确认就是否有按键按下,如有 IO 电平为低电平后,延时几个 m s,再读取该 IO 电平,假如任然为低电平,说明对应按键按下,执行相应按键得程序。3)DS 18 B2 0 温度传感器部分DS18B20 内部得低温度系数振荡器就是一个振荡频率随温度变化很小得振荡器,为计数器 1 提供一频率稳定得计数脉冲.高温度系数振荡器就是一个振荡频率对温度很敏感得振荡器,为计数器 2 提供一个频率随温度变化得计数脉冲。初始时,温度寄存器被预置成-55℃,每当计数器 1 从预置数开始减计数到 0 时,温度寄存器中寄存得温度值就增加 1℃,这个过程重复进行,直到计数器2计数到 0 时便停止。初始时,计数器 1 预置得就是与-5 5℃相对应得一个预置值。以后计数器1每一个循环得预置数都由斜率累加器提供.为了补偿振荡器温度特性得非线性性,斜率累加器提供得预置数也随温度相应变化。计数器 1 得预置数也就就是在给定温度处使温度寄存器寄存值增加 1℃计数器所需...

1、当您付费下载文档后,您只拥有了使用权限,并不意味着购买了版权,文档只能用于自身使用,不得用于其他商业用途(如 [转卖]进行直接盈利或[编辑后售卖]进行间接盈利)。
2、本站所有内容均由合作方或网友上传,本站不对文档的完整性、权威性及其观点立场正确性做任何保证或承诺!文档内容仅供研究参考,付费前请自行鉴别。
3、如文档内容存在违规,或者侵犯商业秘密、侵犯著作权等,请点击“违规举报”。

碎片内容

嵌入式课程设计

确认删除?
VIP
微信客服
  • 扫码咨询
会员Q群
  • 会员专属群点击这里加入QQ群
客服邮箱
回到顶部